电子元器件产业互联网平台
一站式电子元器件采购平台
元器件移动商城,随时随地采购
半导体行业观察第一站!
专注电子产业链,坚持深度原创
电子元器件原材料采购信息平台
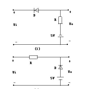
二极管,(英语:Diode),电子元件当中,一种具有两个电极的装置,只允许电流由单一方向流过,许多的使用是应用其整流的功能。而变容二极管(Varicap Diode)则用来当作电子式的可调电容器。大部分二极管所具备的电流方向性我们通常称之为“整流(tifying)”功能。
Copyright 2010-2023 hqbuy.com,Inc.All right reserved. 服务热线:400-830-6691 粤ICP备05106676号 经营许可证:粤B2-20210308
登录
请问您是:
采购商 工程师 在校学生 其他
您希望看到什么内容:
电子资讯 技术文章 PDF资料 电子论文 其他