电子元器件产业互联网平台
一站式电子元器件采购平台
元器件移动商城,随时随地采购
半导体行业观察第一站!
专注电子产业链,坚持深度原创
电子元器件原材料采购信息平台
[导读] 四通道运放选频编码电路
[导读] CMOS PLL编码器电路
[导读] YN5103编码电路
[导读] DTMF编码电路
[导读] HT-12E编码电路
[导读] 12通道编码器电路图
[导读] 单级运放选频编码电路
[导读] 单片UM3758-108A/AM编码电路图
[导读] HT-640的编码电路图
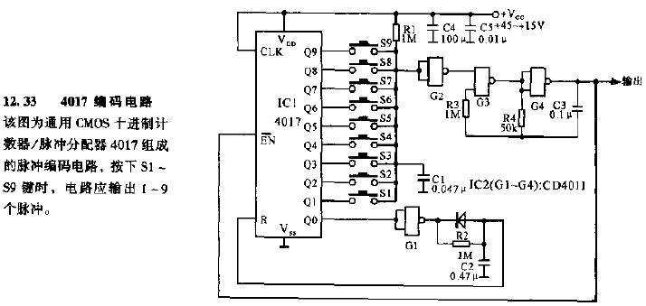
[导读] 4017编码电路图
[导读] 自感反馈十通道编码器电路图
[导读] 运算放大器编码器电路
[导读] 远距离无线编码报警器电路
[导读] 3.4KHz选频编码器电路
[导读] YYH26编码电路
Copyright 2010-2023 hqbuy.com,Inc.All right reserved. 服务热线:400-830-6691 粤ICP备05106676号 经营许可证:粤B2-20210308
登录
请问您是:
采购商 工程师 在校学生 其他
您希望看到什么内容:
电子资讯 技术文章 PDF资料 电子论文 其他