电子元器件产业互联网平台
一站式电子元器件采购平台
元器件移动商城,随时随地采购
半导体行业观察第一站!
专注电子产业链,坚持深度原创
电子元器件原材料采购信息平台
本应用笔记阐述了在DS5250安全微控制器上轻松实现磁卡读卡和解码操作的设计。文章还演示了开发同时具有磁卡读卡功能和安全微控制器高级加密功能的实际应用。这一实例采用DS5250评估(EV)板连接磁卡读卡器。本应用笔记提供源代码,很容易装载到Maxim的其它8051微控制器中。
DS5250高速,安全的微控制器具有MAA(模块化算术加速器)。本应用程序说明解释了用于求幂的MAA的配置,讨论了在执行时间上的权衡,并显示了典型的执行时间。
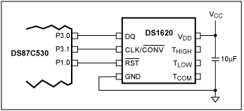
器件DS87C530和DS5250高速微控制器与实时时钟(RTC)是理想的应用,如数据记录。本应用笔记检查了连接到DS1620数字温度计和恒温器的温度测量技术。时间测量和报警设置也进行了讨论。示例代码包含在本应用程序说明中。
DS5250可作为安全协处理器来保护口令、加密密钥以及其它重要数据。DS5250采用三DES存储保护、精巧的入侵传感器和电池备份SRAM,构建了一个保护宝贵知识产权的加密边界。
Copyright 2010-2023 hqbuy.com,Inc.All right reserved. 服务热线:400-830-6691 粤ICP备05106676号 经营许可证:粤B2-20210308
登录
请问您是:
采购商 工程师 在校学生 其他
您希望看到什么内容:
电子资讯 技术文章 PDF资料 电子论文 其他