电子元器件产业互联网平台
一站式电子元器件采购平台
元器件移动商城,随时随地采购
半导体行业观察第一站!
专注电子产业链,坚持深度原创
电子元器件原材料采购信息平台
本文介绍了一种同时改变显示器中所有LED数字的亮度(即全局亮度控制)的技术。该方法适用于使用MAX6954或MAX6955多路LED驱动器的显示器。
本文向读者提供使用MAX6954驱动14段单色LED显示器的典型电路和配置。
本文向读者提供使用MAX6954驱动7段单色LED显示器的典型电路和配置。
应用说明确定使用MAX6954/MAX6955 LED显示驱动器驱动双位数LED的正确数字映射。
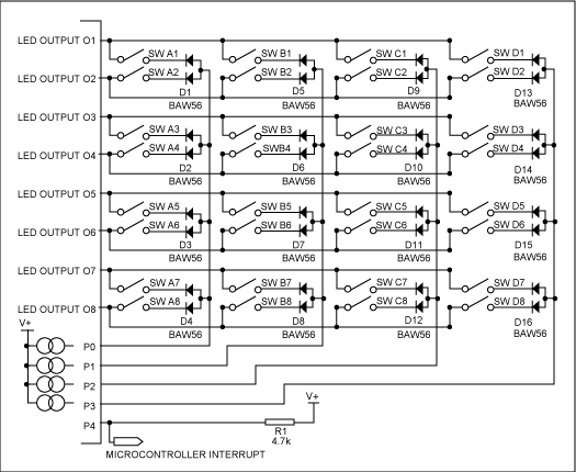
本应用笔记介绍了一种扩展扫描的方法,可以扩展MAX6954和MAX6955 LED显示驱动器的键盘扫描范围,从32键扩展到80键。
Copyright 2010-2023 hqbuy.com,Inc.All right reserved. 服务热线:400-830-6691 粤ICP备05106676号 经营许可证:粤B2-20210308
登录
请问您是:
采购商 工程师 在校学生 其他
您希望看到什么内容:
电子资讯 技术文章 PDF资料 电子论文 其他