一站式电子元器件采购平台

华强商城公众号

一站式电子元器件采购平台

元器件移动商城,随时随地采购

华强商城M站

元器件移动商城,随时随地采购

半导体行业观察第一站!

芯八哥公众号

半导体行业观察第一站!

专注电子产业链,坚持深度原创

华强微电子公众号

专注电子产业链,
坚持深度原创

电子元器件原材料采购信息平台

华强电子网公众号

电子元器件原材料采购
信息平台

美信MAX20057集成36V升压控制器的介绍、特性、及应用

来源:HQBUY 发布时间:2021-09-02

摘要: MAX20057 36V升压控制器是专为汽车应用而设计的高度集成三输出PMIC。MAX20057包括两个同步降压转换器和一个具有2.1MHz和400kHz选项的异步boost控制器。升压控制器可以为降压转换器提供电力,并在冷曲柄操作时保持它...


    美信MAX20057 36V升压控制器是专为汽车应用而设计的高度集成三输出PMIC。MAX20057包括两个同步降压转换器和一个具有2.1MHz和400kHz选项的异步boost控制器。升压控制器可以为降压转换器提供电力,并在冷曲柄操作时保持它们在2V电池输入下的调节。IC在3.5V到36V的输入电压下工作,在95%占空比下工作,可以在压差条件下工作。


    MAX20057 36V Boost控制器提供高达2.1MHz的高开关频率,允许小型外部组件,减少输出纹波,并保证没有AM波段干扰。保护功能包括循环电流限制和热关闭。MAX20057升压控制器的工作超过-40°C到+125°C的汽车温度范围指定。


    特性

    • 满足严格的OEM模块功耗和性能指标

      • 10μA的供电电流,5V buck on

      • 8μA电源电流,3.3V buck on

      • 30μA的供电电流,所有的稳压器都开着

    • 使crank-ready设计

      • 通过冷曲柄调节输出电压至2V电池电压

      • 宽输入电源范围3.5V ~ 36V

    • EMI降低特性在不牺牲宽输入电压范围的情况下减少敏感无线电波段的干扰

      • 20ns (typ)最小通时保证了2.1MHz 3.3V输出的无跳跃操作

      • 扩展频谱的选择

      • 锁相环(PLL)频率同步

    • 集成和热增强包节省板空间和成本

      • 两个2.1MHz buck转换器,带异步boost控制器

      • 电流模式控制器强制固定频率和跳跃模式

      • 热增强5mm x 5mm, 28针TQFN EP封装

    • 保护特性提高了系统的可靠性

      • 电源欠压锁定

      • 超温、短路保护


    应用程序

    • 汽车起停系统

    • 仪表组

    • 分布式直流电力系统

    • 导航和无线电头单位


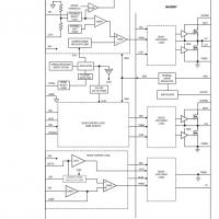
    框图


    声明:本文观点仅代表作者本人,不代表华强商城的观点和立场。如有侵权或者其他问题,请联系本站修改或删除。

    社群二维码

    关注“华强商城“微信公众号

    调查问卷

    请问您是:

    您希望看到什么内容: