一站式电子元器件采购平台

华强商城公众号

一站式电子元器件采购平台

元器件移动商城,随时随地采购

华强商城M站

元器件移动商城,随时随地采购

半导体行业观察第一站!

芯八哥公众号

半导体行业观察第一站!

专注电子产业链,坚持深度原创

华强微电子公众号

专注电子产业链,
坚持深度原创

电子元器件原材料采购信息平台

华强电子网公众号

电子元器件原材料采购
信息平台

德州仪器TPS63810/TPS63811 2.5A Buck-Boost转换器的介绍、特性、及应用

来源:HQBUY 发布时间:2021-09-02

摘要: 德州仪器TPS63810/TPS63811 2.5A Buck-Boost变换器是高效率和高输出电流器件,完全通过I(2)C可编程。TPS63810/TPS63811转换器自动工作在boost, buck,或根据输入电压的新颖的4周期buc...


    德州仪器TPS63810/TPS63811 2.5A Buck-Boost变换器是高效率和高输出电流器件,完全通过I(2)C可编程。TPS63810/TPS63811转换器自动工作在boost, buck,或根据输入电压的新颖的4周期buck-boost模式。


    当模式间的转换发生在定义的阈值时,TPS63810/TPS63811降低输出电压纹波,并避免不必要的切换。两个寄存器,通过I(2)C可访问,设置输出电压,和一个V(SEL)引脚选择哪个输出电压寄存器是活跃的。这允许设备支持动态电压缩放。TPS63810/TPS63811 2.5A Buck-Boost转换器在操作过程中如果输出电压寄存器发生变化或V(SEL)引脚被切换,则会以一个定义的、可编程的斜坡速率传输。


    特性

    • 输入电压范围:2.2V ~ 5.5V

    • 输出电压范围:1.8V ~ 5.2V

      • I(2) c在运行和关闭时可配置

      • V(SEL)引脚在两个输出电压预置之间切换

    • 输出电流

      • V(I)≥2.5V, V(O) = 3.3V时最高可达2.5A

      • V(I)≥2.8V, V(O) = 3.5V时最高可达2.5A

    • 在整个负载范围内效率高

      • 低13μA工作静态电流

      • 自动节电模式和强制PWM模式(I(2) c可配置)

    • 峰值电流模式buck-boost架构

      • 已定义的buck、buck-boost和boost操作之间的转换

      • 正向和反向电流操作

      • 启动到预偏输出

    • 安全可靠的操作特点

      • 集成的软启动

      • 过温过压保护

      • 在关闭期间,真负载断开

      • 前进和后退电流限制

    • 两个设备选项:

      • TPS63810:预编程输出电压(3.3V, 3.45V)

      • TPS63811:程序启动前输出电压

    • 溶液尺寸为20mm(2),只有四个外部组件


    应用程序

    • 系统预调节器(智能手机,平板电脑,跟踪和远程信息处理,EPOS, TWS耳机,医用助听器)

    • 负载点调节(飞行时间相机传感器,端口/电缆适配器和适配器)

    • 热电器件电源(TEC、光模块)

    • 宽带网络无线电或SoC供应(物联网,家庭自动化,EPOS)


    简化的示意图



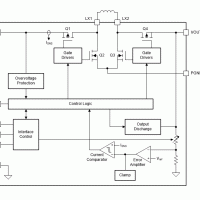
    框图


    声明:本文观点仅代表作者本人,不代表华强商城的观点和立场。如有侵权或者其他问题,请联系本站修改或删除。

    社群二维码

    关注“华强商城“微信公众号

    调查问卷

    请问您是:

    您希望看到什么内容: