摘要: 以下应用说明讨论了用于测序电源和测序复位输出的多种解决方案。它讨论了使用离散解决方案与更集成的解决方案的优缺点。MAX6819 / MAX6820为多电源系统的测序提供了一种极好的方法。MAX6391 / MAX6392具有顺序输出,可用于多电压和/或多处理器系统。
以下应用说明讨论了用于测序电源和测序复位输出的多种解决方案。它讨论了使用离散解决方案与更集成的解决方案的优缺点。MAX6819 / MAX6820为多电源系统的测序提供了一种极好的方法。MAX6391 / MAX6392具有顺序输出,可用于多电压和/或多处理器系统。MAX16029提供了一种节省空间的解决方案,可对多达四个电源进行测序。
许多应用程序在上电和下电期间需要一个可控的周期。对于工作在双极电源电压上的旧部件(如DG401开关),您应该首先施加最正的电压,然后施加逻辑电源(可能),最后施加负电源电压。违反这一规则会导致半导体内部的“锁存”。
由于外部阻塞二极管(为了防止锁存效应而添加)可以限制可用的输入范围,因此首选的方法是控制施加到芯片上的电源电压的顺序。控制功率排序是许多面向计算机系统运行的关键。例如,dsp和其他多电压微处理器通常要求它们的I/O电压在施加核心电压之前存在,反之亦然。另一个需要排序的应用是包含辅助控制器(如图形控制器)和主CPU的电路板。为了避免图形显示器上的输出失控,CPU必须在图形控制器接收电源或其复位释放之前启动并运行。
新的ic系列简化了需要多个电源的系统的测序功率。在讨论离散组件方法之后,我们将描述这些新的集成电路及其实现。
对同一轨道上的两个或多个电路的供电电压进行排序的一种简单方法是通过在电源线上的接地上添加串联电阻和电容来简单地在它们之间引入延迟。每条线路只需要两个分立的部件(图1)。然而,这种技术有许多缺点:您应该仅将其用于信号延迟,而不是用于电源延迟。

图1所示。通过电源线中的RC延迟进行功率排序。
延迟取决于电源电压的上升时间。RC方法不适合在独立于主5V电源的3.3V电源电压上添加延迟,因为3.3V即使有延迟也可能首先出现。5V可能根本不会出现,这并不妨碍3.3V被应用到设备上。如果3.3V来自5V,这种方法可能是可以接受的,但您仍然必须考虑电阻器中的功率损耗。作为另一个考虑因素,在断电时延迟的电源电压比首先出现的电源电压在负载上施加的时间更长。
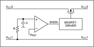
防止一个电源先于另一个电源出现的更可靠的方法是监控主要电源,以确保它先出现并在第二个电源打开之前达到一定水平。增加一个小延迟提供了额外的可靠性优势。图2举例说明了一个系统的这种方法,其中电源调节器位于远程电源中,因此无法访问。

图2。功率排序通过RC,比较器,和mosfet驱动器。
比较器负输入端的参考电压设置V(CC)在V(CC2)导通之前达到的电平。另一个输入端的RC组合增加了触发器的延迟。n沟道MOSFET开关保证当电源断开或当V(CC1)尚未达到所需电压时,V(CC2)线上没有电流流过。为了充分增强MOSFET开关,驱动器产生的门源电压(V(GS))比V(CC2)高出几个伏特。最简单的驱动器可以是双V(CC2)的电荷泵,比较器通过电荷泵的关闭引脚打开和关闭。
这种方法还保证在V(CC1)不存在时关闭V(CC2)。然而,时间仍然取决于V(CC1)的上升时间,这可能是设计师无法获得的。这种安排允许一个短的间隔-取决于RC组合和V(CC1)的下降时间-其中V(CC2)存在而V(CC1)不存在。另一个缺点是,实现此功能至少需要五个组件。
尝试用p沟道MOSFET实现上述电路(以消除MOSFET驱动器)会导致以下问题。PMOS器件在上电时不能保证完全闭合,因为栅极电压和源电压的上升时间可能不同,或者必须单独控制。可能的结果是,在栅极源电压(V(GS))小到足以关闭MOSFET之前,在上电时出现输出故障。在低电压下,由于V(GS)不足以充分增强p沟道MOSFET,功率通路中可能出现额外电阻。
上面的电路可以很容易地升级为标准复位ic,结果是更少的外部元件(图3)。替代方案包括MAX809(包括电压基准、比较器、固定延迟时间和复位阈值)和MAX6301,其阈值和复位时间都是可调的。然而,主要优点是更精确的可调定时,也独立于电源电压的上升和下降时间。此外,一旦V(CC1)低于某个阈值,V(CC2)就会关闭,因此没有V(CC1), V(CC2)就不会存在。

图3。排序与复位ic,驱动器,和MOSFET。
许多升压和降压稳压器包括一个可用于功率排序的关闭引脚。首先,您应该检查有问题的部分是否完全关闭,或者输入电压是否仍然存在于输出上(就像目前可用的许多升压稳压器一样)。使用合适的调节器,只需在一个调节器的关断输入上使用RC网络即可完成所需的排序(图4)。RC延迟确保V(CC1)出现在V(CC2)之前。对于上面提到的其他RC电路,V(CC2)延迟时间也取决于V(CC1)上升timeҞso在断电时,V(CC2)可能比V(CC1)存在更长的时间。

图4。带电源调节器的RC测序。
为了获得更好的可靠性,具有集成延迟的复位IC可以控制电源稳压器的关断引脚(图5)。优点包括定义的定时行为,可控的断电,并保证V(CC2)在V(CC1)之前关断。

图5。复位排序与电源调节器。
通过一些外部组件,MAX6819或提供一种简单的方法来控制电路板上各种电源线的上电/下电周期。在监测一次电源电压时,这些器件通过外部n沟道MOSFET开关启用/禁用二次电源电压(图6)。电路的功能如上所述,但更省力。MOSFET驱动器是一个V(GS) = 5.5V的稳压电荷泵,与SOT23器件中的必要电容器集成在一起。

图6。使用MAX6819进行电源排序。
序列器确保MOSFET始终具有最小所需的V(GS)增强,从而最大限度地减少MOSFET的损耗并确保低漏源阻抗(R(DS(ON)))。MAX6819施加200 ms的出厂设置延迟时间,这发生在初级电压上升到设定的阈值以上之后,在使能电荷泵驱动外部MOSFET开关之前。
MAX6819还有一个使能输入,可以覆盖内部电路并关闭或启用外部MOSFET。MAX6820允许用户使用一个小的外部电容简单地调整延迟时间。如果一个电源大于2.125V, V(CC1)或V(CC2)都可以作为主电源,从而触发二次电源的开关。
由于某些系统必须对两个以上的电源进行排序,因此MAX6819和MAX6820支持菊花链(图7)。只要开关的上游电源未达到适当的工作电压,并且相关延迟时间未经过,所有上游电源开关都将被禁用。

图7。三个电源排序。
拥有两个以上电源的现代系统现在很常见。这些电源通常有上电顺序要求。MAX16029四电压监视器/测序电路可以为这一要求提供多功能和节省空间的解决方案(图8)。MAX16029封装在TQFN中,可以对多达四个电源电压进行测序,并具有可调的上电延迟。

图8。对四个电源进行排序。
如果你必须控制复位时间而不是电源,你需要一个复位顺序器。例如,如果主CPU必须在从CPU或底板ASIC之前启动并运行,则此功能是必要的。您可以通过使用两个或多个复位ic(如MAX812)来实现所需的排序,其中包括手动复位输入(MR)。当第一个电源电压上升时,第一个复位IC将其复位输出拉高,第二个IC的MR被释放,内部定时器开始运行。延迟时间过去后,第二次复位解除。
具有顺序输出的MAX6391/MAX6392双电压µp监控电路(图9)在单个芯片中提供了相同的功能,并具有一些额外的灵活性。这些SOT23-8部件监控两个电源电压(主电源和从电源),并提供两个具有固定或可调超时时间的复位输出。

图9。复位测序与MAX6391/MAX6392。
当主电源下降或未达到其工作电压时,芯片断言两者复位。只要主复位被断言,从复位就不能被撤销。在上电和下电时,顺序复位输出确保当主部件不运行时,从部件永远不会打开。从设备的电压阈值和超时时间可通过几个外部元件进行调节。
这篇文章的类似版本出现在2002年4月的电力电子杂志。
社群二维码
关注“华强商城“微信公众号
Copyright 2010-2023 hqbuy.com,Inc.All right reserved. 服务热线:400-830-6691 粤ICP备05106676号 经营许可证:粤B2-20210308