摘要: PC软件,以协助评估MAX6956和MAX6957串行接口静态LED显示驱动器与端口扩展器。
本应用说明描述了一个PC程序,可免费下载,以协助评估MAX6956和MAX6957 LED显示屏驱动程序和GPIO(端口扩展器)。
MAX6956和MAX6957是多功能28段LED显示驱动器,允许将任何输出配置为通用输入/输出(GPIO)。通过高速SPI (MAX6957)或I²C (MAX6956)串行接口进行控制。
这个应用笔记描述了一个实用程序,它允许从PC控制MAX6957或MAX6956驱动程序。该实用程序可以单独使用,以帮助工程师熟悉驱动程序的寄存器和功能。此外,在设备的软件设计之前,它可以通过直接控制MAX6957或MAX6956寄存器来“证明”应用板原型。
一台运行Windows 95、98、98SE、ME、NT或2000的PC机,具有配置为LPT1或LPT2的并行打印机端口。
该实用程序是一个名为MAX6957.EXE的Visual Basic 5程序,它需要标准的Visual Basic运行时库MSVBVM50.DLL才能运行。该程序使用DriverLINX 免费软件并行端口驱动程序DLPortIO.DLL,它提供了Win32 DLL硬件I/O功能,不作为Visual Basic中的标准。Windows NT和2000用户也需要DLPortIO。SYS内核模式驱动程序。这两个驱动程序的版权都属于Scientific Software Tools, Inc. 。
要安装到Windows 95、98、98SE、ME平台,请下载MAX6956-57.EXE文件。这是一个WinZIP自解压归档文件,包含ReadMe.txt, ReadMeSST.txt, MAX6957.EXE, DLPortIO.DLL和MSVBVM50.DLL。默认下载目录为C:\MAX6956。如果该库已在计算机上注册,则可以删除MSVBVM50.DLL。
要安装到Windows NT或2000平台,请下载MAX6956-NT.EXE文件。这是一个WinZIP自解压归档文件,包含ReadMe.txt, ReadMeSST.txt, MAX6956.EXE, PORT95NT.EXE和MSVBVM50.DLL。默认下载目录为C:\MAX6956。PORT95NT.EXE是DriverLINX驱动程序的安装程序,用于安装和注册DLPortIO. dll库和DLPortIO. dll。系统驱动程序。PORT95NT.EXE可在安装完成后删除。Windows 95、98、98SE、ME用户如果愿意也可以使用这个安装过程。
此应用程序说明的源代码可在。
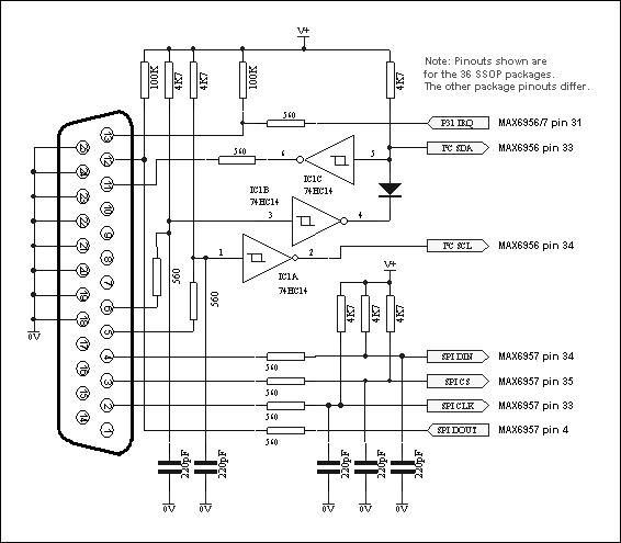
这个实用程序使用8个并行端口打印机输出线中的3个来模拟SPI串行接口活动,另外2个输出线来模拟I²C串行接口活动。并口控制输入线用于回读SPI数据、i2c数据和中断状态。多个(最多16个,菊链)max6957和/或多个(最多16个,配置不同的I²C地址)max6956可以同时操作。LPT1或LPT2端口可以从软件中选择。端口可以是标准、ECP或EPP类型。端口连接显示在图1.

图1所示。MAX6956和MAX6957连接并口。
该程序在启动时弹出4个窗口。它们是主控制、强度控制、I/O控制和段控制窗口。启动时的寄存器设置反映了MAX6956和MAX6957的寄存器上电条件。
主控件显示在图2在下面。“驱动类型”按钮选择软件是否将传输到MAX6957(使用SPI连接)或MAX6956(使用I²C连接)。

图2。程序启动时显示。
在SPI模式下,该软件控制多达16个MAX6957驱动程序。假定驱动是级联的(即,第一个MAX6957的DOUT引脚连接到第二个MAX6957的DIN引脚,第二个MAX6957的DOUT引脚连接到第三个MAX6957的DIN引脚,以此类推)。MAX6957设备的总数由“驱动程序数量”滑块设置。当设置为大于1时,“启用全局驱动程序写入”和“启用自动增量”复选框可用。当“Enable global driver write”为clear时,当选择写命令时,只有“Current driver”滑块选择的MAX6957驱动被写入-其他接收no-op指令。当选中“启用全局驱动程序写”时,所有MAX6957驱动程序都用相同的数据写入。选中“Enable auto-increment”后,每次写操作后,当前驱动程序编号都会自动递增。这允许用户为一系列MAX6957驱动程序快速发送相同的数据。
与并行端口的SPI接口连接可以使用“测试流”设施进行测试,该设施可以在“端口连接和帮助”下找到。,当程序运行时。“测试流”设施将无操作指令连续传输到MAX6957(s)(由“驱动程序数量”滑块设置),允许在不影响寄存器内容的情况下验证接口连接。
在I²C模式下,软件可控制多达16个MAX6956驱动程序。假定第一个驱动程序被设置为地址1000000x,对于最后一个设备,后续设备的地址增加到1001111x。例如,要访问地址1001111x的单个MAX6956驱动程序,只需将“驱动程序数量”滑块设置为16,然后将“当前驱动程序”滑块设置为16,地址1001111x。I²C模式的主要形式为图3.

图3。I²C程序显示。
I²C接口连接到并行端口可以用“测试流”设施进行测试,该设施可以在“端口连接和帮助”下找到。,当程序运行时。“测试流”设施将无操作指令连续传输到所有MAX6956(s)(由“驱动程序数量”滑块设置),允许在不影响寄存器内容的情况下验证接口连接。
“快速串行接口”复选框设置SPI和I²C接口类型的串行接口速度。选中时,串行接口以与机器相关的全速运行,最高可达1mbits /sec;未选中,速度限制在500比特/秒。当通过很长的电缆连接时,慢速可能是有用的。
当按下“写”或“读”按钮时,程序通常只与目标驱动程序(或多个驱动程序)通信。然而,程序试图监视中断输出引脚,假定它连接到并行端口引脚13。显示在主界面上,状态显示为High或Low。
“自动更新控制”按钮,当选中时,使程序连续轮询所有28端口输入寄存器和中断寄存器位。速率取决于“快速串行接口”复选框的设置,可以是每秒多次(Fast)或每多秒一次(Slow)。备注:慢速模式为非常慢!“Re ng driver x”滑块允许用户将设备设置为通过“当前驱动程序”控制可访问的驱动程序自动独立读取。
主窗口是退出程序的路径。退出按钮,或按Esc键在主窗口,关闭所有4个窗口。在其他3个窗口中按Esc键将用户带到主窗口;因此,按两次Esc键将快速关闭程序。在关闭之前,程序将设备配置的最后设置存储在一个名为MAX6956.ini的文件中,该文件位于执行程序的同一目录中。没有写入Windows注册表。设置包括4个窗口的位置,以及主窗口的界面设置。如果MAX6956.ini不存在,则创建它;否则将被覆盖。要恢复程序默认设置,或者如果MAX6956.ini已损坏,只需删除MAX6956.ini文件。
图4,5,6显示其他三个窗口的快照。

图4。强度配置窗口。

图5。I/O配置窗口。

图6。段注册窗口。
上一篇:小电容提高大功率CPU供电效率
社群二维码
关注“华强商城“微信公众号
Copyright 2010-2023 hqbuy.com,Inc.All right reserved. 服务热线:400-830-6691 粤ICP备05106676号 经营许可证:粤B2-20210308