摘要: 文章展示了一个简单的离散电流源如何确定振荡器频率。改变数码相机(DSC)、摄像机或PDA的电源开关频率,以覆盖Li+电池或适配器作为输入的使用。
本应用笔记展示了一个简单的离散电流源如何确定振荡器频率。设计使用MAX1802降压电源来改变数字静止相机(DSC),摄像机或PDA的开关频率。在本设计中,输入电压从2.6V到5.5V不等,以覆盖Li+电池或适配器作为MAX1802输入的使用。
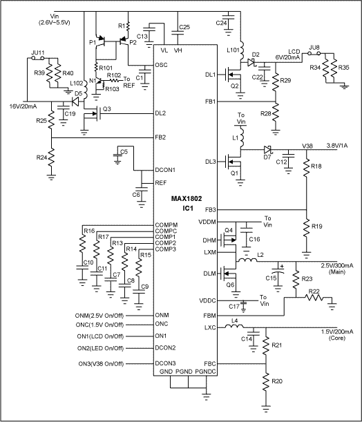
MAX1802是一款多输出电源,可为数码相机、摄像机和其他手持设备(如pda)提供完整的紧凑型解决方案。它有两个降压DC-DC转换器和三个升压辅助控制器。三个辅助控制器以固定频率的电压控制PWM模式工作。当核心电源输入V(DDC)小于2.4V时,内部线性稳压器从电池输入V(DDM)为V(L)输出供电。当V(DDC)高于2.4V时,线性稳压器关闭,内部开关打开,将V(L)连接到V(DDC)。这有助于MAX1802启动,因为V(L)用于为内部电路供电,核心通常由主输出供电(参见MAX1802和MAX1802EVKIT)。MAX1802在OSC引脚处使用锯齿形波形,由外部定时电阻和V(L)供电的电容产生,以控制内部定时。
在某些应用中,直接从电池中为核心供电更有效。在这些应用中,V(L)将随输入电池电压而变化。振荡器频率是恒定的,而V(L)是恒定的(图1)。改变开关频率将使选择外部元件以获得给定应用的最佳性能和效率变得困难。这可以通过使用外部离散电流源来代替外部定时电阻来解决。

图1所示 MAX1802振荡器频率与电压的关系
图2显示了使用MAX1802为PDA供电的应用电路,MAX1802带有一个简单的电流源来设置开关频率。电流源由两个匹配的晶体管P1和P2(中央半导体的CMPT3906晶体管)和电阻R1组成。

图2 MAX1802电路采用离散电流源来确定振荡器频率
晶体管N1(中央半导体的CMPT3904)用于确保当MAX1802关闭时电流源不吸收任何电流。请注意,3.8V输出没有被调节到高于4V输入,但在这个特定的应用中是可以接受的,因为它与最终系统中的线性后稳压器(未显示)一起使用。这个电路以340kHz的开关频率工作。图3给出了整个供电系统的效率。输入电压从2.6V到5.5V不等,以覆盖使用Li+电池或适配器作为输入到MAX1802。从图3可以看出,使用MAX1802的电路是该应用程序的高效紧凑的解决方案。

图3 图1电路效率曲线
社群二维码
关注“华强商城“微信公众号
Copyright 2010-2023 hqbuy.com,Inc.All right reserved. 服务热线:400-830-6691 粤ICP备05106676号 经营许可证:粤B2-20210308