摘要: 具有多个“热点”的系统通常需要几个温度传感器或温度开关。本应用笔记讨论了在此类系统中使用带数字接口和PWM接口的温度传感器。
为了防止损坏或丧失性能,许多电子系统包括温度传感器来监测热条件。具有多个潜在“热点”的系统需要多个分布式温度传感器。
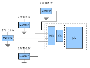
图1说明了一个底盘的概念,其中三个位置可能会产生热问题。两种是高速芯片,如微处理器(µPs)、dsp或图形控制器,它们的功率水平能够产生危险的温度。另一个热发生器是安装在底盘后部散热器上的动力装置。

图1所示 这种分布式传感系统监测散热器、电路板上的两个ic和进风口的温度
可以在每个位置放置一个温度传感器来单独监测每个温度。当温度超出安全工作范围时,可以通过打开散热风扇、降低时钟速率或关闭系统电源等方式避免出现问题。为了验证风扇是否正常工作,外部环境空气是否足够凉爽,使内部温度保持在安全范围内,进风口处的第四个传感器会监测从冷却风扇进入的空气。
大多数温度传感器ic感测自己的芯片温度,这实际上与封装引线的温度相同。这种ic非常靠近热器件,可以很好地指示热源的温度。因为热源比它所安装的电路板温度高,所以测得的温度会比热源的温度低一些。
为了尽量减少这种温差,应将传感器安装在尽可能靠近热源的地方。将传感器和热源在它们的接地引脚和(如果可行的话)电源引脚连接在一起。确保铜的面积足够大,以进行良好的传热。一些传感器包有标签,可以很容易地用螺栓安装到其他物体上。这样的封装提供了一个极好的热路径,从安装标签到模具,使它们用于测量散热器或机箱温度。
一旦您将温度传感器定位在适当的位置,它们的温度信息必须传递到使用点-通常是微控制器(µC)。所采取的方法首先取决于感知温度的目的。如果您只是需要不时了解每个位置的温度,一种方法是部署温度传感器(ic或热敏电阻/电阻组合),并使用数字转换器(ADC)定期测量其输出电压。ADC可以是一个独立的器件,也可以集成在µC上。这种adc通常包括一个多路复用器(mux)。如果没有,则必须添加一个(图2)。

如果ADC位于μ C上,并且多路复用器有足够的输入通道来容纳系统中的所有传感器,则这种简单的分布式温度传感方法具有成本效益。
如果传感器信号线很长,并且系统产生大量的电噪声,则具有相对高灵敏度的传感器将最大限度地减少噪声拾取并提高精度。所示的传感器ic指定输出灵敏度为25mV/°C,这足以允许在大多数应用中使用低分辨率adc。对于宽温度范围的应用,线性温度传感器IC通过在全范围内产生一致的温度分辨率,提供了热敏电阻的主要优势。
有时µC缺乏足够的输入来容纳所有系统传感器和其他信号。在这种情况下,考虑以其他方式将温度传输到µC的传感器。
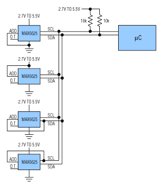
温度传感器包括一个ADC和一个标准串行接口,当输入不足时,提供了一种简单的方法来检测多个温度。例如,MAX6625使用兼容I(2)C /SMBus 的2线接口与µC通信。它有一个引脚,通过连接到地、电源电压、SDA引脚或SCL引脚,将传感器的地址设置为四个值之一。多达4个max6625可以连接到单个2线总线(图3)。

图3 在不同位置的多达4个max6625可以通过在它们的ADD引脚上设置不同的地址来共享一条2线总线。如果需要,您可以添加多达8个max1617或max1619,在总线上产生总共12个热监测位置。
通过添加具有不同地址的传感器,您可以容纳更多的数字温度传感器。例如,在4个max6625的基础上,最多可以添加8个max1617。由于MAX6625系统连接是数字的,因此当传感器相距很远或在产生大量电气噪声的系统中,它提供了一个很好的替代-输出传感器。
MAX6625连续测量温度,并每133ms更新其8位加号输出。主处理器可以随时读取2线总线上的温度。当温度超过主机编程的阈值时,MAX6625可以在开漏输出(ot端子)上产生中断。这个比较器功能上的滞后也可以编程,使MAX6625忽略小的温度变化。为了监测多个位置的潜在热问题,而不需要主机持续监测,可以用一个公共上拉电阻将多个max6625的断续线连接在一条走线上。MAX6625的微型6引脚SOT23封装允许靠近热源,即使在紧凑的电路板上也是如此。
标准串行接口并不是多个传感器传输数据的唯一方式。例如,MAX6575产生的逻辑输出延时与温度成正比。一个简单的基于时延的多路复用方案允许您将多达8个max6575连接到单个μ C I/O引脚。
图4演示了该技术。多达8个max6575通过一条I/O线连接到µC。µC通过将该线拉低至少1µs来读取温度。在它释放I/O线后,一个MAX6575将线拉低,保持低电平一段时间与绝对温度成正比(5µs/°K),然后释放它。由µC和任何MAX6575启动的高-低转换之间的时间间隔与绝对温度成正比,引脚可编程为5、20、40或80µs/°K (MAX6575L),或160、320、480或640µs/°K (MAX6575H)。在µC内部计数器/定时器的帮助下,最多可以将八个传感器放置在不同的位置,所有传感器都由单个I/O线读取。这种技术提供了极好的噪声抑制,因为任何由电噪声引起的过渡边缘的倾斜都被相对较长的延迟所掩盖。

图4 MAX6575采用时间延迟方案对温度信息进行编码,可以在µC下将多达8个温度传输到单个数字I/O引脚
对于某些应用,通过地址(MAX6625)或时间延迟(MAX6575)使多个传感器唯一是没有帮助的。例如,在卡架中,几张相同的卡插入背板上的连接器,不能有唯一的传感器地址或时间延迟选择,因为您必须能够用任何其他卡替换任何卡。
MAX6575可以通过共享几个类似传感器的输出来监控多个可互换的卡。它的延时输出允许您测量最热和最冷卡的温度(图5)。该电路与图4相同,除了所有max6575l都设置为最短可用时间延迟(TS0 = TS1 = GND引脚)。因此,每个MAX6575L将I/O线拉低(T1)之前的延迟和它保持I/O低的间隔都等于5Tµs,其中T为温度,单位为°K。

图5 即使设置相同的时间延迟来测量可互换卡上的温度,连接到单个I/O线的多个max6575也可以指示系统中最冷和最热的板的温度
如图4所示,当几个max6575l连接在一起时,温度最低的传感器将首先拉低I/O。这个动作产生一个T1值,与最冷的MAX6575的温度成正比。最热的MAX6575将是最后一个释放I/O(时间T2),在开始脉冲下降沿10Tµs之后。通过测量T1和T2,µC可以计算出最热和最冷卡的温度。
如果您只需要指示卡温度超过其阈值,可能是为了打开风扇,MAX6501系列设备提供了一个简单的解决方案。MAX6501“热开关”是一种具有出厂设置阈值的温度比较器,可在-45°C至+115°C的10°C增量范围内使用。当模具温度超过这个预设阈值时,它的开漏输出变得活跃。
例如,在卡架中,每个卡将包含一个或多个MAX6501,所有MAX6501输出连接到公共输出线。如果任何卡超过其温度限制,它将拉低输出线,打开风扇或启动一些其他动作来降低卡的温度(图6). 由于开路漏极输出连接在一起,当任何卡高于其跳闸温度时,它们会产生“过温”信号。这种布置也可以在一块电路板上监测多个温度。MAX6501采用5引脚SOT23封装,适用于板装应用;采用7引脚to -220封装,适用于需要安装到散热器或机箱的应用。

图6 当单独的地址不实用时,就像在这个系统中有多个可互换的卡,您可以使用像MAX6501这样的热比较器来监控多个温度。普通THERM节点显示“Low”,表示至少有一块卡的温度超过阈值
到目前为止所讨论的传感器都是测量自身温度的。另一类传感器测量远程PN结的温度,该PN结可以是分立晶体管的一部分,也可以是高功率IC(如高速μ P)的一部分。这种安排允许在IC上直接测量温度,只有在不寻常的条件下才可能遇到热问题,例如空气路径受阻。远程结温度传感器(MAX1617/MAX1619)在许多系统中用于此目的。它们的工作原理是迫使两种不同的电流水平通过感测结,并测量每种情况下的电压。两个电流引起的正向电压差与绝对温度成正比。
在具有多个高速,高功率芯片(如多个处理器)的系统中,使用多个远程结传感器的替代方案是使用单个芯片测量多个远程结(图7)。图7中的单个IC (MAX1668)测量四个外部结的温度:2µp,高性能图形控制器和一个可感知附近另一个发热IC温度的分立npn晶体管。除了这四个远程结外,MAX1668还可以测量自身温度,以提供本地PC板上的条件指示。

图7 除了自身的模具温度外,这种多结传感器还可测量四个外部pn结的温度
作为一个监控多个温度的单一IC, MAX1668可以实现更高效的设计。因为它驻留在一个地址,而不是独立的传感器芯片所需的多个地址,主控制器可以更容易地读取多个温度或识别故障的位置。多个测量通道共享所需的信号调理电路也降低了系统的成本和尺寸。MAX1668采用大多数远程结传感器常见的16引脚QSOP封装。
系统设计者关心的一个问题是远端结传感器和目标结之间的最大可用距离。然而,影响这个最大值的变量太多了,单个数值答案是没有意义的。在电气安静的环境中,如果串联电阻低于1或2欧姆,远程连接点可以离传感器很远(最多一米)。随着电磁干扰的增加,这段走线长度必须减小。大多数远端结传感器具有良好的噪声抑制能力,但如果走线上的噪声拾取大到足以影响感测结的正向电压,则测量温度将出现误差。对于高速系统而言,谨慎的做法是将迹线长度限制在几英寸以内。
社群二维码
关注“华强商城“微信公众号
Copyright 2010-2023 hqbuy.com,Inc.All right reserved. 服务热线:400-830-6691 粤ICP备05106676号 经营许可证:粤B2-20210308