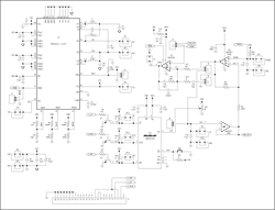
摘要: TEC回路可以使用单位阶跃并记录响应来稳定。要做到这一点,增益必须降低到电路稳定的程度。MAX8520/21 EV套件将用于演示。
移除三个积分器组件(C16、C17和R16)和两个差分组件(R18和C18)。在运放上放置一个500k欧姆或更大的电位器(输出到反馈)。这就形成了一个只有直流增益的误差放大器。将示波器探头放在THERM测试点上,用R23快速改变温度设定点。用安装的电位器提高增益,直到从瞬态步进观察到强烈的振铃或振荡。注意不稳定(环)的频率。
请注意,tec在加热模式下具有更强的热增益,这对于瞬态响应来说应该是最坏的。通常振铃是由TEC中第二极的相位裕度差引起的,可以用PID的差分分量(R18和C18)来补偿。微分器能够增加多达90度的超前相移。以计算差分分量为例,如果振铃为2Hz, R17为50k欧姆,则微分器应从0.3Hz开始加相,到12Hz结束。
因此,要在0.3Hz启动微分器:

以10Hz结束微分器:

重新安装C18和R18后,调整电位器以获得最佳瞬态。一旦有了良好的瞬态响应,就可以添加积分帽(C16)。C16将积分器设置为零。这个零点应该与TEC模块的第一极匹配,通常为0.02Hz到0.06Hz。
因此:

通常环路增益足够高,积分器插入的零的频率不需要精确。C16应该是陶瓷的,较小的电容器对电路性能更好。
环路增益应以至少比差分高两倍的频率滚转。在本应用笔记中的示例中,这将是24Hz或更高。C17滚出回路增益,其值可以使用:

可能有必要对所有电路值进行缩放,直到找到实际的元件。请注意,在加热模式下(冷却环境),有较高的热回路增益,这是稳定性最差的情况。

| 指定 | 数量 | 描述 |
| C1 c2 c3 c5 c11 c20 | 6 | 1µF±10%,6.3V X5R(0603)陶瓷电容器Murata GRM188R60J105K,Taiyo Yuden JMK107BJ105KA |
| C4 c10 c16 | 3. | 10µF±20%,6.3V X5R(0805)陶瓷电容器Taiyo Yuden JMK212BJ106MG |
| C6 c7 c12 c13 c14 | 5 | 0.1µF±10%,25V X5R(0603)陶瓷电容器Murata GRM188R71E104K,Taiyo Yuden TMK107BJ104KA |
| C8 | 1 | 0.047µF±10%,10V X7R(0402)陶瓷电容器Murata GRP155R71A473K |
| 制备过程 | 0 | 未安装(1206) |
| C15 | 0 | 未安装(0603) |
| C17 | 1 | 0.022µF±10%,50V X7R(0603)陶瓷电容器Murata GRM188R71H223K |
| C18 | 1 | 10µF±20%,4V X5R(0603)陶瓷电容器TDK C1608X5R0G106M |
| C21 | 1 | 150µF±20%,6.3V, 18m ESR, 2.8A, D2E尺寸,POSCAP三洋6TPE150MI |
| j - 1 | 1 | DB25公直角连接器 |
| J2 | 1 | 2-pin头 |
| J3-J6 | 0 | 没有安装 |
| J7, J8 | 2 | 3头 |
| L1, L2 | 2 | 2.2mH, 1.6A电感Sumida CDRH2D18/HP-2R2 |
| Q1 q2 q3 | 3. | npn双极晶体管,40V, SOT-23 Central Semiconductor CMPT3904 |
| R1 | 1 | 0.1欧姆±1%,0.25W(1206)感测电阻松下ERJ8RSFR10 |
| R3 | 1 | 47k欧姆±5%(0402)电阻 |
| R4 | 1 | 100k欧姆±1%(0402)电阻 |
| R5-R8,: R24 | 0 | 未安装(0402) |
| R9 r10 r11 | 3. | 4.7k欧姆±5%(0603)电阻 |
| R12-R15, R18 | 5 | 1k欧姆±5%(0603)电阻 |
| R16 | 1 | 240k欧姆±5%(0603)电阻 |
| R17 | 1 | 47k欧姆±1%,(0603)电阻 |
| R19 | 1 | 10欧姆±5%(0603)电阻 |
| R20 | 1 | 10k欧姆±0.1%,25ppm/°C(0805)电阻松下ERA6YEB103 |
| 一下R21, R22 | 0 | 未安装(0603) |
| R23 | 1 | 10k欧姆电位器(多匝) |
| SW1 | 1 | 开关,瞬时,NO |
| U1 | 1 | 电源驱动器,36针UCSP MAX8521EBX |
| U2 | 1 | 运算放大器,6针SOT23 MAX4238AUT-T |
| U3 | 0 | 未安装,8针SO |
| 的愉快 | 1 | 串行,14位DAC, 10引脚mMAX MAX5144EUB |
| 数量 | 描述 | E数量 |
| 1 | 盒子(标有EV套件部件号和日期代码)9.25英寸x 7.25英寸x 1.0125英寸TTM纯牛皮纸 | N/A |
| 1 | 说明Maxim的数据表 | N/A |
| 1 | 防静电袋,未密封(尺寸足够,便于拆卸电路板组件) | N/A |
| 1 | 防静电泡沫包装材料(防止PC板在盒内移动) | N/A |
| 1 | MAX8520 / 21软件盘 | N/A |
| 1 | MAX8521EVKIT电路板组件 | N/A |
社群二维码
关注“华强商城“微信公众号
Copyright 2010-2023 hqbuy.com,Inc.All right reserved. 服务热线:400-830-6691 粤ICP备05106676号 经营许可证:粤B2-20210308