摘要: 应用说明398是一份设计指南,其中包含设计人员为使用达拉斯半导体T3、E3或STS-1线路接口单元(liu)的电信设备构建网络接口电路所需的所有信息。网络接口是系统中通过同轴电缆与其他电信设备连接的部分。主要关注的是需要过压/过流保护的建筑物间连接。在电信电路中经常需要保护,以防止雷击或电力线交叉事件造成的损坏。应用说明以受保护的网络接口的一般概述和各种规格测试程序的列表开始。接下来是一个用于金属保护的示例电路以及元件选择指南。由于传输线的外导体是接地的,所以只需要对金属型浪涌提供解决方案。本设计指南将使设计人员在设计电信设备的网络接口时能够满足严格的规范要求。
T3,、E3和STS-1线路主要用于建筑内部应用,用于连接设备。虽然建筑物内线路的雷击和电力线交叉的潜在危险本质上比外部运行的线路(如T1)要小,但各种电信标准组织已经建立了建筑物内线路的浪涌保护要求。对于满足这些要求的线路接口设计,必须使用保护网络来引导高压和电流远离敏感的低压CMOS器件。
防雷网络分为初级和次级两类。主要保护通常由气体排放管或碳块提供,这些气体排放管或碳块位于管道进入房屋的位置。由于初级保护只限制电压浪涌到1000V(峰值)和电源线交叉到600V(RMS),次级电压保护也是必要的。二级保护提供额外的电压和电流限制,以保护LIU免受损坏。
纵向(共模)喘振类型是从叶尖到地或从环到地,而金属(差分)喘振类型是在叶尖和环之间。纵向浪涌是由进入电缆导电屏蔽层的雷电电流在尖端和环形导体上形成的。因为T3/E3/STS-1电缆的外导体是接地的,所以只需要防止金属浪涌。
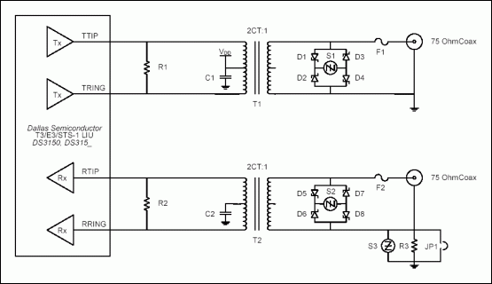
图1是Dallas Semiconductor推荐的用于建筑物内T3/E3/STS-1应用的金属浪涌抑制电路。本电路的设计要求如表1所示。
| 测试 | 电压 | 电流(Amp) | 持续时间 |
| Telecordia gr - 1089核心 | |||
| 雷击浪涌试验 | 800 v(峰值) | One hundred. | 2 × 10µs |
| 交流电源测试 | 120 v (RMS) 60赫兹 | 25 | 15分钟 |
| UL 60950(原UL 1950) | |||
| 交流电源测试 | 600V(有效值)60hz | 40 | 5秒 |
| 交流电源测试 | 600V(有效值)60hz | 7 | 5秒 |
| 交流电源测试 | 600V(有效值)60hz | 2.2 | 30分钟 |
| ITU-T K.20 | |||
| 雷击浪涌试验 | 1000 v(峰值) | 25 | 10 × 700µs |
| 交流电源测试 | 600 v (RMS) | 2 | 200毫秒 |
| ITU-T K.21 | |||
| 雷击浪涌试验 | 1000 v(峰值) | 25 | 10 x 700µs |
| 交流电源测试 | 600 v (RMS) | 2 | 200毫秒 |
| 交流电源测试 | 230 v (RMS) | 23 | 15分钟 |
| 交流电源测试 | 230 v (RMS) | 1.15 | 15分钟 |
| 交流电源测试 | 230 v (RMS) | 0.38 | 15分钟 |
| TIA/EIA-IS-968(原FCC Part 68) | |||
| 雷击浪涌试验 | 800 v(峰值) | One hundred. | 10 × 560µs |
| 雷击浪涌试验 | 1000 v(峰值 ) | 25 | 9 × 720µs |

图1所示、推荐用于T3/E3/STS-1的金属浪涌保护电路
注1:
从变压器到网络接口的布局至关重要。走线宽度至少为25mils,与其他线路之间至少间隔150mils。
注2:
从变压器到设备和变压器到网络连接器的走线阻抗应与75欧姆或300欧姆的线路阻抗相匹配。
用于保护的三个主要部件是保险丝、晶闸管和二极管。熔断器保护变压器不受大电流情况的影响,如电源线交叉。典型的熔断器对于不同的浪涌轮廓具有100A以上的额定浪涌电流。表2中的熔断器通过2 × 10µs、10 × 160µs、10 × 560µs和10 × 1000µs的浪涌不开。晶闸管是一种固态撬棍装置,当器件两端的电压超过开关电压时,从开路状态变为短路状态。晶闸管保持在短路状态,直到流过器件的电流低于设定的保持电流。在短路状态下,过量电流被路由到地,从而阻止它损坏LIU设备。晶闸管不能直接连接在针尖和环之间,因为它的电容大到足以扭曲T3/E3/STS-1信号。二极管从尖端/环差分对去除晶闸管电容,同时仍然允许晶闸管执行其撬棍功能。
| 组件 | 描述 | 部分 | 供应商 | 笔记 |
| D1-D8 | 超快功率整流器 | MURS160T3 | 在半导体 | 表面装配 |
| MUR1100E | 在半导体 | 通孔 | ||
| F1, F2 | 慢烧保险丝 | SMP 1.25 | 贝尔保险丝 | |
| 慢烧保险丝 | F1250T | Teccor电子 | ||
| C1, C2 | 0.05µF, 5% Tol, 10V | 钡镁合金 | ||
| R1, R2 | 330欧姆, 1% TOl, 1/8W | 威世 | ||
| R3 | 50欧姆, 1% Tol, 1/8W | 威世 | ||
| S1, S2 | 77V最大瞬态抑制器 | P0640SC MC | Teccor电子 | |
| S3 | 6V最大瞬态抑制器 | P0080SC MC | Teccor电子 | |
| T1, T2 | 变压器1:2CT | pe - 65968 | 脉冲工程 | 表面装配 |
| pe - 65969 | 脉冲工程 | 通孔 | ||
| tg07 - 0206东北 | 光环电子 | 表面装配 | ||
| td07 - 0206东北 | 光环电子 | 通孔 |
| 供应商 | 电话 | 传真 | 网站 |
| 贝尔保险丝公司 | (201) 432 - 0463 | (201) 432 - 9542 | www.belfuse.com |
| 光晕电子有限公司 | (650) 903 - 3800 | (650) 903 - 9300 | www.haloelectronics.com |
| 脉冲工程公司 | (858) 674 - 8100 | (858) 674 - 8262 | www.pulseeng.com |
| Teccor电子 | (972) 580 - 7777 | (972) 550 - 1309 | www.teccor.com |
社群二维码
关注“华强商城“微信公众号
Copyright 2010-2023 hqbuy.com,Inc.All right reserved. 服务热线:400-830-6691 粤ICP备05106676号 经营许可证:粤B2-20210308