摘要: IC驱动多达四个单线圈闭锁继电器
单线圈锁定继电器在信号路由、音频、汽车系统类的应用中经常被使用。由于线圈电流需要在同一个线圈中双向传输,因此在继电器的两个状态间对其进行驱动成为一个设计难题。
单线圈锁定继电器在信号路由、音频、汽车系统类的应用中经常被使用。由于线圈电流必须要在同一个线圈中双向传输(图1),使这类设计成为一个难题。电流由引脚8流向1时,继电器被锁定到复位状态;电流由引脚1流向8时,继电器被锁定到置位状态。即使撤去线圈电流,继电器仍保持被锁定的状态。继电器锁定后撤去电流可节省大量电能。

图1. 单线圈中的电流将相应的继电器锁定到SET或RESET状态
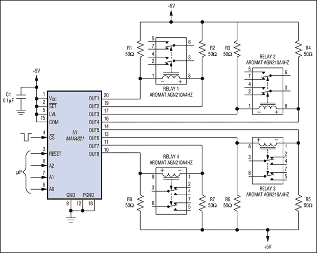
一个最多能驱动四个单线圈锁定继电器的简单电路(图2)包括:一个带漏极开路输出(图3)和感应反冲保护的并行接口继电器驱动器(U1)。只需开启相应的输出(OUTX),即可将四个继电器中的任何一个锁定到置位或复位状态。/CS被置为高电平时,将数字地址加载到引脚A2至A0以选择相应的输出。触发/CS即可激活输出(图4)。

图2. 此电路可容易地驱动四个单线圈锁定继电器

图3. 此为图2所示电路8个漏极开路输出中的两个

图4. 图2所示电路激活输出的接口时序
电流流入使能的漏极开路输出,并根据线圈电流的方向将继电器锁定在置位或复位状态。一旦继电器锁定就应将/RESET置为低电平,以关闭所有使能的漏极开路输出,节省功耗。置位/复位操作时序如图4所示。在拉低/RESET前应确保足够的时间(t(SET/RESET))。最后一个/CS触发后等待t(SET/RESET),以保证继电器能够正确地被锁定到指定状态。
每个OUTX引脚处的钳位二极管能够钳制线圈电流中断时的瞬时高压。如图2所示,那些二极管将OUTX端的电压钳制在V(CC) - 0.7V。
类似的文章出现在2004年2月的EET上。
社群二维码
关注“华强商城“微信公众号
Copyright 2010-2023 hqbuy.com,Inc.All right reserved. 服务热线:400-830-6691 粤ICP备05106676号 经营许可证:粤B2-20210308