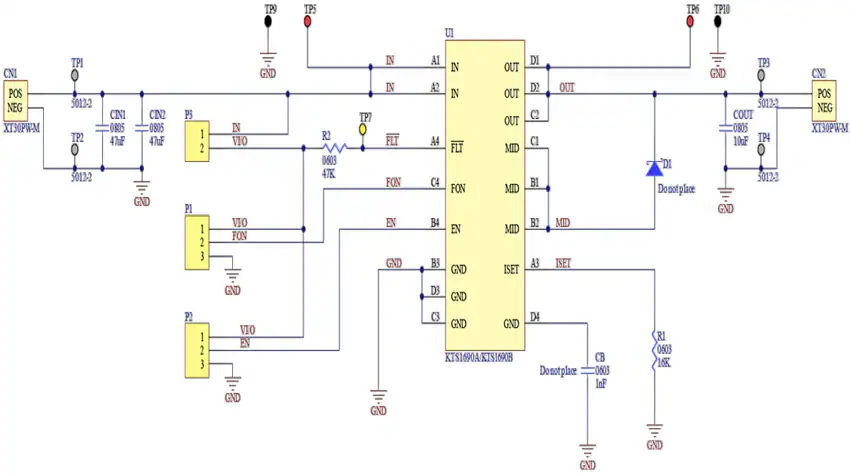
摘要: Kinetic Technologies KTS1690A评估套件旨在演示和评估KTS1690A低阻负载开关的功能、性能和PCB布局。该套件包括一个完全组装和测试的PCB,安装了KTS1690A IC,两对大电流xt30到banana电源线,以及快速入门指南。
Kinetic Technologies KTS1690A评估套件旨在演示和评估KTS1690A低阻负载开关的功能、性能和PCB布局。该套件包括一个完全组装和测试的PCB,安装了KTS1690A IC,两对大电流xt30到banana电源线,以及快速入门指南。典型的应用包括笔记本、超级本、台式电脑、智能手机、平板电脑、游戏机、机顶盒、网络和任何USB I(SOURCE)端口。
-0.3V ~ 6V输入耐压范围
2.5V ~ 5.5V输入工作电压范围
-0.3V至29V输出耐压范围
1.5V至5.5V VIO工作电压范围
0 ~ 3.7A输出负载电流
笔记本电脑
Ultra-books
台式电脑
智能手机
平板电脑
游戏控制台
机顶盒
网络
USB I(SOURCE)接口
1 x KTS1690A评估完全组装的PCB
2根xt30转banana电源线,红黑对
1 ×防静电包装袋
1 x快速启动指南
1个eval工具箱


社群二维码
关注“华强商城“微信公众号
Copyright 2010-2023 hqbuy.com,Inc.All right reserved. 服务热线:400-830-6691 粤ICP备05106676号 经营许可证:粤B2-20210308