摘要: 从高输入电压源或从受高压瞬变影响的输入轨进行调节。
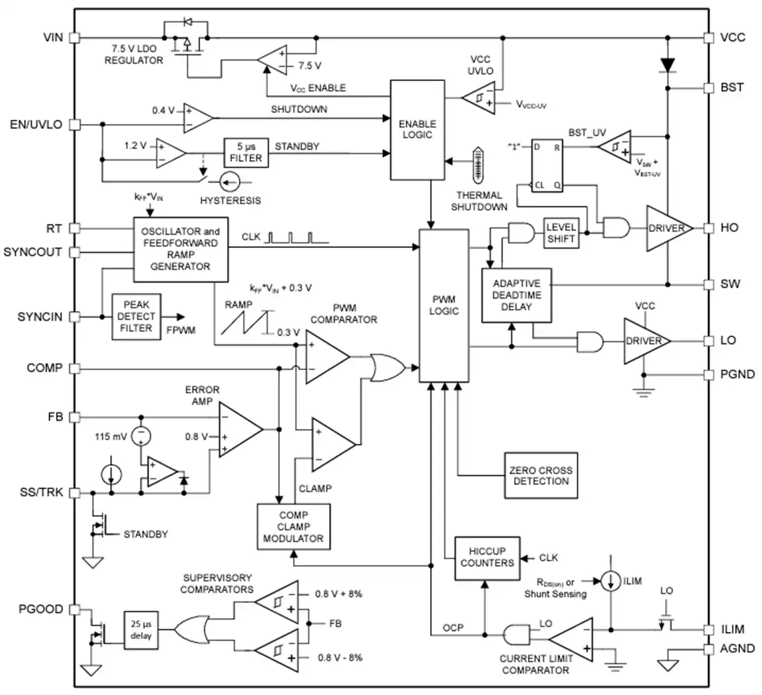
德州仪器LV5144 95V同步降压控制器从高输入电压源或受高压瞬变影响的输入轨进行调节,最大限度地减少了对外部浪涌抑制组件的需求。高侧开关最小导通时间为45ns,具有较大的降压比,可实现从48V标称输入到低压轨的直接降压转换,从而降低系统复杂性和设计成本。LV5144在输入电压低至6V的情况下继续工作,如果需要,其占空比接近100%,是高性能工业控制、机器人、数据通信和射频应用的绝佳选择。
强制pwm (FPWM)操作消除了开关频率变化,以最大限度地减少EMI,而用户可选择的二极管仿真降低了轻负载条件下的电流消耗。可调开关频率高达1MHz,可以同步到外部时钟源,以消除噪声敏感应用中的拍频。
设备温度等级1(环境温度范围-40℃~ +125℃)
通用同步降压DC/DC控制器
6V至95V宽输入电压范围
最高结温125°C
0.8V基准,反馈精度±1%
输出电压0.8V ~ 60V可调
45ns t(ON(min))用于高V(IN)/V(OUT)比
145ns t(OFF(min))为低落差
无损R(DS(on))或分流电流传感
优化CISPR 11和CISPR 32 B类EMI要求
100kHz至1MHz切换频率
同步输入和同步输出能力
可选二极管仿真或FPWM
标准V(TH) mosfet的7.5V栅极驱动器
14ns自适应死区控制
2.3A源和3.5A吸收能力
固有的保护功能,坚固的设计
可调输出电压软启动
打嗝模式过流保护
输入带滞后的UVLO
V(CC)和栅极驱动UVLO保护
精确使能输入和开漏PGOOD指示器,用于测序和控制
带滞后的热停机保护
带可湿侧翼的20针VQFN封装
无线基础设施,云计算
工业电机驱动,测试和测量
个人交通工具:电动自行车
资产跟踪和车队管理系统
非隔离PoE, IP摄像机
反转降压升压调节器

社群二维码
关注“华强商城“微信公众号
Copyright 2010-2023 hqbuy.com,Inc.All right reserved. 服务热线:400-830-6691 粤ICP备05106676号 经营许可证:粤B2-20210308