摘要: 评估AD2437 A2B收发器的各种外设。
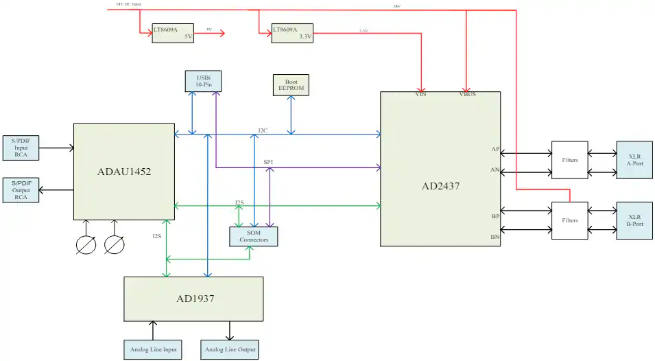
Analog Devices公司EVAL-AD2437评估板评估AD2437 A2B收发器外设。EVAL-AD2437A1NZ单板作为LPS (Main node)或Local Powered Sub (Local power Sub)节点,可连接到Main Nodes、LPS Nodes或BPS (Bus-Powered Sub)节点。EVAL-AD2437B1MZ专门用作总线供电子(BPS)节点。两款板都兼容SigmaStudio+,便于图形化开发。SigmaStudio+利用USB-to-I(2)C/SPI桥接(USBi, EVAL-ADUSB2EB),使PC主机能够控制AD2437 A2B主收发器的I(2)C/SPI信号。该设置支持网络发现、寄存器读取和性能监视。
评估AD2437 A2B收发器的各种外设
EVAL-AD2437A1NZ可以作为主节点或LPS (Local Powered Sub)节点,可以连接到主节点、LPS (Local Powered Sub)节点或BPS (Bus-Powered Sub)节点
EVAL-AD2437B1MZ作为总线供电子(BPS)节点
设计用于使用SigmaStudio+图形开发工具
EVAL-AD2437B1MZ可连接主节点、LPS (Local-Powered Sub)节点或BPS (Bus-Powered Sub)节点
电路板与SigmaStudio+工具一起工作,允许PC主机通过USB-to-I(2)C/SPI桥接器控制AD2437 A2B主收发器的I(2)C/SPI信号,称为USBi (evalu - adusb2eb)
安装程序支持直接发现、控制A2B网络、读取寄存器和性能监视

                        社群二维码
                        关注“华强商城“微信公众号
Copyright 2010-2023 hqbuy.com,Inc.All right reserved. 服务热线:400-830-6691 粤ICP备05106676号 经营许可证:粤B2-20210308