摘要: 轻型电动汽车(lev)的完整BMS参考设计。
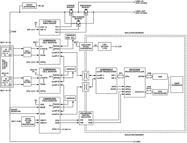
Analog Devices公司AD-BMSE2E3W-SL评估板是用于轻型电动汽车(lev)的完整电池管理系统(BMS)参考设计。该板提供72V至96V的稳压范围,高达100A的电流容量,以及低功率电池监测(LPCM)能力。AD-BMSE2E3W-SL集成单板系统具有ADBMS6830 16单元监视器,ADBMS2950封装电流监视器,ADBMS6822 isoSPI收发器和MAX32690微控制器。该评估板以嵌入式模式或使用GUI通过增强的库仑计数技术计算电池的SoC和健康状态(SoH)。典型的应用包括电动和混合动力两轮车,以及电动和混合动力三轮车。
可变72V至96V电压范围,适用于E2W/E3W应用
符合ASIL-D标准的汽车级BMS芯片
内置充电,预充电和放电电路
1.8mV总测量误差(TME)用于电池电压监测
高性能电池/电池组电压和电流监测
机载isoSPI通信
低功率电池监测(LPCM)能力
GPIO可控FET监控
ADBMS6830 GPIO输入准备NTC传感器
低功耗MAX32690 MCU
UART和CAN通信
通过增强库仑计数技术测定SOC和SOH
E2W/E3W基本系统行为模式
嵌入式应用程序就绪(通过CLI)
具有GUI,能够进行以下测量和故障检测:
细胞监测
电压和电流包监测
充电电流监测
放电电流监测
温度监控
细胞OV/UV检测
Cell/GPIO开线检测
细胞平衡
电动和混合动力两轮车
电动和混合动力三轮车
轻型电动车
1x AD-BMSE2E3W-SL(主板)
2x电池连接器块
2个DC2472A电池模拟器
1x MAX32625PICO编程器,带10针SWD电缆
4x USB B型电缆
1个BU-P1166-12-2(红色)香蕉插头到鳄鱼夹
1个BU-P1166-12-0(黑色)香蕉插头到鳄鱼夹
主机PC运行Microsoft Windows 10

社群二维码
关注“华强商城“微信公众号
Copyright 2010-2023 hqbuy.com,Inc.All right reserved. 服务热线:400-830-6691 粤ICP备05106676号 经营许可证:粤B2-20210308