电子元器件产业互联网平台
一站式电子元器件采购平台
元器件移动商城,随时随地采购
半导体行业观察第一站!
专注电子产业链,坚持深度原创
电子元器件原材料采购信息平台
自六十年代引入T载波以来,T载波和E载波网络走过了一个漫长的发展道路,今天,设计人员会看到越来越多的功能被集成到T1/E1/J1单片收发器(SCT)内,本文对这些器件作了介绍。
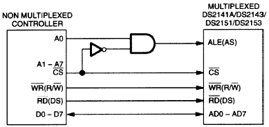
应用说明描述了如何将非多路总线处理器连接到以下达拉斯半导体T1或E1帧和单片收发器:DS2141A、DS2143、DS2151或DS2153。
Copyright 2010-2023 hqbuy.com,Inc.All right reserved. 服务热线:400-830-6691 粤ICP备05106676号 经营许可证:粤B2-20210308
登录
请问您是:
采购商 工程师 在校学生 其他
您希望看到什么内容:
电子资讯 技术文章 PDF资料 电子论文 其他