电子元器件产业互联网平台
一站式电子元器件采购平台
元器件移动商城,随时随地采购
半导体行业观察第一站!
专注电子产业链,坚持深度原创
电子元器件原材料采购信息平台
[导读] 电动机转速控制电路
摘要多数用到直流-直流转换器或电机变频器的产品设备必须对市电交流电压进行整流处理,例如,大多数工业设备(电机转速控制器、充电器、电信系统电源等)和常见的消费电子产品(白色家电、电视、计算机等)。传统二极管整流桥是最常用的交流电压整流解决方案。整流桥后面经常会增加一个功率因数控制器,以确保市电电流的...
[导读] 该方案基于Atmega128单片机和无线通信技术设计,其创新点是采用了PC控制模式和单兵运行模式两种方式对无人车进行控制,极大地增强了无人车的功能性和环境适应能力。
[导读] 顺次双定时控制电路 本电路可对两个开关进行顺次定时控制,控制时间可以从几秒到几十分内随意调节;若用于正反向往复运动的机械控制,可使电动机
日前,德州仪器 (TI) 宣布推出两款面向可编程逻辑控制 (PLC) 与数据采集应用的最新双极性 12 位 1 MSPS 逐次逼近寄存器 (SAR) 模数转换器 (ADC)。该 4 通道 ADS8634 与 8 通道 ADS8638支持最宽泛的温度,可充分满足高达 125 度的苛刻工业测量应用需求...
[导读] 在该电路工作时,合上刀开关QK,接通三相电源。按下起动按钮SB,接触器线圈KM得电,串在主电路中的3个主触头KM闭合,接通电源,电动机转动;松开起动按钮SB,接触器线圈KM断电,其
[导读] 按时间的自动循环控制电路
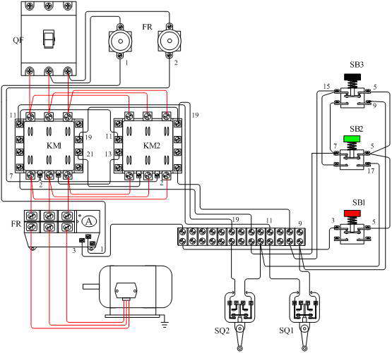
[导读] 电动机可逆带限位控制电路实物接线图
[导读] 生产机械行程控制电路
[导读] 硬件电路设计上采用DSP 芯片和外围电路构成速度捕获电路,电机驱动控制器采用微控制芯片和外围电路构成了电流采样、过流保护、压力调节等电路,利用CPLD实现无刷直流电机的转子位置信号的逻辑换相。赛车刹车控制器是由防滑控制器和电机驱动控制器组成。
Nuvoton推出集成了Pro-X FXS所有AFE功能的SLCC,N681622电话线路控制电路(SLCC) 在单个封装内集成了单通道FXS所需的所有AFE晶体管。该芯片通过集成分立AFE元器件,降低整体元器件数量达30%,在包括挂机状态在内的所有状态下降低功耗,改善20+%。N681622采用...
[导读] 本文采用完全集成混合信号片上系统(MCU)的C8051F330和无线收发器CC2500设计了一套移动电话防盗报警系统。该报警系统利用射频收发器可实现近距离的信息传输。移动电话防盗报警系统利用高度集成C8051F330器件和RF通讯器件CC2500实现了移动电话与用户的实时通讯,有效地防止了移动电话的丢失和防盗窃。
Copyright 2010-2023 hqbuy.com,Inc.All right reserved. 服务热线:400-830-6691 粤ICP备05106676号 经营许可证:粤B2-20210308
登录
请问您是:
采购商 工程师 在校学生 其他
您希望看到什么内容:
电子资讯 技术文章 PDF资料 电子论文 其他