一站式电子元器件采购平台

华强商城公众号

一站式电子元器件采购平台

元器件移动商城,随时随地采购

华强商城M站

元器件移动商城,随时随地采购

半导体行业观察第一站!

芯八哥公众号

半导体行业观察第一站!

专注电子产业链,坚持深度原创

华强微电子公众号

专注电子产业链,
坚持深度原创

电子元器件原材料采购信息平台

华强电子网公众号

电子元器件原材料采购
信息平台

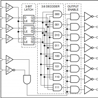
德州仪器SN74HCS137-Q1 3-to-8线路解码器/解复用器的介绍、特性、及应用

来源:HQBUY 发布时间:2021-08-02

摘要: 德州仪器SN74HCS137-Q1 3-to-8线路解码器/解复用器是一个3- 8解码器,具有锁存地址位,一个低活动输出使能,一个标准输出使能。德州仪器SN74HCS137-Q1设备是AEC-Q100合格的汽车应用。特性AEC-Q100有汽...

德州仪器SN74HCS137-Q1 3-to-8线路解码器/解复用器是一个3- 8解码器,具有锁存地址位,一个低活动输出使能,一个标准输出使能。德州仪器SN74HCS137-Q1设备是AEC-Q100合格的汽车应用。


特性

  • AEC-Q100有汽车应用资格
    • 设备温度等级1:-40°C至+125°C, T(A)
    • 设备HBM ESD分级为2级
    • Device CDM ESD分类等级为C6
  • 2V至6V宽工作电压范围
  • 施密特触发器输入允许缓慢或嘈杂的输入信号
  • ±7.8mA输出驱动器在6V
  • -40°C到+125°C, T(A)扩展环境温度范围
  • 低功耗
    • 典型I(CC)为100nA
    • 典型输入漏电电流为±100nA

应用程序

  • 具有共享数据总线的存储器设备选择
  • 减少芯片选择应用程序所需的输出数量
  • 路由数据

原理框图


声明:本文观点仅代表作者本人,不代表华强商城的观点和立场。如有侵权或者其他问题,请联系本站修改或删除。

社群二维码

关注“华强商城“微信公众号

调查问卷

请问您是:

您希望看到什么内容: