摘要: 系列6A, 9A, 12A和15A降压DC/DC变换器与差分遥感。
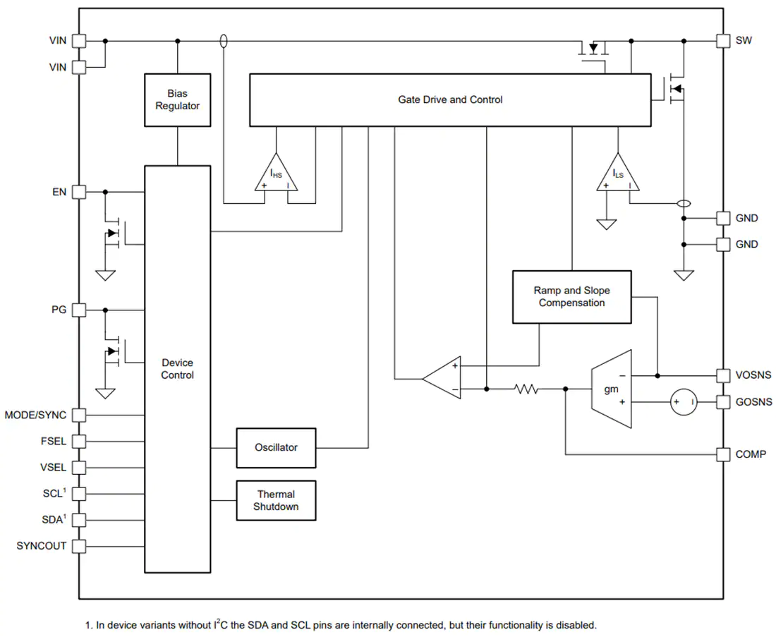
德州仪器TPS6287x-Q1同步降压转换器是带差分遥感的引脚对引脚6A、9A、12A和15A降压DC/DC转换器系列。每个当前评级提供了具有I(2)C接口的全功能设备变体和没有I(2)C接口的功能有限的设备变体。所有设备提供高效率和易于使用。低电阻电源开关允许在高温环境下高达15A的连续输出电流。每个设备可以在堆叠模式下工作,以提供更高的输出电流。该设备还可以用于分散多个设备的功耗。
德州仪器TPS6287x-Q1系列实现了增强的DCS控制方案,支持固定频率操作的快速瞬变。器件在省电模式下工作以获得最高效率,或在强制pwm模式下工作以获得优异的瞬态性能,并具有最低的输出电压纹波。可选的遥感功能,最大限度地在负载点电压调节。该设备在所有条件下都能实现优于±1%的直流电压精度。开关频率可通过FSEL引脚电阻选择。开关频率可设置为1.5MHz、2.25MHz、2.5MHz或3.0MHz,或同步到相同频率范围的外部时钟。
I(2) c兼容接口提供了多种控制、警告和监控功能。其中包括电压监测和与温度相关的警告。通过I(2) c兼容接口,可以调整输出电压,使负载的功耗快速适应应用程序的性能需求。默认启动电压是通过VSEL引脚电阻可选的。
AEC-Q100适用于汽车应用
-40℃~ +125℃,T(A)温度等级1
功能性Safety-Capable
可用文件来帮助功能安全系统设计
2.7V ~ 6V输入电压范围
6A, 9A, 12A和15A系列的pin-to-pin兼容器件
四个输出电压范围
0.4V至0.71875V, 1.25mV步长
0.4V到1.0375V在2.5mV的步骤
0.4V到1.675V在5mV的步骤
0.8V到3.35V在10mV的步骤
输出电压精度±1%
7毫欧和4.5毫欧内部功率mosfet
外部补偿可调
电阻可选启动输出电压
电阻可选开关频率
省电或强制pwm操作
I(2) c兼容接口高达1MHz
差分遥感
可选的堆叠操作,增加输出电流能力
热警报和热停机
精确启用输入
有源输出放电
可选扩频时钟
具有窗口比较器的功率良好输出
可用2.55mm × 3.55mm × 1mm VQFN包装,可湿侧翼
-40°C至150°C结温,TJ
信息娱乐和集群
ADAS
FPGA, ASIC和数字核心供应
DDR存储器

社群二维码
关注“华强商城“微信公众号
Copyright 2010-2023 hqbuy.com,Inc.All right reserved. 服务热线:400-830-6691 粤ICP备05106676号 经营许可证:粤B2-20210308