摘要: 本文将讨论运算放大器和内放设计中一些最常见的应用问题,并提出实用的解决方案。
与分立半导体组件相比,现代运算放大器(运放)和仪表放大器(内放)为设计人员提供了巨大的好处。许多聪明的,有用的,诱人的电路应用程序已经出版。但是,在匆忙组装电路的过程中,往往会忽略一些非常基本的问题,从而导致电路不能按预期工作——或者根本不能工作。本文将讨论一些最常见的应用程序问题,并提出实用的解决方案。
最常见的应用问题之一是在交流耦合的操作或仪表放大器电路中,无法为偏置电流提供直流返回路径。在图1中,电容与运放的非反相(+)输入串联,以交流耦合,这是一种阻挡与输入电压(V(In))相关的直流电压的简单方法。这在高增益应用中尤其有用,在高增益应用中,放大器输入端即使很小的直流电压也会限制动态范围,甚至导致输出饱和。然而,电容耦合到一个高阻抗输入,不提供直流路径的电流流过+输入,将导致麻烦!

实际发生的情况是,输入偏置电流将流过耦合电容器,对其充电,直到超过放大器输入电路的共模额定电压或输出被驱动到极限。根据输入偏置电流的极性,电容器将向正电源电压充电或向负电源充电。偏置电压被放大器的闭环直流增益放大。
这个过程可能需要很长时间。例如,具有场效应晶体管(FET)输入的放大器,具有1pa偏置电流,通过0.1 μ f电容耦合,则充电速率I/C为10(-12)/10(-7)= 10 μV/s,即600 μV/分钟。如果增益为100,输出将以每分钟0.06 V的速度漂移。因此,偶然的实验室测试(使用交流耦合示波器)可能不会检测到这个问题,并且电路直到几小时后才会出现故障。显然,完全避免这个问题是非常重要的。

图2显示了这个非常常见问题的简单解决方案。在这里,一个电阻连接在运算放大器输入和地之间,为输入偏置电流提供路径。为了最小化由输入偏置电流引起的偏置电压,当使用双极运算放大器时,它们会相互跟踪,R1通常被设置为等于R2和R3的并联组合。
但是,请注意,该电阻将始终向电路中引入一些噪声,因此将在电路输入阻抗,所需输入耦合电容的大小和电阻增加的约翰逊噪声之间进行权衡。典型的电阻值通常在100,000欧姆到1mohm之间。
类似的问题也会影响仪表放大电路。图3显示了使用两个电容进行交流耦合的放大器内电路,不提供输入偏置电流返回路径。这个问题在使用双电源(图3a)和单电源(图3b)的仪表放大器电路中很常见。

如图4所示,如果在变压器二次回路中没有提供直流回地路径,变压器耦合也会出现问题。

这些电路的简单解决方案如图5和图6所示。在这里,高值电阻(R(a), R(B))被添加到每个输入和地之间。这是一种简单实用的双电源放大器电路解决方案。

电阻器为输入偏置电流提供放电路径。在图5a的双电源示例中,两个输入现在都参考地。在5b的单电源示例中,输入可以参考地(V(CM)接地)或偏置电压,通常是最大输入电压范围的一半。
同样的原理也可以用于变压器耦合输入(图6),除非变压器二级具有中心抽头,该抽头可以接地或连接到V(CM)。
在这些电路中,由于电阻和/或输入偏置电流之间的不匹配,会有一个小的偏置电压误差。为了尽量减少这样的误差,第三个电阻,大约(1)/(10)(1)(10)(1)的值(但与差分源电阻相比仍然很大),可以连接在两个放大器输入之间(从而桥接两个电阻)。

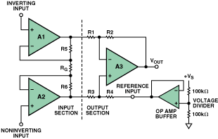
图7显示了一个单电源电路,其中内放驱动单端数字转换器(ADC)。放大器的基准提供对应于零差分输入的偏置电压,ADC基准提供比例因子。在放大器输出和ADC输入之间通常使用一个简单的RC低通抗混叠滤波器来降低带外噪声。设计人员往往倾向于使用简单的方法,如电阻分压器来提供放大器和ADC参考电压。这可能导致某些内插放大器出现错误。

一个常见的假设是,在放大器的参考输入端是在高阻抗,因为它是一个输入。因此,设计人员可能会尝试将高阻抗源(如电阻分压器)连接到内放大器的参考引脚上。这可能会给某些类型的仪器放大器带来严重的错误(图8)。

例如,一种流行的放大器内设计配置使用如上所述连接的三个运放。总的信号增益为

参考输入的增益(如果从低阻抗驱动)是单位。然而,在所示的情况下,内放大器的参考引脚直接连接到一个简单的分压器。这使减法电路的对称性和分压器的分频比不平衡。这将降低放大器的共模抑制和增益精度。然而,如果R4是可访问的,那么它的电阻值可以减少的量等于回看到分压器并联腿的电阻(这里50欧姆),电路将表现得好像一个低阻抗电压源等于(在这个例子中)一半的电源电压被施加到R4的原始值上,并且减法器的精度将保持不变。
如果内放作为封闭的单封装(IC)提供,则不能使用这种方法。另一个考虑是分压器中电阻的温度系数应该跟踪R4和减法器中其他电阻的温度系数。最后,这种方法排除了引用可调的可能性。另一方面,如果试图在分压器中使用小的电阻值,以使增加的电阻可以忽略不计,这将增加电源电流消耗并增加电路的耗散。无论如何,这种“蛮力”都不是一种好的设计方法。
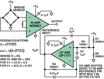
图9显示了一个更好的解决方案,在分压器和内放大器参考输入之间使用一个低功率运算放大器缓冲器。这消除了阻抗匹配和温度跟踪问题,并允许基准易于调节。

一个经常被忽略的考虑是,通过参考输入输入的任何噪声、瞬态或电源电压(V(S))的漂移将直接加到输出中,仅通过分频比衰减。实用的解决方案包括旁路和滤波,甚至可能使用精确的参考IC(如ADR121)产生参考电压,而不是分接V(S)。
在设计带有内放和运放的电路时,这一考虑是很重要的。电源抑制技术用于将放大器与电源嗡嗡声、噪声和电源轨上出现的任何瞬态电压变化隔离开来。这一点很重要,因为许多现实世界的电路包含、连接或存在于提供低于理想电压的环境中。此外,供电线路上的交流信号可以反馈到电路中,放大,并在适当的条件下,刺激寄生振荡。
现代运算放大器和内放都提供大量的低频电源抑制作为其设计的一部分。这是大多数工程师认为理所当然的事情。许多现代运放和内放的PSR规格为80 dB至100 dB以上,将电源变化的影响降低了10,000至100,000倍。即使是相当适中的PSR规格为40 dB,也可以将放大器的电源变化隔离100倍。然而,高频旁路电容器(如图1至图7所示)总是可取的,而且往往是必不可少的。此外,当设计人员在电源轨上使用简单的电阻分压器和运算放大器缓冲器为内放提供参考电压时,电源电压的任何变化都会通过该电路,几乎没有衰减,并直接增加内放的输出电平。因此,除非提供低通滤波,否则IC通常优异的PSR就会丢失。
在图10中,一个大电容器被添加到分压器中,以过滤电源变化的输出并保持PSR。该滤波器的- 3db极点由R1/R2和电容C1并联组合设置。杆子的设置应该比关注的最低频率低大约10倍。

所示的“食谱”值提供了约0.03 Hz的- 3db极频率。R3上的小(0.01 μ f)电容最大限度地降低了电阻噪声。
过滤器需要时间充电。使用食谱值,参考输入处的上升时间是几个时间常数(其中T = R(3)C(f) = 5秒),或者大约10到15秒。
图11的电路提供了进一步的细化。在这里,运算放大器缓冲器作为有源滤波器工作,这允许使用更小的电容器来实现相同数量的电源去耦。此外,有源滤波器可以设计为提供更高的Q,从而提供更快的导通时间。

测试结果:显示元件值,并施加12v,为内放大器提供6v滤波参考电压。采用1-V p-p变换频率的正弦波调制12v电源,将放大器内增益设为1。在这些条件下,随着频率的降低,在VREF或放大器输出处的示波器上没有可见的交流信号,直到大约8 Hz。该电路的测量供电范围为4 V至大于25 V,并将低电平输入信号应用于内放大器。电路接通时间约为2秒。
最后,单电源运放电路需要对输入共模电平进行偏置,以处理交流信号的正、负摆动。当使用分压器从电源轨提供这种偏置时,需要适当的去耦以保持PSR。
一种常见且不正确的做法是使用带有0.1 μF旁路电容的100- khm /100- khm电阻分压器为运放的非反相引脚提供V(S)/2。使用这些值,电源去耦通常不足,因为极频率仅为32 Hz。电路不稳定(“摩托艇”)经常发生,特别是在驱动感应负载时。
图12(非反相)和图13(反相)显示了实现V(S)/2去耦偏置的最佳效果的电路。在这两种情况下,在非反相输入处提供偏置,反馈使反相输入承担相同的偏置,并且单位直流增益也使输出偏置到相同的电压。耦合电容C1将低频增益从BW3向下滚动至1。

如图所示,当使用100 kohm/100 kohm分压器时,一个好的经验法则是使用至少10 μF的C2值来实现0.3 hz - 3db的滚降。100 μF (0.03 hz极)的值应该足以满足几乎所有电路。

社群二维码
关注“华强商城“微信公众号
Copyright 2010-2023 hqbuy.com,Inc.All right reserved. 服务热线:400-830-6691 粤ICP备05106676号 经营许可证:粤B2-20210308