一站式电子元器件采购平台

华强商城公众号

一站式电子元器件采购平台

元器件移动商城,随时随地采购

华强商城M站

元器件移动商城,随时随地采购

半导体行业观察第一站!

芯八哥公众号

半导体行业观察第一站!

专注电子产业链,坚持深度原创

华强微电子公众号

专注电子产业链,
坚持深度原创

电子元器件原材料采购信息平台

华强电子网公众号

电子元器件原材料采购
信息平台

节电模式降低继电器驱动功耗

来源:analog 发布时间:2024-07-23

摘要: 这个应用程序说明讨论了一个继电器驱动设备,内部电源节省电路,有助于降低整体功耗。省电特性允许在“开”状态下显著减少单稳态继电器消耗的功率。在典型应用中,根据所使用的继电器类型,总功耗可以降低5.5%至68.5%。这种特性可用于减少用于供应继电器线圈的电源的尺寸和成本,从而使系统更小,更便宜。

本应用笔记讨论具有内置节电电路、能降低总功耗的继电器驱动器MAX4822/MAX4824。在典型应用中,总节电范围能达5.5%至68.5%,具体数值取决于所使用的继电器类型。节电模式还有助于减小继电器驱动电源的尺寸,降低其成本。综合这些因素,可以使整个系统更小型化、更廉价。

概述

某些设备如电信或者自动测试设备(ATE)常使用多排继电器来几乎无损的切换各种信号。在这些产品中,多个继电器线圈可由单电源供电,该电源必须大到足以同时驱动所有线圈。另外,这些继电器被密集的排布在很小的区域内,设计时必需考虑线圈的功耗。

继电器线圈所需的吸合电压远高于其保持电压。认识到这一点,就有可能设计出一种通过减少线圈驱动电流来节省能耗的电路。本应用笔记讨论一种具有内置节电电路的继电器驱动器件,用于降低整个系统的功耗。

节电设计方法

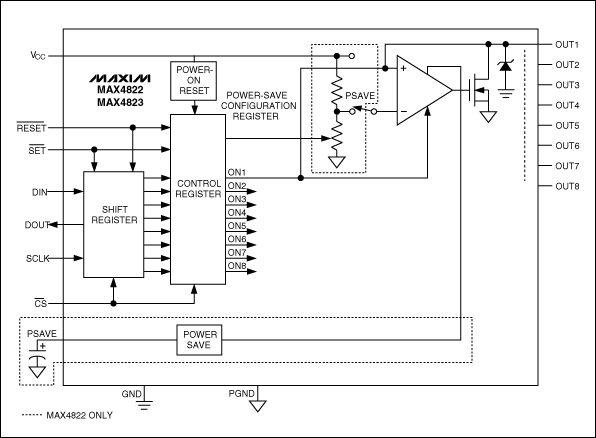
MAX4822/MAX4824  继电器驱动器具有节电特性,可在FET先导通一段时间后降低驱动器电压。最初时输出驱动器为完全饱和导通的FET。经过一段可调延时后,FET上的压降调整为寄存器编程值。该延时可由外部电容设定(图1)。


图1. MAX4822功能框图

节电特性能同时降低继电器线圈功耗和电源功耗。该器件的输出驱动器具有ON和OFF两种状态。

ON状态具有两种不同的状态,被称为“启动状态”和“节电状态”。在启动状态时,输出FET完全饱和导通。经过由PSAVE引脚端电容设定的时延后,器件进入节电状态,此时FET上的压降由控制回路调节。

为了说明节电模式下的节电原理,可以对两种ON模式下的功耗进行比较。假设继电器线圈具有100欧姆直流电阻,系统使用5V电源。图2给出了由理想电感和电阻R(COIL)组成的继电器线圈模型。


图2. FET驱动继电器线圈的模型。线圈模型由理想电感和电阻R(COIL)串联组成。

在启动状态,MAX4822/MAX4824输出电阻最大值为5欧姆。因此功耗可由下式计算:

I(COIL) = 5V/105欧姆 = 47.6mA
P(COIL) = I(COIL)² × R(COIL) = 47.6mA² × 100欧姆 = 0.227W
P(DRIVER) = I(COIL)² × R(DRIVER) = 47.6mA² × 5欧姆 = 0.011W
P(TOTAL_INIT) = 0.238W

节电状态下的功耗分析略有不同。必须首先确定线圈功耗,然后才能确定驱动器功耗。最后将两者简单求和。

在节电状态下,FET输出端电压被调节为电源电压的某一百分值,该电压由内置寄存器设定。这意味着,图2所示电压V(DRIVER)由内部控制回路调节。回到前面所举例子,假设V(DRIVER)为50% (尽管MAX4822/MAX4824的允许范围为10%至70%),则线圈的功耗为:

V(COIL) = 5V- (50% × 5V) = 2.5V
I(COIL_PS) = V(COIL)/R(COIL) = 2.5V/100欧姆 = 0.025A
P(COIL) = 2.5V × 25mA = 0.0625W

要计算驱动器的功耗,切记其电流与线圈电流一样:

I(DRIVER_PS) = 0.025A
V(DRIVER) = 50% × 5V = 2.5V
P(DRIVER) = 0.0625W

P(TOTAL_PS) = 0.125W

节电率 = 1 - P(TOTAL_PS)/P(TOTAL_INIT)

因此,在这本例中,和启动状态相比节电模式减少了约47.5%的功耗。

以下是计算节电能力的另一个公式。注意:一旦电流已知,即获得了计算节电能力所需的信息。

P(TOTAL_PS) = V(CC) × I(COIL_PS)
P(TOTAL_INIT) = V(CC) × I(DRIVER_INIT)

节电率 = 1 - I(COIL_PS)/I(DRIVER_INIT)

该等式解释了节电模式为何能节电:电源电压保持不变,但从电源吸取的电流减小了。

可以很容易的创建一个表格来说明MAX4822/MAX4824各设定值可能的节电效果。在该表格中,V(CC) = 5V,R(DRIVER) = 5欧姆,R(COIL) = 100欧姆,与前文的例子相同。

Driver Setting (n)V(DRIVER)V(COIL)Savings (%)
10%0.504.505.5
20%1.004.0016.0
30%1.503.5026.5
40%2.003.0037.0
50%2.502.5047.5
60%3.002.0058.0
70%3.501.5068.5


可以注意到,节电能力随着驱动器设定值增加而升高。然而,请务必注意对于最高设定值,线圈上的压降仅有1.5V,可能不足以使继电器保持在ON位置。

结论

MAX4822/MAX4824继电器驱动器的节电特性可有效降低单稳态继电器ON状态的功耗。在本文的实例中,总耗电量减小了47.5%。测试表明节电量范围可达5.5%到68.5%,具体数值取决于所使用的继电器类型。该节电特性还有助于降低继电器驱动电源的尺寸和成本,是一种实现小型化、廉价系统的方法。

声明:本文观点仅代表作者本人,不代表华强商城的观点和立场。如有侵权或者其他问题,请联系本站修改或删除。

社群二维码

关注“华强商城“微信公众号

调查问卷

请问您是:

您希望看到什么内容: