摘要: 利用Maxim的CMOS RF前端接收器MAX2742和SONY的GPS基带处理器CXD2932构成完备的GPS方案。
MAX2742是CMOS,单芯片、GPS前端下变频器。这款性能优异的器件只需消耗极低的功率(32兆瓦,2.4 v),并且不需要昂贵的如果看到滤波器和体积庞大的分立如果看到滤波器。MAX2742片内集成了低噪声放大器(放大器),混频器,带通滤波器,自动增益控制放大器(AGC),本振合成器,时钟缓冲器和内部数字采样器。
该器件能够与许多商用GPS基带IC接口,适合多种应用,其中包括:汽车导航,远程信息处理,自动安全监控,资产跟踪,定位服务(磅)及其它消费类电子产品。【中文译文】以下给出了系统框图。
MAX2742工作于18.414 mhz *晶体或TXCO,提供差分或单端* *如果输出(1.023兆赫)。120dB,噪4.5dB。1 .中文翻译:1 .中文翻译:1 .中文翻译:
【中文译文】
*注:18.414 mhz是1.023 mhz的18倍,1.023 mhz是GPS基频10.23 mhz的十分之一。
** ** ** ** ** ** ** ** ** ** ** ** ** ** ** ** ** *
图1GPS射频(射频)表1给出了框图说明,表2给出了级联特性。图2max2742, gps。

图1. 全球定位系统
表1. 【翻译
| 块 | 描述 | 请注意 |
| GPS天线 | 有源GPS天线,一般具有~1.5dB的NF和~20dB的增益 | |
| 采用多次 | MAX2641 / MAX2654 / MAX2655放大器 | 当主动式GPS天线可能不存在时,需要外部LNA。 |
| 射频看到 | 射频带通滤波器中心为1575.42MHz | 射频BPF是抗干扰所必需的 |
| 电源管理 | MAX8510低噪声LDO | |
| 射频下变频器 | MAX2742 | |
| 参考时钟 | 18.414 mhz水晶/ TCXO | |
| DSP | 基带处理器 |
表2. 系统级联特性
| 规范 | 级联的性能 | 请注意 |
| 获得 | 131分贝 | 无有源天线,假设外部LNA增益15dB, BPF损耗3dB,匹配网络损耗1dB |
| 噪声图 | 1.9 db | 无有源天线,假设1.5dB外部LNA NF |
| 电力消耗 | 20马 | 以MAX2744+MAX2654为例 |

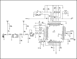
gps、gps、gps、gps、gps、gps、gps、gps、gps、gps。如图3所示,天线电源控制电路、复位电路、延时电路等都是必需的。表3给出了框图说明;表4给出了级联特性。

表3. 系统各部分电路
| 块 | 描述 | 请注意 |
| GPS天线 | GPS天线 | 详细信息请参考射频部分。 |
| 采用多次 | MAX2654放大器 | 详细信息请参考射频部分。 |
| 射频看到 | 射频带通 | 详细信息请参考射频部分。 |
| 电源管理 | MAX8510低噪声LDO | |
| 射频下变频器 | MAX2742 | |
| 参考时钟 | 18.414 mhz TCXO | TCXO还提供基带时钟。在本参考设计中,不使用MAX2742的GPS时钟输出。 |
| GPS基带 | 索尼CXD2932 | CXD2932还控制有源天线供电、RESET功能。详情见下文。 |
| 天线控制块 | 天线电源控制与p-MOSFET和电流检测电阻 | 感测电阻将天线供电信息反馈给CXD2932。有三种可能的情况:正常、短暂和开放。 |
| 重置/延迟电路 | 不同电平的RESET,以及CXD2932所需的延时电路 | 为了确保成功启动,CXD2932需要两个间隔100ms的RESET信号。 |
| 基带接口 | TX:外部控制命令 | |
| RX: GPS数据输出 | 数据速率可编程 | |
| 1PPS:每秒一个脉冲信号 | 这个信号与GPS原子钟对齐。 |
图4【中文译文】25mm × 25mm PCB板。

表4. (lna + max2742 + SONY cxd2932)
| 不。 | 参数 | 象征 | 条件 | 系统规范 | 马克西姆目标 | 测量 | 单位 |
| 1 | 电力供应 | V (CC) | (注1) | 2.7 ~ 3.6 | 教学楼。 | V | |
| 2 | 电流消耗 | 我(CC) | V(cc) = 3.0v | 91 | 88 | 妈 | |
| 3.1 | 灵敏度 | Sens | 收购 | 跟踪 | -145年 | -145年 | dBm |
| 3.2 | -138年 | -138年 | |||||
| 4 | TTFF | 交通 | 冷启动 | 58 (typ) | 60(最大) | 年代 | |
| 5 | TFW | 温暖的开始 | 45 | 30(最大) | 年代 | ||
| 6 | TFH | 热态启动 | 17 | 6 (max) | 年代 | ||
| 7 | 位置漂移范围 | 公关 | 95%的可能性 | One hundred. | 90 | 英国《金融时报》 | |
| 8 | 1PPS输出精度 | 1 pps | 1 | 新墨西哥州 | ns |
社群二维码
关注“华强商城“微信公众号
Copyright 2010-2023 hqbuy.com,Inc.All right reserved. 服务热线:400-830-6691 粤ICP备05106676号 经营许可证:粤B2-20210308