摘要: 有许多方法可以保护系统免受静电放电(ESD)、浪涌电流、过流、欠压、过压和其他电源中断的影响。工业、公司或法规标准,如UL 、USB、IEEE 、CSA或IEC通常需要电路保护。本应用笔记讨论热插拔ic。介绍了典型的热插拔电路,并说明了各种热插拔电路的优点。
热插拔电路保护设备、人员或两者。例如,一些电源具有内置的可调限流(热插拔电路的标准配置),可防止在热插拔事件中损坏电源和正在供电的电路。典型的RAID和电信系统具有热插拔功能,可以在运行中交换电路板或磁盘驱动器。
至少,热插拔要求您限制浪涌电流,以防止在大容性负载通电时发生系统范围的停电。限流还有助于减小源电源的尺寸,并限制连接器触点处的电弧。其他热插拔特性包括:低串联电阻、断路器动作、状态指示、双插入点检测和电源-good信号。
像热插拔ic这样的保护电路增加了组件和成本,同时增加了设计和测试系统的时间。尽管如此,这些缺点必须与不受保护的系统相关的无形成本(并不总是设计师心目中最重要的)进行权衡:设备损坏、系统停机、人身伤害和由此产生的诉讼、更换和维修成本、技术人员工资。这样的例子不胜枚举。
热插拔功能的引入可以通过允许更小的主电源立即抵消系统成本。降低电源必须提供的浪涌电流水平允许更小的滤波电容器和更小的电源。其他好处包括更小尺寸的布线和电路走线,更小和更便宜的电路连接器,以及通常更小的电源路径组件。
最简单的限流元件是保险丝,它可以单独使用,也可以与其他保护元件结合使用。因为熔断器对过流是有效的,所以它们要么是必需的(例如,在UL批准的电路中),要么是在发生灾难性故障时作为最后的保护手段。
对于标准保险丝来说,主要的缺点是一次性使用。另一种选择是多熔断器,这是一种类似的装置,根据流过它的电流产生的热量进行物理膨胀和收缩。温度相关的熔断器有一个有限的电压工作范围,但它可以重置自己,这是一个优势超过标准熔断器。
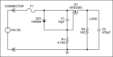
热插拔应用中的常见电路是电容-齐纳-场效应管组合(图1a和1b)。该电路通过在Q1的栅源结处对C1充电来限制涌流。假设当施加电源时C1放电,电路通过充当穿过栅极-源结的短路来保持Q1关闭。当C1带电时,V(GS)增加,并允许Q1缓慢打开。C1的大小和Q1的V(GS)特性决定了Q1接通和给负载电容器(C2)充电的速度。

图1 a。一个离散的“cap-齐纳- fet”热插拔电路使用C1的充电率来控制Q1的导通。这在图1b的范围图中显示。

图1 b。CH1为负载电流;CH2是Q1栅极电压。
在图1a中,齐纳二极管ZD1防止Q1栅源结超过其最大额定值。(请注意,图1a(±20V)中的V(GS)最大值太小,无法承受24V工业或48V电信应用。)如果电源快速循环,负载电容可以放电,而C1保持足够的充电以保持Q1接通。这种情况会降低电流限制特性,当恢复供电时,会产生较大的电流浪涌。电容-齐纳-场效应管拓扑结构的另一个缺点是:限流仅在上电期间有效,并且仅在C1放电时有效。一旦通电,电路就不能防止过流和短路。保险丝通常用于此目的。
另一种用于热插拔应用的电路(图2a和2b)使用PNP晶体管(Q1)和电流检测电阻(R1)来提供连续的电流检测和限制。当施加功率时,电流通过R1和Q2流向负载。通过R1的电流产生Q1的V(BE)偏置电压。如果电流大到足以使Q1偏置,那么Q1通过降低Q2的栅源电压来限制通过Q2的导通到负载。请注意,可以在Q2的栅极源结上添加齐纳二极管(如图1a所示),以防止Q2的过电压和Q1的V(CE)击穿。

图2 a。另一个热插拔电路通过PNP晶体管(Q1)实现电流传感和2A限制。图2b中的导通波形说明了这一点。

图2 b。CH1是电流;CH2是Q2的栅电压。
与图1a不同的是,该电路的优点是电流限制始终处于启用状态。这种积极的特性带来了一个缺点:R1与负载串联增加了功耗。此外,在-40°C至+85°C的温度范围内,由于Q1的V(BE)变化,电流限制可以变化±20%。图1a(和图2a,如果添加)中的齐纳二极管应该足够小,以保护晶体管,但足够大,以允许FET的整个导通范围为I(D),同时最小化R(DS(ON))。
基于ic的热插拔电路在一个小封装中提供许多功能,并且需要很少的外部组件。例如,图3a显示了一个低压热插拔应用,它只需要一个电流检测电阻(R1)和串联通元件(Q1),在2.7V到13.2V之间工作。该电路提供涌流限制(图3b)和双过流故障保护,包括MAX4370对高幅值电路故障的快速响应和对低幅值、破坏性过流条件的缓慢响应。

图3。使用MAX4370的基于ic的热插拔电路提供了更好的精度和使用较少的组件。

图3 b。注意在启动波形的范围图中I(LOAD)的极限。数据由MAX4370热插拔控制器生成。
MAX4370具有连续电流监测功能,如图2a所示。然而,与图2a的分立版本相比,基于max4370的版本具有更好的初始精度和更好的温度性能。图2a中的PNP晶体管具有典型的2mV/°C的V(BE)漂移,从+25°C开始,在-40°C到+85°C的温度漂移范围内产生±120mV的近似输出变化。然而,图3a中的MAX4370在慢速和快速限流比较器中显示出±6.5mV和±20mV的最大漂移。
晶体管很少指定V(BE),但MAX4370具有定义良好且低得多的电压跳闸点:50mV(TH),这是0.6V时V(BE)的十二分之一。其结果是一个更小的检测电阻与更少的功率损耗。此外,基于ic的电路做图1a和2a电路不能做的事情:
利用低成本n沟道mosfet
提供状态输出
对低级和高级故障条件作出响应
提供一个电源控制引脚(ON),适用于负载控制或双插卡引脚检测
提供自动重试和锁存故障管理
提供I²c兼容接口
检测过温并提供热关闭
支持多电压系统和特定应用,如PCI-Express 标准
图3a中的MAX4370还充当断路器,在检测到故障时锁存负载电源。如果应用程序需要自动重试或15V感应反打保护,则可以替换MAX4272或MAX4273热插拔控制器。
与分立电路相比,基于ic的高电压热插拔电路可以节省空间。一个sot23大小的控制器,如MAX5902(图4a和4b)从9V到72V工作,只需要一个外部p沟道MOSFET (Q1)进行基本操作。该电路不需要电流检测电阻来限制涌入电流或检测故障条件。相反,它采用p沟道MOSFET (Q1)的R(DS(ON))作为电流检测元件。

图4。像MAX5902这样的专用热插拔IC简化了应用程序。

图4 b。导通波形以2ms/div表示。使用MAX5902生成数据。
MAX5902控制器在首次通电时保持MOSFET关闭。如果ON/ off引脚保持低位,如果电源电压低于欠压锁定(UVLO)水平,或者如果模具温度超过+125°C(类型),则无限期保持关闭状态。当内置导通延迟到期(150ms, type)时,如果这些条件都不适用,MAX5902将逐渐导通Q1。在这个导通阶段,控制器缓慢地增强Q1,使负载上的电压(Q1的漏极)以9V/ms的典型速率上升。
因此,负载的浪涌电流被限制在与负载电容和恒定摆压率成正比的水平:I(LIMIT) (type) = C(load) × 9V/ms。当Q1完全增强,负载电压稳定到最终值后,MAX5902监测Q1 (I(load) × R(DS(ON)))上的压降是否有故障。如果电压降超过断路器的阈值,控制器将Q1关断并立即断开负载。
与分立元件电路不同,图4a电路具有热关断保护、UVLO保护、ON/OFF引脚关断和电源良好(P(GOOD))状态信号。MAX5902可带或不带断路器功能,断路器可带自动重试或锁存关闭选项。
要实现一个接受-9V到-100V的系统,如电信应用的-48V,用MAX5900或MAX5901热插拔控制器代替MAX5902。
单个基于ic的热插拔控制器可以取代许多分立元件和微处理器监控ic;它还可以支持多个输出并添加排序/跟踪功能。MAX5927,一个四热插拔控制器,保护多电源系统,如便携式计算机设备。它允许设计人员配置输入电压轨依次打开/关闭,相互跟踪,或独立操作。

图5。在多电源应用中,单个热插拔IC控制四个不同的导轨。
在更复杂的应用中,需要保护多个轨道并考虑特定要求,用分立元件设计的电路不是一种选择。为特定应用设计的基于ic的热插拔控制器提供所需的功能,并根据需要控制整个系统。例如,MAX5915 / MAX5916允许将PCI 卡安全地插入和移除到带电PCI插槽或背板上。这些ic为两个PCI卡的3.3V, 5V,±12V和3.3V辅助电源提供独立的电源控制,带有少量外部组件。MAX5943提供了一种简单而可靠的解决方案,可将火线 外设安全地插入和移除到火线端口。该IC只需要两个外部mosfet和一个检测电阻进行基本操作,同时它为火线应用提供了完全集成的电源管理控制。
IC热插拔控制器比分立控制器有许多优点。尽管分立电路的成本低于热插拔ic,但就稳健性、停机时间和维修成本而言,它们对整个系统的成本更高。事实上,更大的主电源和更坚固的布线和连接器只是与分立元件相关的一些有形成本。热插拔ic提供了分立设计所缺乏的优点:STATUS输出、热关断、UVLO和用于负载控制和电路板插入检测的关断(开/关)输入。
社群二维码
关注“华强商城“微信公众号
Copyright 2010-2023 hqbuy.com,Inc.All right reserved. 服务热线:400-830-6691 粤ICP备05106676号 经营许可证:粤B2-20210308