摘要: 硅锗(SiGe)技术是一项创新技术,可同时改善接收机的功耗、灵敏度和动态范围等特性。
这篇应用笔记描述了硅锗技术是如何提高RF应用中IC性能的。文中使用Giacoleto模型分析噪声的影响。SiGe技术显示出更宽的增益带宽从而可以给出更小的噪声。SiGe技术在线性度方面的影响还在研究中。
在蜂窝手机和其他数字的、便携式、无线通信设备中,有三个参数越来越重要。低功率消耗和轻型电池给设备带来自由移动的权力,更高的前端接受灵敏度增加了接收距离,更高的前端线性度对可容许的动态范围具有直接的影响。随着π/4DQPSK和8QAM这类非恒定能量调制方案的使用,上面三个参数的重要性越来越大。
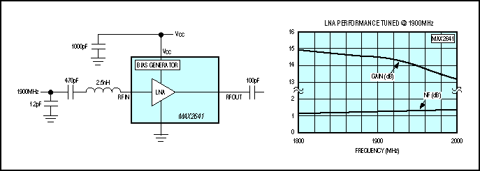
SiGe (硅锗)技术是最近的一项技术革新,能同时改善接收机的功耗、灵敏度和动态范围。GST-3是新的基于硅锗技术的高速IC处理工艺,其特点是具有35GHz的特征频率(f(T))。下面的典型前端框图(图1)中给出了用硅锗技术实现的混频器和低噪声放大器(LNA)可能达到的性能(1.9GHz)。

图1. 典型的无线接收电路,包括低噪声放大器和混频器。
在下行链路中对噪声系数的主要影响来自于LNA第一级晶体管输入级产生的噪声。噪声系数(NF)是一个体现网络性能的参数,用来将实际网络中的噪声与通过理想的无噪声网络后信号中的噪声进行比较。具有功率增益G = P(OUT)/P(IN)的放大器或其他网络的噪声因数(F)可以表示为:

NF是从网络输入端到输出端信号噪声比(SNR)恶化程度的度量,一般以dB为单位: NF = 10log(10)F,因此:
| F | = 输入SNR/输出SNR |
| = (P(IN)/N(IN))/(P(OUT)/N(OUT)) | |
| = N(OUT)/(N(IN)(.) G) |
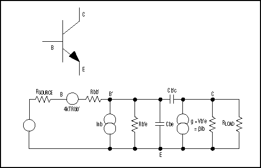
我们只关心热噪声(也叫做约翰逊噪声或白噪声)和散粒噪声(也叫做肖特基噪声)。一个具体的双极型晶体管高频等效模型(Giacoleto模型,参见图2)会帮助我们理解这个噪声是如何产生的。这个模型还告诉我们硅锗技术是如何降低LNA前端噪声系数的。

图2. 详细的npn晶体管模型(Giacoleto模型)简化了对频率影响的分析。
在一个温度大于零(0°K)的导体内,电荷载体的随机运动产生了随机的噪声电压和电流。随着导体温度的升高这些电荷载体随机运动的速度会加快,也就提高了噪声电压。晶体管基区寄生电阻(Rbb´)产生的热噪声为Vn(f) = 4kTRbb´,其中Vn(f)是电压噪声谱密度,单位是V²/Hz,k是玻尔兹曼常数(1.38×10(-23) Joules/Kelvin),T是以开尔文为单位的绝对温度(°C + 273°)。
散粒噪声是电荷载体的粒子特性的结果。半导体内流动的DC电流通常被认为在每一时刻都是恒定的,但是任何电流都是由一个个的电子和空穴的运动所形成的。只有这些电荷载体所产生的电流的时间平均值才可以看做是恒定的电流。电荷载体数量的任何波动都会在那个时刻产生随机的电流,这就是散粒噪声。
基极电流中散粒噪声的噪声谱密度为Inb(f) = 2qIb = 2qIc/β , 其中Inb是电流的噪声谱密度,单位I²/Hz,Ib是基极的直流偏置电流,q是一个电子的电量(1.6×10(-19)库仑),β是晶体管的DC电流放大系数。于是,晶体管输入级产生的总噪声谱密度是热噪声和散粒噪声之和:
γn = 4kTRbb´ + R(SOURCE) 2qIc/β
Maxim的新硅锗工艺,GST-3,是在GST-2 (一种双极型工艺,特征频率达27GHz)的基础上,通过在晶体管基区搀杂锗发展而来的。其结果是Rbb´值得到了大幅度降低并且晶体管的β 值显著提升。与这两个变化伴随而来的是硅锗晶体管更好的噪声系数(与具有相同集电极电流的硅晶体管相比)。通常晶体管的噪声系数表示为:

对硅双极型晶体管和硅锗晶体管来说,上式都在R(SOURCE) = Vn(f)/Inb(f)时噪声系数最小。所以,具有与此值相近的源阻抗的LNA可以最大程度地体现硅锗工艺的优点。
在无线设计中另一个重要的问题是随频率的变化噪声系数会变差。一般晶体管的功率增益大致符合图3中上边的曲线。考虑一下图2的晶体管等效电路,会觉得这条曲线并不新奇。实际上,那个等效模型就是一个每倍频程增益下降6dB的RC低通滤波器。理论上共射极电路的电流增益(β)为1时(0dB)的频率称作特征频率(f(T))。LNA的增益(G)直接依赖于β ,所以噪声系数[F = N(OUT)/(N(IN)G)]变差就是从增益逐渐变小开始的。

图3. 硅锗(SiGe)双极型晶体管表现出高增益和低噪声的特性。
为了看清楚GST-3硅锗工艺是如何改善高频段的噪声系数的,考虑给晶体管的p型硅基区搀杂锗,这会使穿过基区的能带隙降低80mV至100mV,在发射区和集电结之间建立起强电场。这个电场使电子从基区迅速移动到集电区,缩短了载流子越过狭窄的基区所需的通过时间(t(b))。在其他条件不变的情况下,减小t(b)会使f(T)提高大约30%。
对于同样面积的晶体管,硅锗器件在达到给定的f(T)标准时只需要GST-2器件所需电流的1/3到1/2。更高的fT降低了高频噪声,因为β在更高的频率才会开始逐渐减小。
基于硅锗技术的MAX2641具有硅双极型LNA不可比拟的优点,硅双极型LNA的NF在接近2GHz频率时开始变差(例如,1GHz时1.5dB,2GHz时,2.5dB)。硅锗器件的高反向隔离度使输入匹配网络的调谐对输出匹配网络没有影响,反之亦然。
硅锗器件MAX2641最适合工作在1400MHz到2500MHz的频率范围内,此时典型的性能是1900MHz时14.4dB增益,-4dBm输入IP3 (IIP3), 30dB的反向隔离, 1.3dB噪声系数(见图4)。MAX2641以6引脚SOT23封装,使用单电源+2.7V至+5.5V供电,吸入电流3.5mA,内部偏置。通常唯一需要的外部元件是一个两元件输入匹配电路,输入输出隔离电容及一个V(CC)旁路电容。

图4. 请注意这个硅锗集成低噪声放大器非常低的噪声系数。
除了噪声和带宽,通信系统还受到信号失真的限制。系统的有效性依赖其动态范围(系统可以高质量处理的信号范围)。动态范围受噪声系数的影响,其下限定义为灵敏度,上限定义为可接受的信号失真的最大幅度。实现最佳的动态范围需要在功耗、输出信号失真和相对于噪声的输入信号值之间权衡利弊。
典型的接收机框图(图1)显示了LNA与混频器的噪声系数和线性度的重要性。因为LNA的输入是直接从天线得来的非常弱的信号,所以NF是它的一项决定性的参数。对混频器来说,其输入是LNA输出的被放大的信号,所以线性度是其最重要的参数。
输出信号永远不会是输入信号完全准确的复制品,因为没有完全线性的晶体管。输出信号总是包含谐波,互调失真(IMD)和其他的寄生成分。在图5中,P(OUT)公式中第二项叫做二次谐波或二阶失真,第三项叫做三次谐波或三阶失真。它们的特点都是在下一级的输入中出现由一个或两个频率的纯正弦信号组成的信号,它们在频率上紧邻。例如,MAX2681的三阶互调失真,就是包含1950MHz和1951MHz两个频率的-25dBm的信号。

图5. 两个频率信号的测试描绘了谐波失真和互调失真的特性。
在频域表示的P(OUT)公式的图形表明,输出中包含基本的频率欧姆(1)和欧姆(2),二次谐波频率2欧姆(1)和2欧姆(2),三次谐波频率3欧姆(1)和3欧姆(2),二阶互调产物IM2和三阶互调产物IM3。图5还说明在蜂窝手机和其他具有窄带工作频率的系统中(例如,频率为几十兆赫兹,频率跨度小于一倍频程)只有IM3的杂散信号(2欧姆(1) - 欧姆(2))和(2欧姆 (2) - 欧姆(1))落在滤波器的通带内。结果造成了想得到的频率为欧姆(1)和欧姆(2)的信号的失真。
在P(OUT)公式中输出功率的最低几项中,系数K1A与输入信号幅度成直接线性比例,K2A²与输入幅度平方成正比,K3A(3)与输入幅度立方成正比。于是,用对数座标画出的曲线就是以响应的阶数为斜率的直线。
二阶和三阶截点是常用的表示性能的参数。截止点越高,器件越能够放大大信号。在大功率值时,输出响应将被压缩,偏离了预计的响应值。这个偏离的点(图6a)定义为1dB压缩点,它的位置在实际输出信号与按照曲线线性部分推测的输出值相比被压缩1dB的地方(G(1dB) = G - 1dB)。
从MAX2681数据表看出,在超过1900MHz频率时,相对于IM3 (图6b) P(OUT)具有-56dBc的无杂散响应动态范围(SFDR)。典型的工作情况是PRF(IN) = -25dBm,IIP3 = 0.5dBm,变频增益 = 8.4dB。本振到中频的泄漏和其他杂散产物可以被窄带IF滤波器滤掉,如图1所示。MAX2681 (硅锗双平衡下变频器)在满足性能要求时I(CC)电流一般仅为8.7mA。


图6. 硅锗双平衡下变频器提供低(0.5dBm) IIP3值(a)和56dBc的动态范围(b)。
另一个硅锗下变频器(MAX2680)具有不同的性能。采用微小的6引脚SOT23封装,由具有单端RF、LO和IF端口的双平衡Gilbert单元混频器组成。与MAX2681相同,它以+2.7V至+5.5V的单电源供电,接收400MHz至2500MHz之间的RF输入,中频输出频率10MHz至500MHz。关断模式下供电电流一般小于0.1µA。LO通过单端宽带口输入,其VSWR优于2.0:1 (400MHz至2.5GHz)。
为了估计使用MAX2641/MAX2681 SiGe下变频器的前端灵敏度,考虑4MHz信号带宽的QPSK调制信号。为了简化计算,假设输入滤波器具有理想的矩形滤波特性。首先,考虑到由天线转换器和前端无源滤波器引入的3dB插入损耗,必需先给NF加上3dB (AntNF)。下一步,在LNA之后增加一个滤波器以消除LNA产生的失真(除了IM3以外的失真),为此考虑使用一个具有2dB衰减和NF的滤波器。在1900MHz时,将LNA后置滤波器NF加到MAX2681 11.1dB的NF上:
总值NF = 滤波器NF + 混频器NF =
2dB + 11.1dB = 13.1dB
LNA的输入需要很好的NF值,因为它直接从天线获得非常微弱的信号。而混频器NF被LNA的增益削弱了:
总值NF = LNA NF + (1/G(LNA))(NF(TOTAL) - 1) = 2.054;
NF(TOTAL) (dB) = 10log2.126 = 3.12dB.
使用QPSK调制,BER = 10(-3)时,天线输入所需的信号能量与噪声能量之比最小值为Eb/No = 6.5dB。+25°C时绝对噪声的噪声底是AbsNfl = -174dBm = 10log(KT),其中 T = +300°K,K = 1.38 × 10(-23)。以dB为单位的滤波器带宽为FiltBwth = 10log(4MHz) = 66dB。对于BER达到10(-3)的QPSK调制信号,图1中的前端灵敏度用下式估算:
输入灵敏度 = AbsNfl + AntNF + FiltBwth + NF(total) + Eb/No
= -174dBm + 3dB + 66dB + 3.12dB + 6.5dB = -95.38dBm.
与纯的双极型工艺相比,硅锗(SiGe)技术可以在超过1.0GHz频率时给出更低的噪声系数。它还能降低供电电流并具有更高的线性度。Maxim已经实现了高线性度的硅锗混频器,在1900MHz具有0.5dBm的IIP3,噪声系数11.1dB (SSB),变频增益8.4dB,只需要8.7mA供电电流。硅锗器件更高的特征频率(f(T))使器件可以在更高的频率下工作从而实现在超过5GHz频率时的应用。
Richard Lodge, "Advantages of SiGe for GSM RF Front-Ends." Maxim
Integrated Products, Theale, United Kingdom.
Chris Bowick, RF Circuit Designs. (Howard W. Sams, & Co. Inc).
Tri T. Ha, Solid-State Microwave Amplifier Design. A Wiley-Interscience publication, 1981, ISBN 0-471-08971-0.
Richard Lodge, "Advantages of SiGe for GSM RF Front-Ends." Maxim Integrated, Theale, United Kingdom.
Chris Bowick, RF Circuit Designs. (Howard W. Sams, & Co. Inc).
Tri T. Ha, Solid-State Microwave Amplifier Design. A Wiley-Interscience publication, 1981, ISBN 0-471-08971-0.
社群二维码
关注“华强商城“微信公众号
Copyright 2010-2023 hqbuy.com,Inc.All right reserved. 服务热线:400-830-6691 粤ICP备05106676号 经营许可证:粤B2-20210308