摘要: 如果连接不当,未投入使用的运放会导致诸如功耗增加和噪声增加等问题。本应用说明说明如何正确终止未提交的运放。
如果连接不当,未投入使用的运放会导致诸如功耗增加和噪声增加等问题。本应用说明说明如何正确终止未提交的运放。
有时在电路设计中有一个或多个未使用的运算放大器(运放)。例如,应用笔记994:多个ADC的参考电压图2使用MAX4254中四个运算放大器中的三个来驱动ADC的参考输入。在这种情况下,未使用的运放可以用于其他目的,但如果不需要,则必须正确端接。如果连接不当,未投入使用的运放会导致诸如功耗增加和噪声增加等问题。
要正确地终止一个未提交的运放,需要两个条件:
运放输入必须主动保持在器件的输入共模电压范围内。
运算放大器输出必须设置在器件的输出电压摆幅范围内。
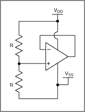
图1中的电路满足这两个条件。
如果电路有双电源(例如±3V),则不需要两个电阻,只需将非反相端子接地即可。此外,非反相端子可以连接到电路中其他地方的电压,该电压在器件的输入共模电压范围内,从而消除了图1中两个电阻的需要。

图1所示。适当端接的未承诺运放。满足输入共模范围且输出在输出电压摆幅范围内。
对于原型电路,如图2所示,终止一个未提交的运放是个好主意。如果需要在后期原型阶段出现,该终止方案允许将运放更改为反相或非反相配置。

图2。用于原型电路的端接正确的未提交运放。如果需要在后期原型阶段出现,该终止方案允许将运放更改为反相或非反相配置。
图3显示了终止未提交运放的常见但不适当的方法示例。

图3。终止未提交运放的方法不当。如图所示终止未提交运放会导致过大的电源电流和额外的噪声。
一个. 这是一个未投入使用的运放最糟糕的事情。两个输入都是浮动的,会拾取噪声,输出可能不可预测地从一个轨道切换到另一个轨道。这种配置将吸收不同数量的电源电流,并将噪声耦合到其他运放,并可能给电源和地走线增加噪声。
B. 不推荐使用这两种电路,因为它们对运放输入有压力。该电路在整个输入端施加最大电位,并可能损坏某些运算放大器,例如在输入端之间有二极管夹脚的运算放大器。运放输出将处于已知状态,在第一个电路中低轨,在第二个电路中高轨。将运放的输出调低会导致运放消耗更多的电源电流。
C. 这两个电路是坏的,因为输出将在一个未知的状态轨道。输出状态将由输入级的偏置电压值决定。由于输入偏置电压的随机性,不能预先确定输出是高轨还是低轨。除了输出的未知状态,还有一个可能的机会,输出将改变状态的温度诱导不必要的噪声在电路中。将运放的输出调低会导致运放消耗更多的电源电流。
D. 这两个电路是在终止一个未承诺的运放时最常见的错误。它们同样糟糕,因为运放的输出将低轨,导致运放消耗更多的电源电流。
在许多情况下,避免使用未配置的放大器是有益的。下一代亚微米技术运放价格低廉,封装小巧。不要在TSSOP包中使用三个或四个运放,考虑只使用您需要的运放。在小型SC70封装中使用多个单运放,或在小型SOT23封装中使用双运放和单运放的组合具有以下优点:
避免了未提交放大器的问题
通过消除额外的放大器降低功耗
通过使用更小的组件减少PCB面积(图4)
简化PCB布局,减少走线长度
更便宜的

图4。最小的四倍放大器、双倍放大器和单倍放大器的比较说明了巨大的尺寸优势。例如,四个单运放消耗16mm(2),而一个四运放消耗30mm(2)。
要正确终止未提交的运维,需要两个条件:
运放输入必须主动保持在器件的输入共模电压范围内。
运算放大器输出必须设置在器件的输出电压摆幅范围内。
在许多情况下,通过使用单或双运放来避免未使用运放可以减小系统尺寸和成本。
社群二维码
关注“华强商城“微信公众号
Copyright 2010-2023 hqbuy.com,Inc.All right reserved. 服务热线:400-830-6691 粤ICP备05106676号 经营许可证:粤B2-20210308