摘要: 降低MAX1864 ADSL调制解调器电源的噪声。
虽然MAX1864为ADSL调制解调器提供了一个廉价的多输出电源解决方案,但转换变压器(T2)上的过绕组可能会产生噪声。这是因为变压器通常需要有缝隙来处理直流电流,而有缝隙的铁芯往往有较大的漏磁通。这种泄漏通量产生的噪声很难降低。最常见的问题是,随时间变化的磁通会在任何电路上产生电压。关键是要意识到这个电压将被诱导并创建一个高阻抗路径,在那里这个噪声电压可以无害地被吸收。
虽然MAX1864为ADSL调制解调器提供了一个廉价的多输出电源解决方案,但转换变压器(T2)上的过绕组可能会产生噪声。这是因为变压器通常需要有缝隙来处理直流电流,而有缝隙的铁芯往往有较大的漏磁通。这种泄漏通量产生的噪声很难降低。最常见的问题是,随时间变化的磁通会在任何电路上产生电压。关键是要意识到这个电压将被诱导并创建一个高阻抗路径,在那里这个噪声电压可以无害地被吸收。
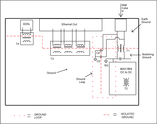
下面的ADSL调制解调器图(图1)说明了这个问题。在这里,我们看到地分为三部分:地、交换地和接地。即使接地和开关地是隔离的,杂散磁场仍然会在接地回路上感应电压。很容易看出,虽然我们希望噪声显示在共模电感T1上,但它实际上显示在ADSL和以太网变压器T3和T4上。这是因为T3和T4呈现比共模电感T1高得多的阻抗。这种噪声也倾向于驱动以太网和ADSL输出上的屏蔽。

图1所示。宽带调制解调器。
虽然我们喜欢认为隔离变压器具有无限阻抗,但这只适用于直流。事实上,大多数隔离变压器作为交流信号的电容器。当来自磁路的漏磁在环路中感应时,隔离变压器的电容与环路电感串联形成谐振电路。这通常被观察到作为一个尖峰(在开关频率)与振铃频率。如果没有某种形式的有损元件,这些电路可以表现出高Q。共模扼流圈被设计成在开关频率下有损耗,因此它们可以吸收振铃能量并增加环路电感,降低振铃频率,从而降低电路Q。
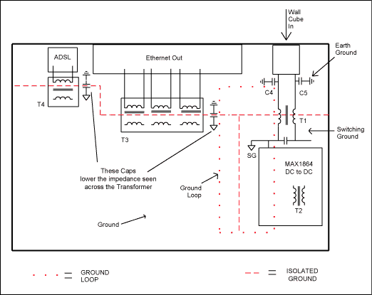
为了解决这个问题,我们必须使噪声在共模电感T1上显示出来。最简单的方法是将C4和C5从地面移动到地面。这将允许共模电感T1吸收感应电压,如图2所示。

图2。
另一种迫使电压穿过T1的方法是在隔离变压器T3和T4上放置电容器。这降低了T3和T4之间的阻抗,以便T1, C4和C5可以吸收噪声。如下面的图2所示。这也淹没了隔离变压器的寄生电容,从而降低了谐振频率和电路Q。

图3。
减小源(T2)的额定通量提供了一种进一步降低噪声的方法。在铁芯的间隙周围放置铜屏蔽层是减少变压器漏磁的一种方法。必须小心避免铜屏蔽在变压器内充当短匝。另一种方法是减缓引起噪声电压的时变场。通过在变压器上放置一个电容器,磁场的变化率可以减慢,从而减少感应噪声。因为降低转换率会降低效率,所以必须在效率和噪音之间做出妥协。
上述任何一种方法都有助于减少噪音问题。你想要减少的噪音类型可能会改变解决方案。为了确定最佳解决方案,您应该首先知道要降低噪声的频率以及需要降低多少(dB)噪声。对于开关模式电源,50kHz到2MHz的噪声是最麻烦的。这个区域是困难的,因为处理这个波段的组件必须接近理想。在这种环境下,接地平面和大电容器远不是理想的,表现得像电感。这就是为什么共模滤波器的高阻抗是如此重要。理解这一点可以帮助您为应用程序配置最佳的组件。
社群二维码
关注“华强商城“微信公众号
Copyright 2010-2023 hqbuy.com,Inc.All right reserved. 服务热线:400-830-6691 粤ICP备05106676号 经营许可证:粤B2-20210308