摘要: 新的半导体技术提供了更高的集成度,使当今的电信系统能够在越来越小的尺寸中集成越来越多的功能。更小的几何形状工艺确保更少的功耗,更低的工作电压,以及每个功能更少的硅平方毫米。新的PC板通常包括工作在5V, 3.3V, 2.5V, 0.8 v等的ic。
新的半导体技术提供了更高的集成度,使当今的电信系统能够在越来越小的尺寸中集成越来越多的功能。更小的几何形状工艺确保更少的功耗,更低的工作电压,以及每个功能更少的硅平方毫米。新的PC板通常包括工作在5V, 3.3V, 2.5V, 0.8 v等的ic。
新一代集成电路在负载、线路和静态稳压方面的功率要求更加严格。在某些情况下(例如,由Intel VRM 8.2规范控制的情况),输出电压通过数字总线编程,电平在1.8V和3.5V之间,负载电流为30A或更高。电源技术一般没有跟上这一趋势,尽管半导体技术允许更高的集成度,完全自动化电路板组装,并且电路板之间的间距更小。
除极少数情况外,电源不能自动组装。大多数都有大型散热器用于热管理,强制手动组装。对于大多数电信系统,传统的冷却技术已经迫使散热器尺寸的增长。所需的散热器表面与电源效率直接相关(图1)。因此,新的电源电压(3V及以下)对散热器尺寸有直接影响。考虑一个正向变换器,如图1所示,工作功率为100W:
带5V输出:P(LOSS) = 100(P(OUT)/eff.) - P(OUT) = 100(100/83) - 100 = 20.5W
带3V输出:P(LOSS) = 100(100/70) - 100 = 42.9W

图1所示。对于DC-DC转换器,低电压运行会带来效率损失。
将电源电压从5V降低到3V会使功耗从20.5W增加到42.9W,产生另外22.4W的功耗,这必须在热设计中考虑。功耗的第一个问题是内部温度的升高,这会降低所有组件的MTBF。因此,缩小集成电路制造的尺寸和成本对相关电源有相反的影响,除非我们考虑全新的电源管理架构。
对于一个简单的电信系统,为了清晰起见(图2),我们考虑了三种可能的供电方法。该系统包括一个处理高数据速率的光纤接口板(如STM-1光纤),一个包含系统管理和辅助功能的背板,以及多达10个线卡,每个线卡具有低数据速率接口,如ISDN' u ', POTS或E1/T1。这些负载需要来自标称-48V的多个输出,带备用电池,可在-42V至-60V或-36V至-76V范围内使用。与电池的电隔离是强制性的。

图2。基本组件构成了一个简单的电信系统。
| 输出 | 电压(V) | 精度 (静态/ 载重/载重线 (%) | 负载电流(A) | 输出功率(W) |
| 光纤接口: | ||||
| 1 | 3.3 | 2 | 3. | 9.9 |
| 2 | 2.2 | 2 | 3. | 6.6 |
| 3. | 1.8 | 2 | 2 | 3.6 |
| 4 | 5.0 | 5 | 2 | 10 |
| 5 | -5.0 | 5 | 1 | 5 |
| 底板: | ||||
| 1 | 5 | 5 | 2 | 10 |
| 2 | 1.8 | 2 | 2 | 3.6 |
| 3. | 1.3 ~ 3.5 | 1 | 10 | 35 |
| 接口(单板): | ||||
| 1 | 3.3 | 2 | 2 | 6.6 |
| 2 | 2.2 | 2 | 2 | 4.4 |
| 3. | 1.0 | 2 | 2 | 3.6 |
首先,将接口需求乘以10,以在系统中容纳最多10个板。所需的总功率为230W,分配到五个固定的调节输出电压加上一个通过5位总线编程的可变输出电压。此可变输出的最大公差为1%,包括线路和负载调节。考虑的三种配电架构是集中供电,分布式和隔离供电,以及带辅助非隔离分布式输出的集中式单输出。
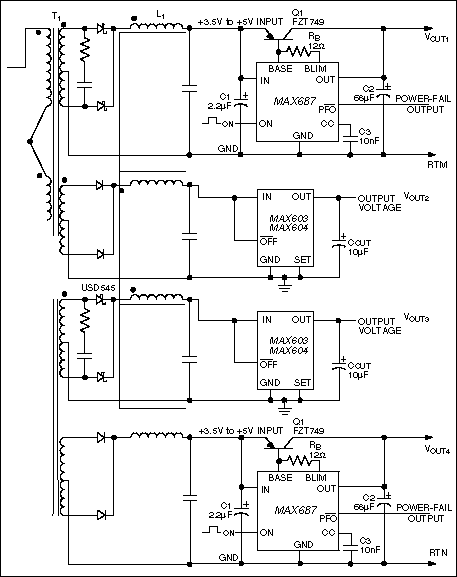
该装置产生所有所需的电压,作为与电池电压隔离的二次输出。在本例所需的输出功率水平(230W)下,典型配置可以是正向或半桥式,在3.3V主输出上关闭控制回路(例如)。其他输出必须经过后调节,以符合严格的公差要求。这些后稳压器可以是线性的,也可以是开关型的,每一个都是独立的,由一个带耦合输出电感的多个二次变压器驱动(图3)。

图3。在这个多输出电源中,每个次级电源包括耦合电感和后线性调节器IC。
这种方法有几个缺点:定制设计的磁性元件难以生产,寄生元件会对性能产生巨大影响,系统效率较低。请注意,较低的输出电压导致较低的效率,因为由整流二极管和线性稳压器(甚至LDO类型)表示的损耗在输出中所占的比例更大。
考虑对1.5V输出的简化分析(图4)。假设电流占空比为50%,整流二极管电流等于I(OUT),则电感损耗仅与电阻有关,而与磁芯材料、开关频率等引起的磁效应无关。出于类似的原因,我们忽略了电容器中ESR造成的损耗:
P(out) = i (out) v (out) = 10(1.5) = 15w
Pl = i (out) v (out) rl = 10(10)(0.01) = 1w
Pd1 + d2 = vd (i (out)) = 10(0.4) = 4w
P(ldo) = i (out) v (ldo) = 10(0.6) = 6w
滚开。= P / (PL + PD1 + PD2 + P (LDO) + = 15 / (1 + 4 + 6 + 15) = 58%

图4。由于固定损耗,较低的输出电压意味着较低的效率在这个线性调节电源。
因此,对于传递给负载的每瓦特,电路损失0.7瓦的热能,这不是一个有吸引力的能源使用。更有趣的是基于切换后调节器的系统(图5)。

点击查看完整尺寸
图5。这些开关模式调节器(相对于线性类型)提供更高的效率以及更大的复杂性和噪声。
图5中的主5V输出由光耦合器反馈调节,所有其他输出由ic调节,如同步降压型(MAX1630, MAX1637, MAX1652和MAX1638)或MAX774反相型,用于负输出电压。使用来自不同供应商的标准“现成”磁性元件,同步降压稳压器产生的1.5V输出效率达到87%,而线性稳压器方法的效率为58%。
降压调节器IC,如图6所示,包括同步整流,是最大的此类器件家族的成员。它具有过欠压保护,电流保护和辅助电压能力的降压调节。

点击查看完整尺寸
图6。该降压控制器IC提供双输出同步整流。
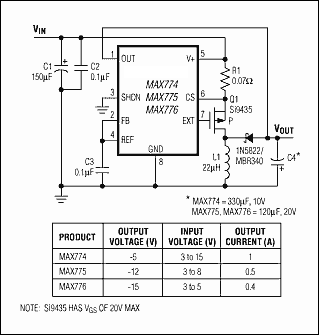
另一种可能性是使用逆变DC-DC控制器从正电压产生负电压,如图7所示。该IC和一些外部组件(电感,功率MOSFET和输出电容)提供了最简单和最简单的方法来产生该系统所需的-5V @ 2A。Maxim的评估套件包含了上面提到的所有部件,简化了电路板布局并加速了设计过程。

图7。这些开关模式ic将正输入电压转换为调节的负输出。
在大多数情况下,中央电源是一个定制的设计,安装在一个位置,提供方便的访问和方便的热管理。该规范由系统或设计工程师编写,并提交给公司的电源部门或许多其他专门从事电源设计和制造的公司之一。无论哪种方式,最终的结果都是交付一个经过彻底测试和合格的“黑匣子”。
来自电池的高电压只影响电源的输入部分。出于安全考虑,并符合EN60950、UL950等规范,所有二次输出都与电池隔离。符合这些标准安全规范还确保集中电源可以在整个系统中分配其稳压,而无需担心设备其他部分的间隙距离。
为了实现冗余,您可以使用串联二极管轻松并联两个电源,在相应输出之间创建或连接。这种架构使电源的成本和尺寸增加了一倍,但它通常用于中小型电信系统的开关后调节。
对于更复杂的系统,例如前面提到的例子,这种方法存在两个问题:首先,需要昂贵的电缆和连接器线束来将高负载电流输送到系统中的所有电路板。其次,电路板之间的电压调节是一个问题;遥感可以保证一个电路板的调节,但它不一定在其他电路板上提供足够的容忍度,以确保安装在它们上的各种ic的正常运行。最后一点通常排除了集中供电的考虑。即使对于简单的系统,降低供电电压的趋势和更严格监管的需要也使得集中式方法越来越难以实施。
在这种方法中,电池电压(-48V)提供给系统中的所有板(图8),每个板包括一个或多个适合该板要求的电源。从某种意义上说,集中式电源已经被分成各种较小的DC-DC转换器,每个转换器都是独立的。为此,今天的市场提供了广泛的单输出和多输出DC-DC转换器,容量从几瓦到超过600W。例如,有两种电路可以满足“接口板”的功率要求:
1. 三个DC-DC转换器
2. 一个DC-DC变换器和三个开关后稳压器
第一个解决方案很简单;您可以购买三个“现成的”模块,并根据制造商的规格安装在电路板上,用于EMI滤波,短路保护,热管理等。缺点是成本(每瓦),因为每个模块都需要自己的隔离变压器、反馈回路和其他组件。第二个电路的成本最低,因为隔离和主输出电压由一个DC-DC转换器提供,而简单的降压转换器提供其他稳压输出。功率要求通常在10W到30W范围内,因此反激或正激转换器拓扑可以用于第一级。

图8。配电的一种方法是将原始电池电压(-48V)路由到每个电路板并根据需要将其下转换。
在图9的简化原理图中,主侧控制器(PFM MAX1771或PWM MAX668)提供了一些有趣的功能。两者都是功耗非常低的CMOS芯片,并且可选使用外部p通道开关MOSFET,使这两个器件能够在不改变控制电路的情况下提供大范围的功率。后置调节是通过MAX1627实现的,MAX1627是一个简单的PFM降压调节器,带有外部开关MOSFET。PFM控制的最大优势是效率相对于输出负载:在这种情况下,从2mA到2A的效率超过90% !

点击查看完整尺寸
图9。作为图8中方法的一种替代方法,将电池电压降下来(并隔离)一次,然后将这个较低的电压分配给各种简单的降压转换器。
MAX6501在一个小小的SOT23封装中提供温度保护。当其封装达到预设的内部温度水平时,其输出逻辑状态会改变以警告可能的热问题。因此,您可以通过将这些器件安装在变压器,功率MOSFET和系统中的其他热点附近来实现经济的热保护。
两个器件完成反馈回路:一个精密,低差,微功率电压基准(MAX6025)提供的温度系数小于20ppm/°C,初始精度优于0.2%。微功率运算放大器(MAX4040)提供90kHz增益带宽产品,电源电流仅为10µA。两者都是小巧的SOT23包装。
由于分布式电力系统对其使用点附近的电力进行调节,因此很容易满足当地对线路、负载和静态调节的要求。另一个优点是,分布式电源系统中的小型转换器(不像大型中央电源,通常由外部分包商开发)可以很容易地调整以适应电路板设计开发过程中经常发生的功率需求变化。
冗余并不总是需要重复供电(1+1冗余);N+1冗余有时是足够的。这里,N是代表系统所需所有功率的各种电源电压的总和,并且激活一个备用电源仅用于替换故障输出(然后维护人员用故障输出替换电路板)。如果电源具有热插拔功能,则可以在不关闭系统电源的情况下修复此故障。维护更容易,因为你可以更容易地更换印刷电路板,而不是一个大型的集中电源与所有的连接器。
从电磁的角度来看,该系统必须符合安装它的各个国家所规定的所有规范。因此,为了抑制由于来自各种电源的开关频率相互作用而产生的噪声,必须在每个板上的电源输入处存在EMI滤波器。为了防止这些多个滤波器产生EMI问题,您可能还需要在-48V总线上加一个额外的滤波器(图10)。

图10。为了确保符合每个国家的电磁干扰规范,请在主转换器和所有辅助下变频器上安装电磁干扰滤波器。
同步变频器频率可能无法解决问题;有时它甚至使问题变得更糟。如果所有的转换器都以相同的频率开关,那么第一次谐波将具有更多的能量,并且需要在EMI滤波器中进行更多的衰减。这种架构的一个低效率方面是隔离和从-48V到3.3V的下变频。此外,在整个系统中安装IC转换器也会带来热管理方面的问题。你可以为每个散热器添加一个散热器,但这也会增加系统的成本和处理能力。
PC板上封装的高度不能很大,并且-48V的存在要求板上二次电子元件之间有特定数量的间隙。这种对间隙的需求意味着在昂贵的多层PC板上不能使用一定量的防护区域。作为一种折衷方案,通过半导体技术获得集成的好处,将集中式电源的优势与分布式和隔离电源的优势结合起来的系统架构对新设备非常感兴趣。
因为- 48v总线意味着安全问题,3.3V总线带来线路和负载调节困难,最好的解决方案可能是中间配电电压。原理是使用单输出集中式电源,在将输入电压(36V至76V)降至12V的同时实现与电池的电流隔离。12V作为系统的内部总线,从中非隔离稳压器获得所需的其他电源电压。
唯一的隔离是在从-48V降至12V的转换器中。因为12V将被地方监管机构在董事会层面进一步降低,严格的12V监管是不必要的;±10%或以上的公差是可以接受的。这个宽松的规范允许一个简单的反馈回路进行调节,基于主变压器的辅助绕组。辅助绕组通常也提供转换器的初级侧,从而消除了对次级IC控制器和光耦合器的需要。
接近12V的电压是理想的,因为它提供了可接受的效率,而不会在配电总线中产生过大的电流。它允许合理的热管理,并且具有前向或全桥,可以轻松实现82%至85%的效率。12V电源应安装在可访问的位置,允许外部世界和电源散热器之间进行最大的热交换,但不会将热空气导向热敏元件。一旦知道了这种功率损耗,机械设计师就可以进行分析(比具有多个热源的系统简单得多),以优化设备内的气流。
这个12V电源将占系统功耗的四分之三以上。每向负载传递10W,假设这一级效率为83%,第二级后稳压器效率为95%,系统在第一次降降到12V时消耗2W,在第二次从12V降降到3.3V时仅消耗0.5W。因此,热分析应该主要关注第一个模块(12V电源),而不是后稳压器。实际上,可以选择它们的位置来优化印刷电路布局。
请注意,串联的两个转换的效率通常与单次转换相同或更高,例如从-48V到+3.3V。两个或两个以上的输出电压进一步增加了单转换和双转换之间的效率差距。您可以合理地在12V总线上添加尽可能多的后稳压器,但是直接在-48V总线上添加高压转换器将是笨重且昂贵的。
由于第一个变流器的输入电压为电池电压,其输出为安全隔离,因此在定位变流器或其电源母线时不需要特别注意间隙距离或漏电。此外,您可以通过在每个板级开关调节器的输入处添加滤波器来减少反射纹波。一阶LC滤波器通常是足够的,因为电池到12v转换器有自己的EMI滤波器。
这种EMI滤波器的衰减必须超过相关国际标准规定的限制,这些标准通常同时考虑环境和终端设备的类型。噪声是由第一个转换器和后稳压器在12V输出产生的。
电荷泵系列的转换器(图11)能够提高或反转输入电压。输出电压可以是无调节的或反馈提供调节。对于非调节设备,输出电平取决于输入电压和负载电流。不需要磁性部件。内部开关首先将外部电容器连接到输入端并将其充电到V(IN)。然后,其他内部开关将相同的电容器连接到输出侧。

图11。电荷泵转换器可以反转或降压输入电压并调节输出,而无需使用电感。
磁性部件的缺失激发了人们对这种用于电路板级应用的转换器类型的兴趣。像MAX682这样的电荷泵转换器具有更高的开关频率和更低的导通电阻,在只有5mm × 8.6mm (44mm(2))的空间内提供5V @ 250mA。
更高的功率水平由开关模式稳压器管理,在升压、降压和上/下配置中使用外部电感。Maxim推荐经过测试和验证的电感器,通常指定来自两个或更多供应商的零件号。大多数是标准的SMD零件,这些零件在全球范围内都可以买到,而且是“现成的”,易于采购和全自动组装。
您可以选择具有内部功率MOSFET和控制电路的器件,例如MAX887,在SO封装中能够提供500mA的降压稳压器,或MAX710,具有低差(LDO)的升压转换器,在16QSOP封装中提供500mA。为了将输出电流管理到35A,像MAX1638这样的器件采用外部功率MOSFET。
MAX1638(图12)是一款同步降压控制器,能够通过数字总线改变其稳压输出电压。它符合英特尔的VRM 8.2规范,提供大输出电流(超过35A),并且需要比满足负载调节规定的动态容差级别所需的输出电容小。为了限制负载电流快速变化引起的过调和欠调,MAX1638控制一个由两个小功率mosfet组成的“故障捕捉”电路,通过减小电容器尺寸节省成本和空间。

点击查看完整尺寸
图12。该降压控制器提供同步整流与数字可调输出电压。
当输出电压偏离调节超过±2%时,p通道或n通道故障捕捉开关打开,通过从输入或地直接向输出注入电流,迫使输出恢复调节。在使用最小值输出电容的应用中,此动作对输出小于2V的应用最有效。
| D4 | D3 | D2 | D1 | D0 | 输出 电压 (V) | 兼容性 |
| 0 | 0 | 0 | 0 | 0 | 2.050 | 英特尔兼容的DAC代码 |
| 0 | 0 | 0 | 0 | 1 | 2.000 | |
| 0 | 0 | 0 | 1 | 0 | 1.950 | |
| 0 | 0 | 0 | 1 | 1 | 1.900 | |
| 0 | 0 | 1 | 0 | 0 | 1.850 | |
| 0 | 0 | 1 | 0 | 1 | 1.800 | |
| 0 | 0 | 1 | 1 | 0 | 1.750 | 继续50mV增量至1.3V |
| 0 | 0 | 1 | 1 | 1 | 1.700 | |
| 0 | 1 | 0 | 0 | 0 | 1.650 | |
| 0 | 1 | 0 | 0 | 1 | 1.600 | |
| 0 | 1 | 0 | 1 | 0 | 1.550 | |
| 0 | 1 | 0 | 1 | 1 | 1.500 | |
| 0 | 1 | 1 | 0 | 0 | 1.450 | |
| 0 | 1 | 1 | 0 | 1 | 1.400 | |
| 0 | 1 | 1 | 1 | 0 | 1.350 | |
| 0 | 1 | 1 | 1 | 1 | 1.300 | |
| 1 | 0 | 0 | 0 | 0 | 3.500 | 英特尔兼容的DAC代码 |
| 1 | 0 | 0 | 0 | 1 | 3.400 | |
| 1 | 0 | 0 | 1 | 0 | 3.300 | |
| 1 | 0 | 0 | 1 | 1 | 3.200 | |
| 1 | 0 | 1 | 0 | 0 | 3.100 | |
| 1 | 0 | 1 | 0 | 1 | 3.000 | |
| 1 | 0 | 1 | 1 | 0 | 2.900 | |
| 1 | 0 | 1 | 1 | 1 | 2.800 | |
| 1 | 1 | 0 | 0 | 0 | 2.700 | |
| 1 | 1 | 0 | 0 | 1 | 2.600 | |
| 1 | 1 | 0 | 1 | 0 | 2.500 | |
| 1 | 1 | 0 | 1 | 1 | 2.400 | |
| 1 | 1 | 1 | 0 | 0 | 2.300 | |
| 1 | 1 | 1 | 0 | 1 | 2.200 | |
| 1 | 1 | 1 | 1 | 0 | 2.100 | |
| 1 | 1 | 1 | 1 | 1 | N/A | 关闭 |
社群二维码
关注“华强商城“微信公众号
Copyright 2010-2023 hqbuy.com,Inc.All right reserved. 服务热线:400-830-6691 粤ICP备05106676号 经营许可证:粤B2-20210308