摘要: 随着电源效率的提高,电路电阻趋于下降。这可以创建高频电路,具有产生大电压过调和长衰减时间的潜力。它会在半导体中引起过电压应力,从而限制电路的效率和可靠性。
随着电源效率的提高,电路电阻趋于下降。这可以创建高频电路,具有产生大电压过调和长衰减时间的潜力。它会在半导体中引起过电压应力,从而限制电路的效率和可靠性。
用一个简单的电阻-电容网络来抑制这些高频电路可以提供阻尼,从而最大限度地减少振铃和过电压应力。
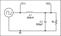
图1所示的基本电路可以作为一个有用的模型。L1和C1形成一个由RL阻尼的谐振电路。在实际应用中,很难使用RL作为阻尼,因为它要么物理上太大,要么太远,无法在振铃频率(通常在MHz范围内)作为实际电阻负载运行。

图1所示。
当用10V的方波在V(1)处刺激图1中的电路时,V(2)处的输出呈环形。在这种电路中,元件应力几乎增加了一倍。10V的刺激产生19V的反应。图2中的图显示了V(1)(顶部跟踪)和V(2)(底部跟踪)。在这个10MHz的振铃频率下,很难预测单个电路组件的行为。

图2所示。
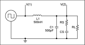
确定给定电路的最佳缓冲器的一个非常简单的方法是找到L-C谐振槽的组成部分。如果不知道实际的槽电路,尝试在可疑节点上添加电容器,直到观察到振铃频率的变化。如果电路中所有可能的节点都耗尽了,试着移动一块铁氧体靠近电路板。当高渗透性铁氧体与槽中的电流回路相互作用时,可以通过观察频率的降低来识别其组成部分。一旦找到槽电容,在其上增加电容,直到振铃频率减半。通过将总电容值平方,然后在电容器上添加串联电阻,直到达到可接受的阻尼,将振铃频率减半。该缓冲电路由RS和CS组成,如图3所示。

图3所示。
通过知道将频率减半需要多少电容,就很容易用公式确定电路电感

式中C1和F分别为电路的原始电路电容和振铃频率。因为需要C1 + 3加上C1才能使频率减半,所以电路的原始电容是通过将增加的电容除以3来计算的。抑制超调的最佳电阻是新谐振频率下感应阻抗的两倍。例如,如果电路呈现100ns的环,添加1500pf的电容将周期减少到200ns,则C1和L2的计算值分别为500pF和500nH。则感应阻抗为

由于新频率为5MHz, L1为500nH,因此Z = 15.7欧姆。为了找到最佳电阻,将这个电感阻抗乘以2:对于这个电路,32欧姆。由此产生的超调和衰减大大减少,如图4中的图所示。

图4所示。
在电阻RS中耗散的功率可以通过假设在每次转换时附加电容器中存储的能量在电阻中损失或粗略计算出来

其中P为电阻器耗散功率,单位为瓦,CS为附加电容,Vpk为电容峰值电压,Ft为开关频率(每周期两次跃迁)。在100kHz的电路中,RS耗散约31mW。这只是电阻器大小及其对电路影响的近似值。为了更精确地计算功耗,必须知道通过电阻器的真实RMS电流RS。
如果希望进一步降低振铃电压,则向槽中增加电容,直到振铃频率降低三倍。这种减少将以功率损失为代价,因为电路需要驱动9倍以上的电容。对于上面的例子,需要增加4000pF或8倍CS的值才能将振铃频率降低到3.33MHz (300nS)。增加的电容除以8得到电路电容C1,感应阻抗为10.5欧姆。再一次,为了求出RS,电感电抗必须乘以2。对于这个电路21欧姆是RS的最佳值,它的耗散大约为63mW。图5中的曲线图显示了图3中电路对这些值的响应。

图5所示。
虽然怠工有损耗,但可以提高效率和可靠性。由于较少的振铃,可以使用较低电压的部件,并且可以避免半导体中雪崩效应造成的过多损耗。电路噪声也降低了。这种方法可以快速解决工程师在实验室没有时间进行电路测量和分析时遇到的问题。
社群二维码
关注“华强商城“微信公众号
Copyright 2010-2023 hqbuy.com,Inc.All right reserved. 服务热线:400-830-6691 粤ICP备05106676号 经营许可证:粤B2-20210308