摘要: 介绍了RS-485数据系统的节电方法。
本文介绍了RS-485数据通信系统的节电方法。方法包括低功耗收发器集成电路(ic),内置故障安全阈值的ic,允许消除电缆故障安全电阻,使用CMOS而不是TTL驱动器,在不传输时采用驱动器禁用功能,在低数据速率短电缆长度应用中消除终端电阻,以及在实际情况下在3.3V电源下工作。推荐使用MAX3088和MAX3471。
如果您了解如何同时保持良好的传输质量,那么在饱和功率高的RS-485设计中减少脂肪是很简单的。下面的讨论涵盖了实现这一目标你应该知道的事实、神话和肮脏的技巧。
工业和建筑自动化系统包括各种远程数据采集设备,这些设备通过一个中央单元发送和接收数据,使数据可供用户和其他处理器使用。数据记录器和电表读取器是这些应用程序的典型代表。RS-485标准定义了用于此目的的近乎理想的数据传输链路,该标准使用单个双绞线电缆将数据采集设备互连。
由于RS-485网络中的许多数据采集和数据收集设备都是小型的手持电池供电设备,因此为了控制其热量积聚和延长电池寿命,节能是必要的。同样,对于使用RS-485接口将长数据下载到主机处理器的手持式仪器和其他应用程序来说,功耗也是一个问题。
如果您不熟悉RS-485,请参见RS-485基础。
功率损耗的一个明显指标是收发器的静态电流(I(Q)),而现代部件大大降低了这一因素。表1比较了低功耗CMOS收发器与双极工业标准75176的静态电流。
| 部分 | 一级(Q)(残疾司机) | I(Q)(驱动启用) | 关闭当前 | 最大数据速率 | 
| MAX3471 | 2.8µ | 83µ | N/A | 64 kbps | 
| MAX1483 | 20µ | 55µ | 0.1µ | 250 kbps | 
| Max3088 (srl = gnd) | 420µ | 475µ | 1 na | 10 mbps的 | 
| SN75ALS176 | 19000µ | 30000µ | N/A | 35 mbps | 
RS-485收发器的另一个功耗特征是在空载、驱动启用和交流输入信号的条件下。因为在任何时候都应该避免打开RS-485线,驱动器在每次输出转换期间“撬锁”它们的输出结构。这两个输出晶体管的短暂导通同时产生了电源电流的尖峰。足够大的输入电容可以平滑这些电流尖峰,产生随数据速率增加直至最大值的均方根电流。对于MAX1483收发器,此最大值约为15mA。
将标准RS-485收发器连接到最小负载(另一个收发器,两个终止电阻和两个故障安全电阻),可以在更现实的条件下测量电源电流对数据速率的依赖性。图2显示了在以下条件下MAX1483收发器的I(CC)与数据速率的关系:标准560欧姆/120欧姆/560欧姆电阻,V(CC) = 5V, DE = /RE\ = V(CC)和1000英尺的电缆。
如图2所示,即使在极低的数据速率下,电源电流也增加到约37mA;这主要是由于增加了终端和故障安全偏置电阻。对于低功耗应用,这应该表明所使用的终端类型以及如何实现故障安全的重要性。下一节将描述Failsafe,在“终止的肮脏把戏”一节中可以找到关于终止的详细描述。
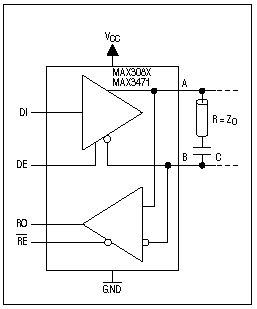
RS-485接收器输入在-200mV和+200mV之间,输出未定义。也就是说,如果半双工配置的RS-485端的差分电压为0V,并且没有主收发器驱动线路(或连接松动),则逻辑“高”输出与逻辑“低”输出一样可能。为了确保在这些条件下的定义输出,当今大多数RS-485收发器都需要故障安全偏置电阻:一条线上的上拉电阻(a)和另一条线上的下拉电阻(B),如图1所示。从历史上看,大多数原理图上的故障安全偏置电阻标记为560欧姆,但为了减少功率损耗(仅终止一端时),该值可以增加到大约1.1k欧姆。一些设计人员终止两端的电阻值在1.1k欧姆和2.2k欧姆之间。权衡是噪声抗扰性与电流消耗。

图1所示 三个外部电阻为RS-485收发器形成一个终端和故障安全偏置网络

图2 MAX1483收发器的电源电流随数据速率变化,如图所示
收发器制造商首先通过在接收器输入端提供内部上拉电阻来避免外部偏置电阻,但这种方法仅对检测开路有效。这些伪故障安全接收器中使用的上拉线太弱,无法定义端接总线的接收器输出。其他避免外部电阻的尝试违反了RS-485规范,将接收器阈值更改为0V和-0.5V之间的水平。
器件的MAX3080和MAX3471系列收发器通过指定-50mV至-200mV的精确接收器阈值范围解决了这两个问题,从而消除了对故障安全偏置电阻的需求,同时完全符合RS-485标准。这些部件确保接收器输入的0V产生逻辑“高”输出。此外,该设计保证了开路和短路条件下已知的接收器输出状态。
如表1所示,收发器的静态电流绘制差异很大。因此,节省功耗的第一步是选择低功耗部件,例如MAX3471(2.8µA,禁用驱动程序,最高64kbps)。由于收发器的功耗在传输过程中大幅增加,因此另一个目标是通过传输具有长等待时间的短数据电报来最小化驱动器的工作时间。表2显示了典型的串行传输电报的结构。
| 控制位 | 地址位 | 数据位 | 校验位 | 控制位 | 
一个RS-485系统,包括1单元负载接收器(32个可寻址设备),可以有以下位:5个地址位,8个数据位,起始位(所有帧),停止位(所有帧),奇偶校验位(可选)和CRC位(可选)。这种配置的最小电报长度是20位。为了安全传输,您必须发送额外的信息,如数据长度、发送地址和方向,这导致电报长度达到255字节(2040位)。
这种电报长度的变化用X.25等标准定义的电报结构来交换总线时间和功耗,以保证数据安全。例如,以200kbps的速度传输20位需要100µs。使用MAX1483以200kbps的速度每秒发送数据需要的平均电流为
(100µs*53mA + (1s - 100µs)* 20µA)/1s = 25.3µA
当收发器处于空闲模式时,必须禁用其驱动程序以达到最小功耗。表3显示了电报长度对单个MAX1483驱动器的功耗的影响,该驱动器在传输之间具有定义的中断。在提供固定时间轮询技术或传输之间更长的确定性中断的系统中,使用关闭模式可以进一步限制功耗。
| 电报 | 每一秒。 | 每10秒一次。 | 每60秒。 | 
| 20位 | 25.3µ | 20.5µ | 20.1µ | 
| 100位 | 61.1µ | 24.1µ | 20.7µ | 
| 255字节 | 560.4µ | 74µ | 29µ | 
除了这些软件方面的考虑之外,硬件在功耗方面还有很大的改进空间。图3比较了各种收发器在启用驱动器和接收器的情况下,通过1000英尺长的电缆传输方波时所产生的电源电流。75ALS176和MAX1483在总线的每一端都用标准的560欧姆/120欧姆/560欧姆网络端接,而“真正的故障安全”部件(MAX3088和MAX3471)在总线的每一端只有120欧姆端接电阻。在20kbps时,电源电流范围从12.2mA (MAX3471, V(CC) = 3.3V)到70mA (75ALS176)。因此,当您选择具有真正故障安全功能的低功耗部件时,可以立即节省大量功率,同时也消除了对偏置电阻(接地和V(CC))的需求。确保您选择的RS-485接收器在差分接收线上的短路和打开条件下产生有效的逻辑输出电平。

图3 IC收发器的供电电流与数据速率差别很大
如上所述,终端电阻消除了由阻抗不匹配引起的反射,但其缺点是额外的功耗。它们的影响如表4所示,其中列出了各种收发器(启用驱动器)在无电阻、仅端接电阻和端接/故障安全偏置电阻组合的条件下的电源电流。
| MAX1483 | MAX3088 | MAX3471 | SN75ALS176 | |
| 1 (VCC(无RT)) | 60µ | 517µ | 74µ | 22µ | 
| I(vcc (rt =120)) | 24µ | 22.5µ | 19.5µ | 48µ | 
| I(vcc (rt = 560-120-560)) | 42岁µ | N/A | N/A | 70µ | 
最小化功耗的第一种方法是完全消除终端电阻。此选项仅适用于短电缆和低数据速率,这允许反射在数据在接收器中采样之前解决。根据经验,当信号的上升时间至少比通过电缆的单向传播延迟长四倍时,不需要终止。在以下步骤中,使用该规则计算非端接电缆的最大可用长度:
步骤1。对于所讨论的电缆,找出单向传播速度,通常由电缆制造商提供,作为自由空间中光速的百分比(c = 3 × 10(8) m/s)。标准绝缘PVC电缆(由#24 AWG双绞线组成)的典型值为8in/ns。
步骤2。对于RS-485收发器,请从数据表规格中找到其最小上升时间(t(r min))。例如,MAX3471指定为750ns。
步骤3。最小上升时间除以4。对于MAX3471, t(r min)/4 = 750ns/4 = 187.5ns。
步骤4。计算不需要终端的最大电缆距离:187.5ns(8in/ns)(1ft/12in) = 125ft。
因此,MAX3471可以保持良好的信号质量,同时以64kbps的速度在125英尺的电缆上发送和接收,没有终端。图4显示了当100英尺的电缆和120欧姆termination电阻代替1000英尺的电缆和无终端电阻时,MAX3471电源电流的显著降低。

图4 电阻性终止表示功率的主要损失
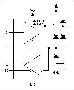
乍一看,RC终端阻断直流电流的能力是非常有希望的。但是,您会发现,这种技术施加了特定的条件。终端由横跨差分接收器输入(A和B)的串联R和C组成,如图5所示。虽然R总是等于电缆的特性阻抗Z(0),但C的选择需要一些判断。较大的C值通过允许任何信号看到匹配Z(0)的R提供良好的终止,但较大的值也增加驱动器的峰值输出电流。不幸的是,更长的电缆需要更大的C值。已经有很多文章针对这种权衡来优化C值。您可以在本文末尾的参考资料中找到详细的公式。

图5 RC终端减少功率损耗,但需要仔细选择C值
平均信号电压是另一个经常被忽视的重要因素。除非平均信号电压是直流平衡的,否则由于模式相关的倾斜(称为“符号间干扰”),直流阶梯效应会导致显著的抖动。简而言之,RC终端在降低电源电流方面是有效的,但它们往往会破坏信号质量。由于RC终止对其使用施加了如此多的限制,因此在许多情况下,更好的替代方案是根本不终止。
肖特基二极管提供了一个替代终端时,功耗是一个问题。与其他终端类型不同,肖特基二极管不试图匹配线路阻抗。相反,它们只是简单地压制由反射引起的过亮和过暗。因此,电压漂移被限制在一个方向上的正轨加上肖特基二极管正向压降,以及在另一个方向上的地减去肖特基压降。
肖特基二极管终端浪费很少的功率,因为它们只在存在过冲和欠冲的情况下传导。另一方面,标准电阻终端(带或不带故障安全的偏置电阻)连续地消耗功率。图6说明了肖特基二极管用于消除反射的用途。肖特基二极管不实现故障安全操作,但MAX308X和MAX3471收发器允许的阈值电压的选择使您可以使用这种类型的终端实现故障安全操作。

图6 虽然昂贵,肖特基二极管终端提供了许多优点
理想二极管(零正向电压V(f),零导通时间t(ON)和零反向恢复时间t(rr))的最佳近似是肖特基二极管,其在取代耗电终端电阻方面的价值引起了极大的兴趣。缺点是,RS-485/RS-422系统中的肖特基二极管终端不能箝位所有反射。一旦反射衰减到肖特基正向电压以下,它的能量就不受终端二极管的影响,一直持续到被电缆耗散为止。这种挥之不去的干扰是否是个问题取决于接收机输入端的信号强度。
肖特基终止法的一个主要缺点是成本。一个终端需要两个二极管。因为RS-485/RS-422总线是差分的,所以这个数字再次乘以2(图6)。总线上的多个肖特基终端并不罕见。
肖特基二极管终端对RS-485/RS-422系统有许多优点,其中最重要的是节能(图7)。不需要计算,因为在肖特基终端施加任何限制之前,电缆长度和数据速率将达到规定的最大值。作为进一步的优势,多个肖特基终端在不同的存根和接收器输入提高信号质量,而不需要长时间的通信总线。

图7 RS-485系统中的供电电流随数据速率和终端类型的不同而变化很大
当数据速率高且电缆较长时,RS-485系统中的“跳蚤功率”很难实现,因为需要线路终端。在这种情况下,具有“真正故障安全”接收器输出的收发器甚至可以通过消除对故障安全偏置电阻的需求而节省功率。软件通信结构还可以通过关闭收发器或在不使用时禁用驱动程序来降低功耗。
对于较低的数据速率和较短的电缆,功率差异是巨大的:使用带有120欧姆终端的标准SN75ALS176收发器在100英尺长的电缆上以60kbps的速度发送数据,从系统电源中消耗70mA。另一方面,在相同条件下使用MAX3471仅从电源获取2.5mA。
(1) California Micro Devices Staff,“ST-103:交流终端动力学”,California Micro Devices Corp, 1998。
(2)加州微器件公司员工,“ST-104:肖特基二极管终端动力学”,加州微器件公司,1998。
(3) Johnson, H.和Graham, M.,高速数字设计:黑魔法手册,1993。
(4) Jan Axelson,“RS-485电路的设计”,电路地窖,第107期,1999年6月。
这篇文章的类似版本出现在2000年12月的《星球》杂志上。
                        社群二维码
                        关注“华强商城“微信公众号
Copyright 2010-2023 hqbuy.com,Inc.All right reserved. 服务热线:400-830-6691 粤ICP备05106676号 经营许可证:粤B2-20210308