摘要: AD1859如何简化音频播放,提高保真度并轻松处理大范围的采样率。
AD1859在单芯片上提供业界功能最完整的16/18位立体声数字音频播放子系统。它将串行数字输入数据转换为滤波,缓冲,低失真,增益控制的立体声输出。它的异步主时钟,一个数字锁相环(DPLL),允许它接受来自各种来源的数据,时钟速率从28千赫到52千赫(使用外部27兆赫晶体),拒绝采样时钟抖动,大大简化了接口。
它是许多应用的理想选择,包括数字有线电视和直接广播卫星机顶盒解码器盒、视频CD播放器、CD- i播放器、高清电视、数字音频广播接收器、数字音频工作站、多媒体计算机以及各种形式的CD和数字磁带播放器。
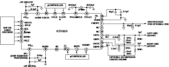
单片AD1859包括(图1)一个可变速率过采样数字插值滤波器,一个创新的带抖动的多位sigma-delta [西格马-得尔塔]调制器,一个耐抖动的数模转换器(DAC),开关电容和连续时间滤波器,输出驱动电路以及一个片上直流电压基准,封装在28引脚SOIC或SSOP封装中。片上音量控制(节省系统成本)包括一个立体声衰减器和静音,完全通过SPI兼容的串行控制端口编程。
†SPI是摩托罗拉公司的注册商标。

典型的应用中,AD1859提供了特别的优势,MPEG音频,要求三种不同的采样率:32,44.1和48 kHz。对于典型的sigma-delta音频DAC,设计人员必须提供一个外部时钟电路来合成与这三个采样频率相关的“主时钟”。AD1859是第一个具有异步主时钟的音频DAC,简化了这项任务。所有需要的是一个27兆赫时钟(提供外部或生成芯片上使用外部27兆赫晶体);AD1859的锁相环自动适应不同的输入采样率,大大节省了系统成本。DPLL将在100到200ms内锁定到任何新的采样率(应用于左右时钟引脚);高于或低于采样频率15Hz以上的抖动分量以每倍频6dB的频率被抑制(例如,高于或低于采样率150Hz的抖动减少20dB)。
保证的性能特征包括带a权重滤波器时最小动态范围为88dB(不带滤波器时为85.7dB),最大总谐波失真&噪声(THD+N) -84dB(0.0063%)在音频频段,20 Hz至20 kHz。图2是-0.5 dbfs幅值下THD+N随频率变化的典型图。图3是-90 db, 1 khz音调的FFT,伴随着时域图,展示了在这个低电平下不受谐波、杂散和量化影响的影响,这是系统的典型特征,但很难通过数字方式实现。

AD1859的另一个独特功能是创新的多比特西格马 - 得尔塔调制器(见侧栏),有助于抑制时钟抖动,提高系统可听性优势,减少带外能量,节省系统成本。

通过灵活的串行数据输入端口,AD1859的接口非常简单,可以与各种adc, dsp, AES/EBU接收器和采样率转换器进行无胶互连。通用串行数据输入端口可配置为左对齐,I(2) s -对齐,右对齐和DSP串口兼容模式。该芯片接受16位或18位的音频数据,采用MSB-first,双补格式。AD1859支持连续可变采样率和基本线性(±0.1%以内)相位响应。去重点是可选的,可在输出阶段,实现改进,采样率不变,噪声降低与添加只有几个外部组件。(图4)

当设备处于非活动状态时,断电模式(48mW vs. 330mW)可将功耗降至最低。整个立体声数字音频播放子系统从单个+5 v电源在-40°C至+105°C的温度范围内工作;它采用28针SOIC和SSOP封装。
AD1859提供了极好的保真度和低线性度,大大降低了电路复杂性,可以轻松地与dsp(数字信号处理器)和adc(数字转换器)接口,并降低了数字音频播放系统的功耗和成本。
它与传统设备有两个关键的区别。首先是其独特的数字锁相环时钟管理器。这是一个异步采样率管理器,自动调整传入采样频率,并允许AD1859由不同的频率从它自己的主时钟进行时钟。它是基于专利的异步采样率转换技术开发的设备(对话28- 1,1994,pp. 9-11)。到目前为止,还没有其他音频DAC具有此功能。其他音频dac(数字到转换器)需要一个调谐良好的高频主时钟,运行在预期音频采样率的256或384倍。这种高频同步时钟的产生和管理对电路板级设计人员来说是一项繁重的工作。
外部异步时钟振荡器可用于提供AD1859的主时钟;然而,AD1859包含一个片上振荡器,因此设计人员只需要提供一个廉价的石英晶体或陶瓷谐振器作为外部时基。AD1859的板载DPLL将在大约100毫秒内锁定到其主时钟频率的1/512和1/1024之间的任何输入采样率。晶体时间基或MCLK输入上的抖动被拒绝(凭借片上开关电容滤波器),以及传入LRCLK输入上的抖动达到音频dac中前所未有的水平。
AD1859的第二个差异化特征是其专利的多比特sigma-delta调制器,与竞争ic相比,其带外噪声能量显着降低。较低的带外噪声能量减少了对dac后滤波的需求,因此所有必要的dac后滤波(除了可选的去强调)都集成在芯片上。多位西格马-得尔塔调制器的另一个特点是对数字基板噪声的高抗扰性,进一步提高了音频信号的完整性。
什么是多比特西格马 - 得尔塔调制器?在基本方法中,典型的西格马 - 得尔塔调制器具有两级量化,并且dac必须平均脉宽调制的满量程方波;但是在AD1859的情况下,使用了17级量化,并且平均滤波器的输入可以被认为是平滑17级楼梯的1/16全尺寸元素的更容易的任务。此外,AD1859以128倍的输入采样率对输入信号进行采样,是常规采样率的两倍。额外的量化水平和更高的过采样比意味着输出频谱中包含的带外噪声能量水平显著降低;允许更简单的dac后重构滤波器。它降低了过渡带的陡度和衰减要求,从而降低了相位失真,提高了保真度。
有不利的一面吗?传统上限制多位西格马-得尔塔转换器性能的问题是用于量化电平求和的无源电路元件的非线性。设计者们发明了一种革命性的架构来克服这个问题。
该芯片的其他有趣特征包括使用带有三角概率分布函数的抖动来进一步降低量化噪声;片上低通滤波由一个二阶开关电容滤波器和一个一阶连续时间滤波器组成。除了滤除噪声外,它还减少了任何残余主时钟抖动的影响。
AD1859是由我们计算机产品部的Bob Adams, Tom Kwan和Bob Libert在马萨诸塞州威尔明顿设计的。
(1)参见“具有异步主时钟接口的立体声多位西格马-得尔塔 DAC”,由Tom Kwan, Bob Adams和Bob Libert撰写,1996 IEEE国际固态电路会议记录。
社群二维码
关注“华强商城“微信公众号
Copyright 2010-2023 hqbuy.com,Inc.All right reserved. 服务热线:400-830-6691 粤ICP备05106676号 经营许可证:粤B2-20210308