摘要: 提供DS2148/DS21348在硬件模式下功能的重点视图。
DS2148/DS21348有两种主要的工作模式:软件模式和硬件模式。“模式”是指用于控制设备功能的方法。实现软件模式的应用程序使用微控制器的串行或并行总线与DS2148/DS21348中包含的控制寄存器通信。在硬件模式下,串行/并行通信总线引脚的功能被重新分配,这样引脚的逻辑状态可以直接控制DS2148/DS21348的内部功能。
DS2148和DS21348数据表包含在使用T1或E1接口的设计中实现DS2148/DS21348所需的所有信息。数据表是在考虑软件模式用户的情况下编写的,因此包含使用控制寄存器设置DS2148/DS21348所需的信息,以及使用硬件模式时不可用的软件模式下可用的附加功能。
本应用说明重点介绍了DS2148/DS21348在硬件模式下的功能,并参考了软件模式功能,以帮助设计人员仅使用硬件模式创建应用程序。
在硬件模式下使用DS2148/DS21348的优点是不需要微控制器来控制其功能。每个应用程序都有确定是否可以使用硬件模式的特定需求。首先要考虑的是,在应用程序中是否需要仅在软件模式中可用的任何特性。表1列出了在硬件模式中完全消除的所有软件模式特性。提供寄存器位位置和名称是为了方便参考DS2148和DS21348数据表中包含的功能的完整描述。
所有需要改变能力的主要功能都在硬件模式下由外部引脚控制。表2提供了软件模式位位置和在硬件模式下用于控制DS2148/348的相应引脚的功能参考。
虽然一些软件可控特性在硬件模式下不可用,但DS2148/DS21348默认功能经过精心选择,可以在正常应用程序中按预期执行。表3列出了这些特性及其在硬件模式下的默认操作。表4提供了每个引脚的硬件模式功能的完整描述。
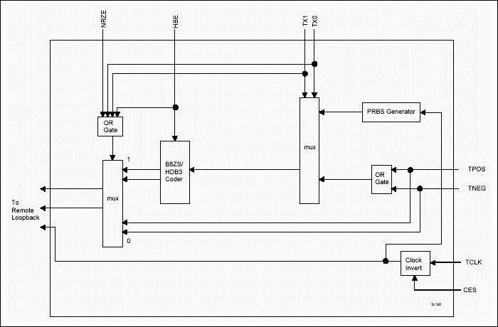
图1、2和3提供了DS2148/DS21348在硬件模式下的功能框图,与数据表中对应的软件模式类似。与数据表中提供的框图相反,DS2148/DS21348的外部引脚替换了对控制寄存器的引用。仅软件模式的功能也被删除了。
虽然大多数DS2148/DS21348应用程序实现软件模式,但硬件模式仍然是许多客户的可行选择。将此文档与DS2148和DS21348数据表一起使用,可以提供以最少的时间和精力启动和运行硬件模式应用程序所需的信息。
| 位置 | 函数 |
| CCR1.4 | 错误计数器更新启用 |
| CCR1.2 | 给杰克打电话 |
| CCR1.1 | 感谢RCLK |
| CCR1.0 | 发送损耗时钟多路控制 |
| CCR2.4 | 自定义线路驱动选择 |
| CCR3.6 | 自动传输无帧所有的 |
| CCR3.3 | 发送环路码使能 |
| CCR3.2 | 线路接口复位 |
| CCR3.1 | 插入BPV |
| CCR3.0 | 插入位错误 |
| CCR5.7 | 背板时钟选择“1” |
| CCR5.6 | 背板时钟选择“0” |
| CCR6.5 | 自动远程环回启用和重置 |
| CCR6.3 | RCLK抖动衰减器旁路 |
| CCR6.2 | 错误计数寄存器选择2 |
| CCR6.1 | 错误计数寄存器选择1 |
| CCR6.0 | Error Count Register选择0 |
| 位置 | 销 | 函数 |
| CCR1.7 | 美国教育考试服务中心 | E1 / T1选择 |
| CCR1.6 | NRZE | NRZ启用 |
| CCR1.3 | JAMUX | 抖动衰减器 |
| CCR2.3 | HBE | 接收HDB3/B8ZS使能 |
| CCR2.2 | HBE | 传输HDB3)。B8ZS启用 |
| CCR2.1 | 消费电子产品展 | 发送时钟边选择 |
| CCR2.0 | 消费电子产品展 | 接收时钟边缘选择 |
| CCR3.7 | TX0, TX1 | 传送无框架的全一 |
| CCR3.5 | TX0, TX1 | 发送备用1和0 |
| CCR3.4 | TX0, TX1 | 传送交替的1和0 |
| CCR4.7 | L2 | 线路建立选择引脚2 |
| CCR4.6 | L1 | 线路建立选择引脚1 |
| CCR4.5 | L0 | 线路扩展选择引脚0 |
| CCR4.4 | EGL | 接收均衡器增益限制 |
| CCR4.3 | 雅 | 抖动衰减器选择 |
| CCR4.1 | DJA | 禁用抖动衰减器 |
| CCR4.0 | 一系列问题 | 传达省电 |
| CCR5.5 | MM1 | 监控模式1 |
| CCR5.4 | MM0 | 监控模式0 |
| CCR5.3 | SCLKE | 接收同步时钟使能 |
| CCR5.2 | SCLKE | 发送同步时钟使能 |
| CCR5.1 | RT1也 | 接收终止1 |
| CCR5.0 | RT0 | 接收终止0 |
| CCR6.7 | LOOP0, LOOP1 | 当地的环回 |
| CCR6.6 | LOOP0, LOOP1 | 远程回送 |
| CCR6.4 | LOOP0, LOOP1 | 回送 |
| 位置 | 函数 | 硬件模式功能 |
| CCR1.5 | 接收载波损耗替代标准 | 在255 (E1)或192 (T1)个连续零上声明RCL |
| CCR2.7 | 引脚25选择 | 在接收载波丢失的情况下切换高电平 |
| CCR2.5 | 短路限制禁用 | 50mA限流器使能 |
| CCR4.2 | 抖动衰减器缓冲深度选择 | 128位 |
| 名字 | 销 | 类型 | 函数 |
| BIS0 | 32 | 我 | 总线接口选择引脚0和1。这些引脚用于选择总线接口选项。BISO = 1和BIS1 = 1选择硬件模式。 |
| BIS1 | 33 | ||
| BPCLK | 31 | O | 背板时钟。16.384 mhz输出 |
| 消费电子产品展 | 12 | 我 | 收到,发送时钟边选择。选择哪条RCLK边更新RPOS和RNEG,哪条TCLK边采样TPOS和TNEG。 0 =更新RCLK上升沿的RNEG/RPOS;TCLK下降沿上的TPOS/TNEG样品 1 =更新RCLK下降沿上的RNEG/RPOS;样品TPOS/TNEG在TCLK上升沿 |
| DJA | 8 | 我 | 禁用抖动衰减器 0 =启用抖动衰减器1 =禁用抖动衰减器 |
| EGL | 1 | 我 | 接收机均衡器增益限制。这个位控制接收器均衡器的灵敏度。 Egl e1 (ets = 0) 0 = - 12db(短距离) 1 = -43 dB(长途) Egl t1 (ets = 1) 0 = - 36db(长途) 1 = - 30db(有限长途) |
| 美国教育考试服务中心 | 2 | 我 | E1 / T1选择 0 = 1 1 = t1 |
| HBE | 11 | 我 | 收到,传输HDB3/B8ZS使能。 0 = enable HDB3 (E1) / B8ZS (T1) 1 = disable HDB3 (E1) / B8ZS (T1) |
| HRST | 29 | 我 | 硬件复位。把HRSTlow复位DS21348 |
| JAMUX | 9 | 我 | 抖动衰减MUX。控制jack的源。 E1 (ets = 0)JAMUXMCLK = 2.048 MHz0T1 (ets = 1)MCLK = 2.048 MHz1MCLK = 1.544 MHz0 |
| 雅 | 10 | 我 | 抖动衰减选择器。 0 =将抖动衰减器放在接收端 1 =将抖动衰减器放在发射端 |
| L0 | 7 | 我 | 传输波形选择引脚0,1,&2.这些输入决定了发射机的波形 L2L1L0E1 (ets = 0)应用00075欧姆正常001120欧姆正常10075欧姆 w/高回报损失101120欧姆 w/高回报损失T1 (ets = 1)应用000DSX-1(0至133英尺)/ 0dB CSU001DSX-1(133至266英尺)010DSX-1(266至399英尺)011DSX-1(399至533英尺)100DSX-1(533至655英尺)101-7.5 dB CSU110- 15db CSU111-22.5 dB CSU |
| L1 | 6 | ||
| L2 | 5 | ||
| LOOP0 | 16 | 我 | 环回选择0 &1.这些输入决定了活动环回模式(如果有的话)。 LOOP1LOOP0象征回送00---没有回送01铝青铜回送10法学学士当地的环回11RLB远程回送 |
| LOOP1 | 17 | ||
| MCLK | 30. | 我 | 主时钟。一个2.048MHz(±50ppm)时钟源与TTL电平应用在这个引脚。这个时钟在内部用于时钟/数据恢复和抖动衰减。可选使用T1 1.544 MHz时钟源。G.703要求T1和E1的精度为±50ppm。TR62411和ANSI规格要求T1接口的精度为±32ppm。 |
| MM0 | 18 | 我 | 监控模式选择引脚0 &1.这些输入决定接收均衡器是否处于监视器模式。 MM1MM0内部增益提升00正常运行(无升压)0120 db1026 db1132个分贝 |
| MM1 | 19 | ||
| NRZE | 3. | 我 | NRZ启用 0 = RPOS/RNEG和TPOS/TNEG双极数据 1 = RPOS和TPOS或TNEG的NRZ数据;当设备接收到BPV、CV或EXZ信号时,RNEG输出一个正输出脉冲。 |
| PBEO | 24 | O | PRBS引脚错误输出。根据选择的是T1还是E1模式,接收方将不断搜索QRSS (T1)或2(15)- 1 (E1) PRBS。如果与PRBS模式不同步,则保持高值。当与PRBS模式同步时变低。同步后接收模式中的任何错误都将导致与RCLK同步的正向脉冲(与E1或T1时钟相同周期)。 |
| RCLK | 40 | O | 接收时钟。缓冲从线路中恢复的时钟。在RTIP和RRING没有信号时与MCLK同步。 |
| RCL | 25 | O | 接收载波损失。在接收载波损耗期间切换到高电平的输出。 |
| RNEG | 39 | O | 接收负面数据。在RCLK的上升沿(CES = 0)或下降沿(CES = 1)上更新,双极数据出线接口。对于NRZ应用,请选择“NRZE”为1。在NRZ模式下,数据将在RPOS上输出,而接收到的错误将在RNEG上引起与RCLK同步的正向脉冲。 |
| rpo | 38 | O | 接收正面数据。在RCLK的上升沿(CES = 0)或下降沿(CES = 1)上更新,双极数据出线接口。对于NRZ应用,请选择“NRZE”为1。在NRZ模式下,数据将在RPOS上输出,而接收到的错误将在RNEG上引起与RCLK同步的正向脉冲。 |
| RT0 | 44 | 我 | 接收LIU终止选择引脚0 &1.这些输入决定接收终止。 内部获得RT1也RT0终端配置00内部接收端终止被禁用01内部接收端120欧姆启用10内部接收端100欧姆启用11内部接收端75欧姆启用 |
| RT1也 | 23 | ||
| RTIP | 27 | 我 | 收到小费和戒指。时钟恢复电路的输入。这些引脚通过1:1变压器连接到线路上。 |
| 结构 | 28 | ||
| SCLKE | 4 | 我 | 收发同步时钟使能。 0 =禁用2.048MHz同步收发模式 1 =启用2.048MHz同步收发模式 |
| TCLK | 43 | 我 | 传输时钟。一个2.048MHz或1.544MHz的主时钟。用于通过发送端格式化器对数据进行时钟处理。 |
| 测试 | 26 | 我 | 三态控制。设置高至三状态所有输出和I/O引脚。设置低为正常运行。有用的板级测试。 |
| TNEG | 42 | 我 | 发送负面数据。在TCLK的下降沿(CES = 0)或上升沿(CES = 1)上采样,以便将数据传输到线路上。 |
| 一系列问题 | 13 | 我 | 传达省电 0 =变送器正常工作 1 =关闭发射机电源,TTIP和TRING引脚三态 |
| 房产申诉专员署 | 41 | 我 | 发送正面数据。在TCLK的下降沿(CES = 0)或上升沿(CES = 1)上采样,以便将数据传输到线路上。 |
| 方式确定 | 34 | O | 发送Tip和Ring [TTIP和string]。线路驱动器输出。这些引脚通过升压变压器连接到线路上。 |
| 特林 | 37 | ||
| TX0 | 14 | 我 | 传输数据源选择引脚0 &1.这些输入决定了传输数据的来源。 TX1TX0象征传输数据00---传真照片,TNEG01TPRBSE将伪随机位序列10TAOZ发送交替的1和011TUA1传送无框架的全一 |
| TX1 | 15 | ||
| V (DD) | 21日,36 | --- | 积极的供给。Ds2148 = 5.0v±5%;Ds21348 = 3.3v±5% |
| 扫描仪 | 20. | 我 | 供电方式。DS2148 =连接V(DD)。DS21348 =连接V(SS)。 |
| V (SS) | 22日,35 | --- | 信号地 |

图1所示 DS2148/DS21348硬件模式框图

图2 DS2148/DS21348硬件模式接收逻辑

图3 DS2148/DS21348硬件模式传输逻辑
上一篇:运算放大器和低静态电流的重要性
社群二维码
关注“华强商城“微信公众号
Copyright 2010-2023 hqbuy.com,Inc.All right reserved. 服务热线:400-830-6691 粤ICP备05106676号 经营许可证:粤B2-20210308