摘要: 数码相机正在迅速取代胶卷相机,由于传统的相机制造商和消费类电子制造商积极引进这一产品,导致市场的迅猛增长。由于高速逻辑、CCD图像传感器和显示器需要在同一时刻高效供电,数码相机中的电源管理设计非常困难。
数码相机正在迅速取代胶卷相机,由于传统的相机制造商和消费类电子制造商积极引进这一产品,导致市场的迅猛增长。由于高速逻辑、CCD图像传感器和显示器需要在同一时刻高效供电,数码相机中的电源管理设计非常困难。当然,对电源空间、重量和热量方面的要求也非常苛刻,为了满足这些设计要求,需要先进的PMIC。
一台数码相机可能需要六组或更多不同电压来支持其工作。其中包括驱动系统逻辑、低电压 DSP 核、快门驱动器、镜头马达、CCD偏置、LCD偏置以及LCD背光等。图1显示了一个典型的紧凑型数码相机的框图。第一代数码相机电源IC,以及目前仍在使用的有些产品,采用一个多通道PWM控制器,配合外部MOSFET和变压器产生多组相机工作电压。这种设计的局限性包括,比较差的效率,大量的外部元件,以及很大的电路尺寸等。尽管控制IC本身不贵,但整个电路的成本仍然很高,尤其是当需要采用高性能MOSFET和变压器来维持足够的效率,以便节省有限的电池寿命时,其缺点更加突出。

图1. 该框图显示了数码相机需要的多种工作电压
过去几年中,由于IC工艺的改进,已允许将更多的功能与功率开关集成在一起。更高的集成度,再加上更先进的IC封装技术,造就了新一代的集成多功能电源IC。这类芯片能够提供数码相机需要的全部电压,同时还显著延长了电池寿命,大幅减少了元件数量。尤其突出的是,在许多设计中还省去了变压器。这不仅降低了成本,同时还节省了设计时间,因为变压器通常是供应商没有存货的。变压器是定制元件,需要专门订货―标准的、成品化的电感则没有这些问题。
除了省去了变压器,新一代电源IC还提升了工作频率。这样就缩小了元件的尺寸,由于每秒内产生了更多的开关周期,因此每个开关周期内需要储存的能量更低了。结果是,电感量和滤波电容量降低了,电感和电容的尺寸也就减小了。降低电容量带来的另外一个好处是,当开关频率升至500kHz以上时,滤波器所需电容量将小到足以采用陶瓷电容。陶瓷电容被证实比电解电容更为可靠,并具有非常低的ESR,有利于降低纹波。
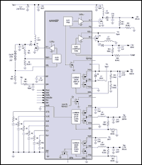
图2给出了一个用于紧凑型或袖珍型数码相机的电源方案。其中的多数出IC包含了六组DC-DC转换器。为数码相机这样的复杂系统开发大型IC的难点之一是,不同于PC,各款式数码相机对电源的要求会有较大的差异。电池、CCD尺寸、显示器和功能等方面的差异都会造成电源电压及功率的显著变化。考虑到不同相机之间的这种差异,最佳的电源芯片设计应该是一种内置/外接MOSFET转换器的混合电路。采用片上MOSFET的转换器用于提供耗电量比较大的电压,而采用外部MOSFET的PWM通道可灵活用于其余的电压输出。

图2. 这个用于小型数码相机的高集成度电源集成了六组DC-DC电源转换器
图2所示电路利用高效率的内部MOSFET通路为数码相机提供3.3V主逻辑电源、低压DSP核电源和5V电机电源。这些电源的工作时间最长,用电量最大。所以,它们从内部MOSFET功率开关和同步整流器的获益最大。这些转换器的效率可以达到95%。其他用于CCD图像传感器、LCD显示器和LED背光的电源不同设计会有较大差异,因此,最好采用外部MOSFET结构,以便针对不同的CCD像素数和LCD显示屏尺寸进行优化设计。
对于CCD偏置电源,通常是利用变压器产生正电压(常常是+15V)和负电压(-7.5V)输出。然而,变压器尺寸较大,当高度受到限制时使用会有问题。在空间受限的设计中,就像紧凑型相机,基于电感的反相和升压转换器更受欢迎。当像素数增加到3MP以上时情况更是如此,因为需要更高的输出电流。变压器的效率和尺寸局限这时会变得更加突出。本设计实例利用外接场管的升压通道(AUX1)产生+15V同时供应LCD和CCD偏置,外接场管的反相通道(AUX2)为CCD提供-7.5V偏压。
较之一些高端相机,紧凑型数码相机在功能方面也趋于紧凑。然而,一些比较小的袖珍型相机也开始提供一些原来只有大型相机才有的功能,例如光学变焦、自动对焦和更高的像素分辨率等。所有这些功能,尤其是用到马达的机械功能,例如自动对焦,一般使用5V电源,并会吸收高达数百毫安甚至更高的峰值负载电流,尽管挂在电源上的平均负载仅有峰值的十分之一,但峰值的持续时间又太长,无法用一个低电流的电源加一个大电容来供应。如果用电容来供应峰值负载的话,电容器的尺寸将大到无法接受,因此升压转换器必须按照马达负载的峰值电流来设计,这常常会高达1A。为了高效地驱动这种负载,需要采用高功率片上MOSFET (效率可高达95%)。
在小型数码相机中,两电池结构已成为主流。常用的有2节AA电池(碱性或镍氢)或1节锂电池。有时相机还会设计成同时兼容两种电池。这种结构会给电源设计者带来一个特殊的挑战,这是因为,有些时候需要将电池电压提升起来以产生特定的工作电压(例如3.3V)。而在其他时候,又必须将电池电压降低来产生同样的电压。这就要求一种升/降压(或buck/boost)设计。在老的相机设计中,有时采用反激(基于变压器)设计解决此问题,巨大、笨拙而且相当低效—效率常常不到70%。
具有多组输出的集成式设计可非常容易地得到buck/boost转换器,只需用升压电源来为降压转换器供电即可。这种方法在过去没有被广泛用于解决buck/boost难题,是因为它要求单独的buck和boost级要有极高的效率,方可得到足够的复合效率。不过,现在的电流模式升压和降压转换器可达到95%的效率,复合效率可到90%,远远优于反激和SEPIC设计所能达到的指标。
在何种情况下、以何种方式构建buck-boost转换器取决于电池类型。两节AA电池工作于1.8V至3.6V,而一节锂电池工作于2.7V至4.2V。单节锂电池供电的设计会需要buck/boost转换器产生3.3V。采用两节AA电池的设计也可能会用到buck/boost转换器,因为DSP核电源(典型为1.5V或1.8V)在电池重载时会由于没有足够的电压余量而无法直接由电池驱动。在这两种情况下,都可通过级连DC-DC转换器得到高效的buck/boost转换器。3.3V电源可以通过首先升压至5V (V(SU) 5V,图2),然后降压至3.3V得到(VM 3.3V,图2)。1.8V电源同样也可以用5V驱动降压转换器输入(PVSD)而得到。当然,采用单节锂电池时,用于内核的降压电源可直接由电池驱动(正如图2所示)。
紧凑型数码相机很有可能采用更小的电池。当然,电池越小对效率的要求也越高。另外,较小的电池无法象大电池那样供应峰值负载,系统电源管理必须频繁地关闭不用的电源,以延长电池的使用时间。当电源再次打开时,它不应吸取会将电池电压拉下来的大电流。图2所示的集成电源以受控的速率逐渐提升各路输入,因此在启动转换器时,输入浪涌电流被减至最低。这同时也确保输出以预知的方式上升,方便了电源排序。
除了在单片IC中提供所必需的各种电压外,集成电源还在同一芯片内整合了电压和故障监视功能,如果采用分离电路实现这通常会用到大量的外围元件。这对于可靠性和安全性都有好处。在图2中,三路输出信号给出了三组最重要电压的状态信息。SDOK-bar提供有关DSP核电源的状态信息。在有些设计中,供给DSP芯片的3.3V电源需要在其核电压稳定之后方可启动。SDOK-bar信号可送入处理器,或直接用来驱动一个P沟道MOSFET对3.3V电源进行门控。AUX1OK-bar用于其中一个PWM控制器可执行相同的功能,为CCD或LCD偏置提供OK标志。
类似于紧凑型数码相机的便携式设备有可能会面临很恶劣的条件。它可能会跌落,受潮或被暴露于极端温度下。电源设计虽然不能防止严酷条件的损害,但它有可能将伤害减至最小,并增强安全性,不利条件下进入关断状态即可做到这一点。另一方面,这种设计也不能太过敏感,否则,正常的负载瞬变也有可能使它关闭。通过监视所有供电通道,高度的集成化能够支持高度的安全性。如果任一通道被过载或短路超过200ms,所有电源将关闭。200ms延迟已足够长,允许发生瞬态负载而不会错误触发。故障标志(SCF)通知系统有故障发生。另外,片上MOSFET还受到热关断的保护。
显然,像数码相机这样的高性能小型设备需要高性能的电源管理,高集成度方案是首选。除了仅需一片IC这种显而易见的好处外,这种方案的优势还包括减少了无源元件量、显著提高了效率、可简单实现buck/boost拓扑以及更加可靠等等。
社群二维码
关注“华强商城“微信公众号
Copyright 2010-2023 hqbuy.com,Inc.All right reserved. 服务热线:400-830-6691 粤ICP备05106676号 经营许可证:粤B2-20210308