摘要: DS2151、DS2152、DS2153和DS2154单片收发器用于直接连接到出线电话线的应用中,因此这些设备可能暴露在危险的过电压条件下。对于此类应用,保护网络用于将高压或电流从更敏感的低压CMOS半导体器件中引导出来。
DS2151、DS2152、DS2153和DS2154单片收发器用于直接连接到出线电话线的应用中,因此这些设备可能暴露在危险的过电压条件下。对于此类应用,保护网络用于将高压或电流从更敏感的低压CMOS半导体器件中引导出来。下面显示的电路详细说明了如何构建一个保护网络,提供纵向(共模)和金属(差分)浪涌以及电源线交叉。该网络描述的目标符合UL1459, FCC Part 68, Bellcore TR-NWT-1089和ITU K17 - K20。
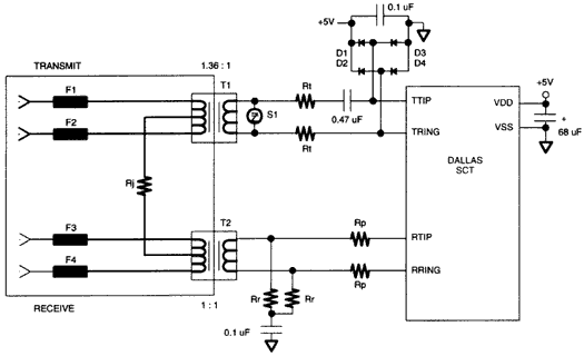
图1描述了在变压器的线路侧使用电阻熔断器组合的电路。熔断器保护变压器不受大电流情况的影响,如电源线交叉。将熔断器的值设置为与变压器的最大功耗或连续电流额定值相匹配。有关本规范,请与变压器制造商联系。保险丝通常会在其额定功率的135%时断裂。在选择合适的保险丝时必须牢记这一点。一般来说,保险丝的抗浪涌额定值在50到100安培之间。如果小于100安培,保险丝必须由限流电阻保护。通过初级保护电路的电流型号为800V @ 100A。如果保险丝的浪涌耐压大于100A,如图2所示的Littelfuse 2301.25,则不需要限流电阻。

图1所示 保护网络
组件
| 名字 | 描述 | 零件号 | 源 |
| Rr | 见注1 | 1/8瓦 | |
| Rp | 470欧姆 | 1/8瓦10% | |
| Rt | 2、2欧姆 | 1/8瓦10% | |
| D1至D4 | 肖特基二极管 | 10BQ040或相等 | 国际整流器 |
| S1 | 25V瞬态抑制器 | P0080SA TPN3021 | TECCOR SGS-Thomson |
| T1, T2 | 变形金刚 | (见变压器使用说明) | |
| F1到F4 | 保险丝 | ||
| R1到R4 | 功率电阻 |
笔记
Rr的值由线路阻抗(75、100、120欧姆)和R3、R4的值决定,公式如下:Rr = [line impedance - (R3 + R4)] / 2
在框内区域,布局至关重要。走线宽度至少为20密耳,与其他线路之间至少间隔150密耳。
仅在需要直流路径作为发送和接收路径的应用中(即T1 CSU应用)才需要。
请参阅变压器选择指南,选择具有适当隔离的变压器。
根据UL1459, F1到F4和R1到R4要求在电源线交叉时保护变压器;如何选择F1到F4和R1到R4来满足应用,请联系工厂。

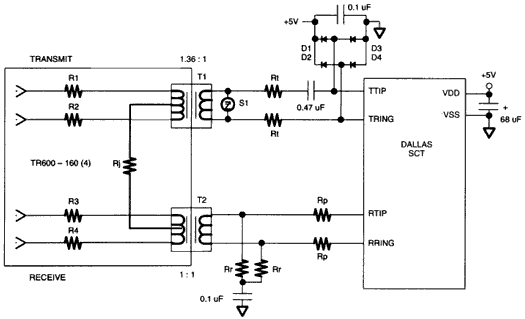
图2 保护网络
组件
| 名字 | 描述 | 零件号 | 源 |
| Rr | 见表1 | 1/8瓦 | |
| Rp | 470欧姆 | 1/8瓦10% | |
| Rt | 见表1 | 1/8瓦 | |
| Rj | 见表1 | ||
| D1至D4 | 肖特基二极管 | 10BQ040或相等 | 国际整流器 |
| S1 | 25V瞬态抑制器 | P0080SA | TECCOR |
| T1 | 变压器1:13 .36 ct 3KV低DCR | pe - 68645 | 脉冲工程 |
| T2 | 变压器1CT:2CT 3KV | pe - 68644 | 脉冲工程 |
| F1到F4 | 1.25安培 | 慢熔保险丝2301.25 | Littelfuse |
表1。电阻值选择
| 应用程序 | Rr | Rt | Rj |
| T1 | 50 | 4.7 | 0 |
| E1 75欧姆 (l2 / l1 / l0 = 110) | 37 | 18 | 开放 |
| E1 120欧姆 (l2 / l1 / l0 = 100) | 60 | 27 | 开放 |
笔记
不需要电阻来保护保险丝,因为保险丝可以承受施加的浪涌。
需要具有低直流电阻的变压器,以使它们能够承受额定熔断器极限(乘以1.35)的电源线交叉,而不影响变压器的隔离。
PE-65835的整体比例为1:2。按中键配置为1:1。
PTC(列车自动控制系统设备
PTC设备如PolySwitch如图3所示,可以用来自Raychem的电阻-保险丝组合代替。该电路仅作为示例显示,尚未经过达拉斯半导体公司的测试。这些装置的优点是它们在暴露于过电流条件后会“自愈”,不需要像保险丝那样更换。由于PTC器件的电阻变化很大,因此在设计时必须考虑几个因素。
有些器件的电阻范围为4至10欧姆。这种变化加上变压器的绕组间电容会破坏T1或E1线路的平衡。制造商可能会提供这些设备“袋装”到内部(1)/2彼此的欧姆数。当以这种方式使用时,设备不应造成过度的线路不平衡。
在接收端,这些设备成为线路终端的一部分。任何部分之间的差异,都将直接影响终止。在发射端,这种差异直接影响输出脉冲幅度,因为这些设备形成了具有特征线阻抗的分压器。
使用这些器件时的另一个考虑因素是,当第一次击穿(跳闸)时,器件将恢复到约0.8欧姆高的电阻。这个新的电阻值被称为POST TRIP电阻或POST REFLOW电阻。因此,有必要保证所有设备在装配过程中暴露在足以导致初始故障的电气或环境(热)条件下。

图3 PTC设备使用情况
组件
| 名字 | 描述 | 零件号 | 源 |
| Rr | 见表2 | 1/8瓦 | |
| Rp | 470欧姆 | 1/8瓦10% | |
| Rt | 见表2 | 1/8瓦10% | |
| Rj | 见表2 | ||
| D1至D4 | 肖特基二极管 | 10BQ040或相等 | 国际整流器 |
| S1 | 25V瞬态抑制器 | P0080SA | TECCOR |
| T1 | 变压器1:1.36CT | ||
| T2 | 变压器1 ct: 1 ct |
表2 电阻值选择
| 应用程序 | Rr | Rt | Rj |
| T1 | 50-Rpt | 4.7 - (Rpt/N(2)) | 0 |
| E1 75欧姆 (l2 / l1 / l0 = 110) | 37-Rpt | 18 - (Rpt/N(2)) | 开放 |
| E1 120欧姆 (l2 / l1 / l0 = 100) | 60-Rpt | 27 - (Rpt/N(2)) | 开放 |
N =变压器匝数比(线路侧/设备侧)
Rpt = PTC器件的脱扣后电阻
PolySwitch是Raychem Corp.的注册商标。
社群二维码
关注“华强商城“微信公众号
Copyright 2010-2023 hqbuy.com,Inc.All right reserved. 服务热线:400-830-6691 粤ICP备05106676号 经营许可证:粤B2-20210308