摘要: 本应用笔记讨论了使用NV SRAM与其他存储器类型(易失性和非易失性)(如EEPROM、FLASH、SRAM、DRAM等)及其在系统中的实现的利弊。
半导体工业已经花费了大量的资源来构建高速非易失性随机存取读/写存储器。由于NV SRAM比DRAM、SRAM、EEPROM、Shadow RAM、EPROM和ROM等其他存储器件具有优势,因此NV SRAM的开发是为了满足设计工程师的特定需求。本文描述了需要这种类型内存的应用程序,并将这种内存技术与其他可用的内存技术进行了比较。
半导体工业已经耗费了大量的资源,试图建立一种非易失性随机存取读/写存储器。由于非易失性RAM与其他存储设备(dram、静态RAM、影子RAM、EEPROM、EPROM和rom)相比具有许多优势,这些设备是为满足特定应用需求而开发的。
理想的非易失性RAM的特点是:低功耗、高性能、高可靠性、高密度、低成本,并且能够在任何半导体存储器应用中使用。
虽然迄今为止设计的各种内存组件都不能满足理想的内存场景,但每个组件都能满足一个或多个需要的属性(表1)。
| 成本 | 缓解 的接口 | 非易失性 | 密度 | 表演 | 读/写 | 数据保留 | |
| 动态随机存取记忆体 | +++ | +++ | ++ | +++ | |||
| 静态随机存取存储器 | +++ | + | +++ | +++ | |||
| NV SRAM | +++ | ++ | + | +++ | +++ | ++ | |
| 可分区的nvram | +++ | ++ | + | +++ | +++ | ++ | |
| 伪静态 | + | + | ++ | + | +++ | ||
| 闪光 | ++ | ++ | ++ | ++ | ++ | + | ++ |
| eepm | + | ++ | + | + | + | + | |
| EPROM | ++ | ++ | ++ | ++ | + | ++ | |
| OTP EPROM | +++ | +++ | +++ | +++ | + | +++ | |
| 罗 | +++ | +++ | +++ | +++ | + | +++ | |
| + =优秀程度 | |||||||
为了满足不同的应用程序需求,已经设计了许多类型的存储器。然而,非易失性读/写随机存取存储器可以替代所有类型的存储器,独立于应用程序,如果成本不是主要考虑。
DRAM类似于SRAM,以1或0的形式存储信息。在SRAM中,这些信息存储在一个四到六个晶体管的触发器中,这很容易寻址,但需要一个相对较大的存储单元。相比之下,DRAM将其1或0作为电荷存储在一个小电容器上,需要比SRAM多得多的电流来维持存储的数据。DRAM的净内存单元大小比SRAM小,因此每位内存的总成本更低。DRAM的电容器必须不断刷新,以保持其电量。dram需要更复杂的接口电路。
SRAM本质上是一个稳定的直流触发器,不需要时钟定时或刷新。只要有电源供应,SRAM存储器的内容就会被保留。sram支持极快的访问时间。sram还具有相对较少的严格定时要求和并行地址结构,这使得它们特别适合缓存和其他低密度、频繁访问的应用程序。
NV SRAM是一个包含低功耗SRAM、非易失性存储器控制器和锂电池的单一封装。当单个模块化封装的电源低于维持SRAM内容的最低要求时,模块中的存储控制器将电源从外部电源切换到内部锂电池,并对SRAM进行写保护。这些转换到外部电源和从外部电源是透明的SRAM,使其成为一个真正的非易失性存储器。这种独特的结构结合了sram的战略优势-寻址结构,高速访问和定时要求-以及EEPROM技术的非易失性优势。达拉斯半导体公司的电池支持SRAM模块与非电池支持SRAM引脚兼容,使其成为适合传统SRAM的任何应用的理想选择。
使用静态RAM的优点是所需的接口电路简单,而且设备本质上是“静态的”,不需要定期刷新来保留其数据。然而,DRAM提供了更低的每比特成本优势和更高的内存密度。伪静态RAM结合了SRAM和DRAM的优点,它使用动态存储单元来保留内存,并将所有所需的刷新逻辑放在芯片上,从而使器件的功能类似于SRAM。
快闪存储器结合了EEPROM的电擦除能力和类似EPROM的单元。其结果是,修改后的细胞可以用电擦除,而不是用紫外线。该特性允许闪存在系统中工作时接受新的代码更新或信息。
EPROM存储器的一个显著缺点是它不能在系统中被重新编程。EPROM需要一个外部编程设备来接收新的代码或数据。EEPROM通过提供可在EEPROM仍在电路中时使用的写入功能消除了这个问题。当EEPROM仍在电路中时,获得写入功能的权衡是在写入新数据时必须为EEPROM提供高电压(12.5V或更高)源,或者购买更昂贵的EEPROM,其封装中有充电泵,允许其与标准5至7V输入一起使用。虽然EEPROM存储器是非易失性的,但其读/写访问速率较慢,因此最适合性能不是问题的系统。表1中列出的其他具有读写能力的存储器提供了在其整个使用寿命(超过10年)内连续频繁读写数据的能力,而EEPROM存储器单元的重写次数很少超过10,000次。EEPROM可以放在系统中,并作为标准RAM进行访问。
EPROM是一种非易失性存储器,它提供多次编程和擦除存储器内容的能力。EPROM必须使用12.5伏(或更高)的PROM编程器进行编程,然后将其传输到要发挥作用的系统中。用紫外光照射IC封装顶部的窗口可以擦除eprom。将数据写入EPROM然后擦除它的过程几乎可以无限重复。eprom通常用于产品开发,后来被更便宜的一次性可编程eprom所取代。
只能一次写入代码/数据而不是多次写入的EPROM。一般来说,OTP eprom比可擦eprom便宜。
掩膜可编程rom是最耐用的存储器存储形式。然而,它们是“只读”的,并且提供相当慢的性能。如果设计具有非常稳定且不需要更改的代码/数据,则可以为IC芯片制作自定义掩码,这将大大降低ROM的成本。使用掩码ROM的缺点是,如果存储的代码/数据中的错误迫使掩码集更改,则必须产生重大的成本惩罚。OTP EPROM填补了ROM应用程序(无更改)和EPROM(频繁更改)之间的空白。
NMOS DRAM内存提供了性能和密度,但缺点是必须不断刷新以保留数据。另一个极端是rom,它提供非易失性和密度,但由于信息只被编程一次,因此缺乏更新新数据的能力。介于这两者之间的是一系列满足理想存储器某些特性的器件。
两种流行的设备,eeprom和Shadow RAM,设计用于模拟静态RAM,但也具有在断电后保留数据的能力。但是,尽管eeprom和Shadow ram具有保留数据的能力,但由于几个原因,它们都不能满足行业的需求。
最值得注意的是,EEPROM需要一个特殊的慢写周期。EEPROM无法支持标准的写入周期速率,这阻碍了内存在新数据可用时立即更新的应用程序的性能。
eeprom的另一个问题是它们的损耗机制。由于允许的写周期数量有限(有时少到10,000个),这引起了寿命问题。如果一个周期为200ns的静态RAM有这个限制,它将在仅仅20ms内耗尽。在需要不断更新的应用程序中,例如收银员结账终端的缓冲存储器或打印机,EEPROM的磨损机制是不可接受的。
最后,由于编程电路的复杂性,单元结构和特殊的工艺技术要求,eeprom的密度没有跟上行业的需求。
在需要存储转发数据的系统中,存储器必须提供所需的快速写周期以及在断电时对数据的保护。尽管这种存储设备的前景和业界的努力,理想的存储器仍然难以捉摸。
为了更接近模拟理想的存储器,达拉斯半导体将其智能CMOS控制电路(DS1210),锂能源和非常低功耗的SRAM结合在一起,提供高密度,非易失性存储器。
包括DS1220 (2K × 8)、DS1225 (8K × 8)、DS1230 (32K × 8)、DS1245 (128K × 8)和DS1250 (512K × 8)在内的五种器件采用这种技术融合,提供密度高达4096K位的非易失性随机存取存储器解决方案。
目前可用的CMOS NV sram的读写周期时间为70 ns,超过了大多数系统要求。它们比EEPROM健壮得多,因为没有损耗机制或写周期限制。
NV sram也最容易使用和接口,因为引脚配置是整个行业的标准。事实上,X8或字节宽NV sram可以直接连接到微处理器(图1)。此外,CMOS NV sram在活动和待机模式下都提供低功耗,这是许多设计人员所追求的特性。在大多数设计中,存储器大部分时间处于待机状态,使功耗可以忽略不计。在待机模式下,漏电流仅由几十纳安培的漏电流组成。

图1所示、字节级RAM到微处理器接口
调制解调器CMOS sram的微小泄漏电流可以用备用电源维持,以产生最具吸引力的非易失性存储器。然而,实际的解决方案涉及的不仅仅是CMOS存储器和备份能源(见图2)。

图2、电池备用电路
电池备份设计方案多种多样。近年来,低功耗CMOS存储器的密度和可用性的增加使这种方法更具吸引力。然而,由于电池封装和缺乏适当的标准元件来实现支持电路,电池备份设计仍然存在问题。一个问题是在电池和电源之间提供隔离(见图3)。二极管可以提供隔离,但会产生电压降,这需要非标准电源,并且还会从电池电压中减去电压。第二个问题是电路必须由电池供电。除非这些设备消耗极少量的电流,否则电池选择会发生巨大变化。事实上,即使是几微安的电流损耗也决定了使用可充电电池或可更换电池方案。如果选择可充电电池,则充电电路昂贵且复杂,再好的可充电电池也无法与锂原电池的电化学稳定性相比。更糟糕的是,可更换电池增加了在役系统的维护和成本。电池包装也是一个严重的限制,占用宝贵的空间,需要特殊的处理考虑,以防止放电。

图3、电源和电池隔离电路
达拉斯半导体公司通过在其电池支持的sram中使用高容量、不可再充电的锂电池来克服这些障碍。
用于在存储器中保存数据的能量源必须能够比最终产品的有用性更持久。Dallas Semiconductor NV SRAM产品使用极其稳定的电化学系统,具有足够的能量,以保证超过10年的保质期。
锂电池引起了人们对其可靠性的关注,并成为许多研究的对象。达拉斯半导体NV sram中使用的能量电池数据表明,在55°C的10年期间,电池故障率低于0.5%。
对达拉斯半导体公司NV sram封装的相同锂能源进行的额外寿命研究表明,在85°C下,超过1200万设备小时没有发生故障。因此,锂能量电池是商业和工业半导体应用的理想选择。
Dallas Semiconductor NV sram的引脚是一个既定的行业标准(图8)。联合电子设备工程委员会的字节宽版本B标准定义并升级了密度从2K x 8到128K x 8。
该标准适用于RAM, ROM, UV eprom和eeprom。由于字节级内存的灵活性和可升级性,现有套接字的数量达到数亿个。因此,许多系统设计可以适应直接替换ram, eprom, rom和eeprom与达拉斯半导体NV sram。这些解决方案为现有系统增加了实时可编程性和/或密度升级,而无需重新设计。实时可编程性使系统能够被最终用户个性化。换句话说,NV sram可以在不改变现有硬件的情况下改装到现有设计中。这种改造为那些投资于其他不太适合其需求的存储设备的公司提供了一种具有成本效益的实用解决方案。例如,使用传统静态RAM的设计可以通过将Dallas Semiconductor NV SRAM替换为静态RAM存储器来升级为非易失性存储器。
NV SRAM的优势可能与软件的能力有关。现代系统寻求定制标准产品的成本。在这方面,软件可以在系统中进行调整,以执行专门的功能。甚至可以通过电话完全修改系统的个性。在线编程还通过消除更新软件的服务调用来降低维护成本。存储在NV SRAM中的软件可以根据系统的配置或应用程序随时更新。
高密度、低功耗便携式计算机的进步继续推动着开发需求。困难的接口电路和刷新要求的DRAM存储器使它们不适合这样的应用。sram不仅在操作时更容易寻址和消耗更少的功率,而且只需要很少的功率来维护其内存的内容。更好的是,NV SRAM可以提供DRAM或SRAM的高性能,并保证存储器真正是非易失性的。当便携式电脑需要处于待机模式时,内存可以完全关闭。
图5显示了一个使用Intel 386SL微处理器的系统框图,该微处理器具有1兆字节的主存储器128K x 8 NV sram (DS1245)。图4,便携式应用:Intel 386SL CPU/NV SRAM时序,显示了内存子系统所需的时序。英特尔386SL是众多微处理器之一,专门为低功耗、便携式应用和寻址SRAM存储器而设计。

图4、便携式应用:英特尔386SL CPU/NV SRAM定时

图5、使用NV sram的1mbyte内存子系统
在图5中,八个DS1245 SRAM被用来创建一个四组1Mbyte SRAM内存子系统。以下来自Intel 386SL CPU的信号需要处理基于SRAM模块的系统。(386SL内存控制器必须配置为该应用程序的SRAM寻址模式。)
这个信号是高活动的,并且用来指示行地址要放在地址总线上。行地址必须锁存于这个信号的下降沿。LE连接到地址锁存的锁存使能输入。
该总线为内存控制器单元提供地址信息。总线在多路行/列序列中提供一个22位地址。
这些信号为每个SRAM组提供芯片使能控制。
表示对386SL CPU内存总线的低字节进行写访问。较低的字节的数据放在内存总线上的下降沿的活动-低WLE。
对386SL CPU内存总线的高字节进行写访问。数据的高字节放在内存总线上的下降边的活动-低WHE。
启用NV SRAM模块的低字节输出。
启用NV SRAM模块的高字节输出。
该总线为内存控制器单元提供数据信息。从存储器控制器单元到NV SRAM存储器模块的访问通过这条总线进行。
图6显示了为Intel 386SL CPU提供BIOS内存存储的Dallas NV sram。与使用OTP EPROM或FLASH存储器相比,使用DS1645 NV sram具有几个优点。

图6、16位单银行NV SRAM BIOS电路
闪存比NV ram需要更大的工作电流。闪存还需要一个高电压源,12V+,用于必须对BIOS进行的任何写入或更新。另一方面,NV sram只需要其标准V(CC) 5V输入进行读写访问。像闪存一样,DS1645 NV SRAM在没有V(CC)的情况下保持其内存的内容。DS1645还有一个额外的功能,它可以很容易地编程来写保护用户选择的内存块。实际上,NV SRAM模块中的单个内存块可以配置为显示为ROM内存,而不会影响DS1645在其非写保护内存块中接收BIOS更新的能力。
传统的OTP eprom,虽然像DS1245 NV sram一样是非易失性和非常低功耗,但它们的缺点是只能编程一次,并且通常需要一个特殊的夹具来编程。DS1245 NV sram提供重复更新BIOS的功能,而无需从系统中移除它们。DS1245 NV sram还提供快速的70 ns访问时间,无需在BIOS访问时序要求中插入额外的等待状态。
图6所示的信号直接取自Intel 386SL CPU:
该信号是由386SL CPU提供的专用ROM控制信号。低激活状态,用于启动系统BIOS。
这个信号表明ISA总线上发生内存读访问时处于低电平。
这个信号表明ISA总线上发生内存写访问时处于低电平。
来自系统数据总线的缓冲数据线。这些信号是使用外部收发器产生的(参见Intel 386SL超集系统设计指南)。
该总线由386SL CPU驱动,用于系统I/O访问。
图7显示了Dallas Semiconductor的NV sram如何在电源不完全可靠或必须定期关闭电源的环境中提供特殊优势。达拉斯半导体的NV SRAM包含存储控制电路,它不仅在没有电源的情况下保持SRAM中的数据,而且在V(CC)超出公差时还可以写保护设备。此功能可确保不稳定的电源不会损坏已收集的数据。

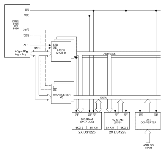
图7、数据日志记录
在这个应用程序中,Intel 8086显示在其最小模式下,连接到地址锁存器和总线收发器以解复用8086的总线(见图7)。结果地址和数据总线可以直接连接到两个存储库,一个由两个DS1225 NV sram组成的8K x 16 BIOS内存,另一个由两个DS1225组成的8K x 16存储库作为数据日志。数据采集设备,如A/D转换器,可以作为只读外设进行寻址,以采样值并将其写入作为数据日志的DS1225。作为数据日志的ds1225可以通过数据总线将它们的数据传输到另一个外设,或者可以从系统中移除并带到另一个位置以提取日志。

图8、达拉斯半导体电池备用SRAM模块
社群二维码
关注“华强商城“微信公众号
Copyright 2010-2023 hqbuy.com,Inc.All right reserved. 服务热线:400-830-6691 粤ICP备05106676号 经营许可证:粤B2-20210308