摘要: 具有双向潮流支持的开关模式buck-boost电池充电控制器。
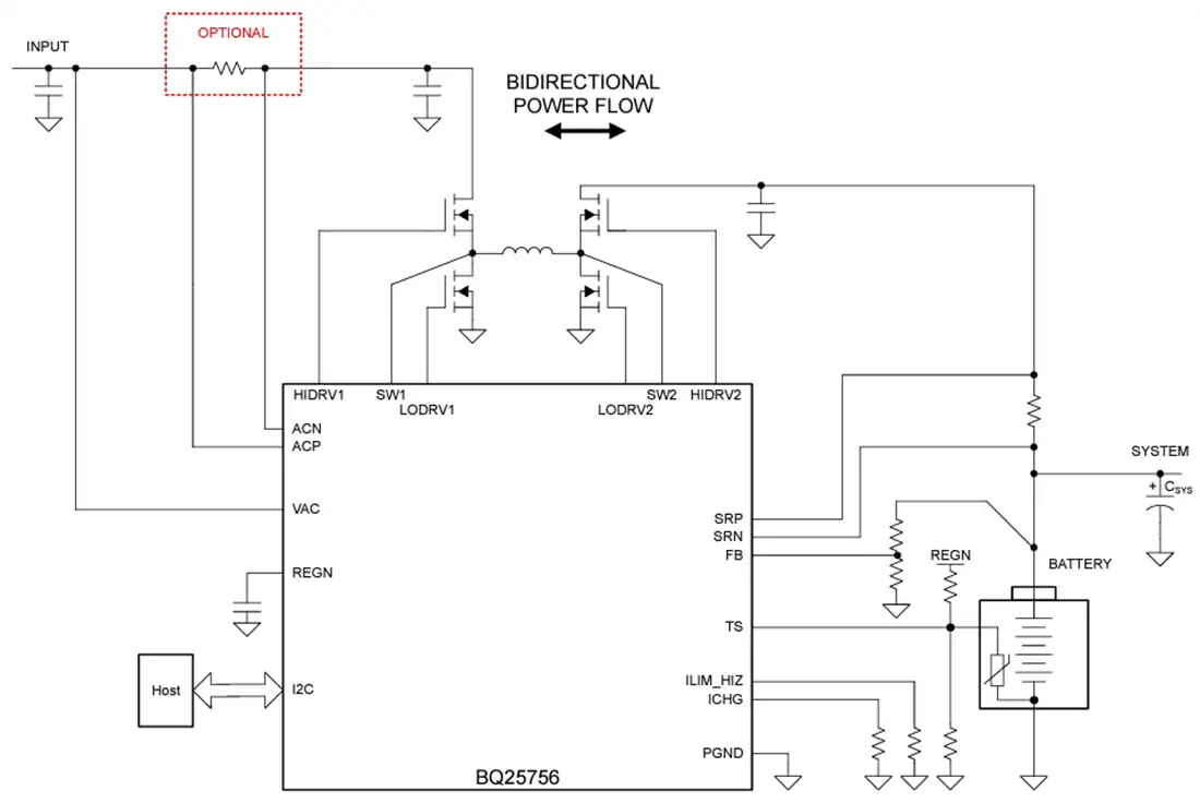
德州仪器bq25756 Buck-Boost充电控制器是一种宽输入电压,开关模式Buck-Boost锂离子,锂聚合物或LiFePO(4)电池充电控制器,具有双向功率流支持。该设备在宽电压范围内提供高效率的电池充电,准确的充电电流和充电电压调节,以及自动充电预处理,终止和充电状态指示。该器件集成了降压-升压转换器的所有环路补偿,提供了易于使用的高密度解决方案。在反向模式下,设备从电池中获取电力。它调节输入端电压,增加一个恒流环保护,支持USB-PD EPR电源配置文件。
除了I(2)C主机控制充电模式外,德州仪器bq25756还支持通过电阻可编程限制的独立充电模式。输入电流、充电电流和充电电压调节目标可分别通过ILIM_HIZ、ICHG和FB引脚设置。
宽输入电压工作范围:4.2V ~ 70V
宽电池电压工作范围:高达70V多化学支持;
1- 14个电池的锂离子充电剖面
1- 16芯LiFePO(4)充电剖面
同步降压-升压充电控制器与NFET驱动器
开关频率从200kHz到600kHz可调
可选的外部时钟同步
集成回路补偿与软启动
可选栅极驱动器电源输入优化效率
自动最大功率点跟踪(MPPT)太阳能充电
Buck-only模式
双向转换器操作(反向模式)支持USB-PD扩展功率范围(EPR)
可调输入电压(VAC)调节从3.3V到65V, 20mV/步
可调输入电流调节(R(AC_SNS))从400mA到20A与50mA/步使用5毫欧电阻
精度高
±0.5%充电电压调节
±3%充电电流调节
±3%输入电流调节
I(2)C控制的最佳系统性能与电阻可编程选项
硬件可调输入和输出电流限制
集成的16位ADC用于电压、电流和温度监测
高安全性集成度
输入过压、欠压保护可调
电池过压、过流保护
充电安全计时器
电池短路保护
热关机
状态输出
适配器当前状态(PG)
充电器运行状态(STAT1、STAT2)
36针5mm × 6mm QFN封装
踢电动滑板车,电动自行车
无线电动工具,花园工具
机器人割草机
便携式发电站
无绳吸尘器,真空机器人
太阳能充电器
USB-PD EPR(扩展功率范围)

社群二维码
关注“华强商城“微信公众号
Copyright 2010-2023 hqbuy.com,Inc.All right reserved. 服务热线:400-830-6691 粤ICP备05106676号 经营许可证:粤B2-20210308