摘要: 该器件包括实时D-CAP3控制模式,是空间受限电力系统的理想选择。
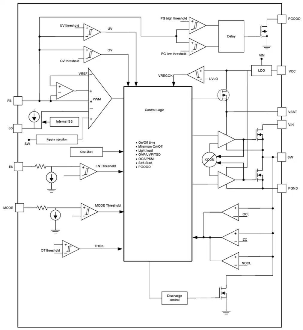
德州仪器TPS51385 7A同步降压变换器具有自适应准时D-CAP3控制模式。集成的低R(DS(on))功率mosfet可实现高效率,并以最小的外部元件数量为空间受限的电源系统提供易用性。其特点包括精确的参考电压,轻载效率的自动跳过模式运行,负载瞬态响应快,OOA轻载运行,开关频率大于25kHz, D-CAP3控制模式具有负载调节,线路好,不需要外部补偿。
TPS51385提供完整的OVP、UVP、OCP、OTP和UVLO保护。该装置具有组合输出放电功能和电源-良好信号。TPS51385支持外部和内部软启动时间选项。该设备内部固定软启动时间为1ms。如果应用需要更长的软启动时间,外部SS引脚可以通过连接外部电容来实现更长的软启动时间。德州仪器TPS51385设计工作于-40°C至125°C结温,采用热增强型12引脚QFN封装。
4.5V至24V输入电压范围
输出电压范围0.6V至5.5V
集成22毫欧和11毫欧 mosfet
支持7A连续I(OUT)
84µA低静态电流
±1%参考电压(0.6V), 25°C
±1.5%参考电压(0.6V), -40℃~ 125℃
1MHz开关频率
D-CAP3 控制模式,快速瞬态响应
支持POSCAP和所有MLCC输出电容
可调软启动和内部1ms软启动
轻负载下可选择PSM和out - audio (OOA)模式,并支持动态更改
大型作业支持
Power-good指示灯,监控输出电压
锁存输出OV和UV保护
非闭锁UVLO和OT保护
逐周期过流保护
内置输出放电功能
小型2.00mm×3.00mm HotRod QFN封装
引脚对引脚兼容TPS51386 (24V, 8A)
笔记本电脑和个人电脑
超级本,平板电脑
电视和机顶盒,负载点(POL)
分布式电力系统

社群二维码
关注“华强商城“微信公众号
Copyright 2010-2023 hqbuy.com,Inc.All right reserved. 服务热线:400-830-6691 粤ICP备05106676号 经营许可证:粤B2-20210308