摘要: 小型,36V, 0.6A,降压DC-DC转换器可在2mm×2mm HotRod封装中使用。
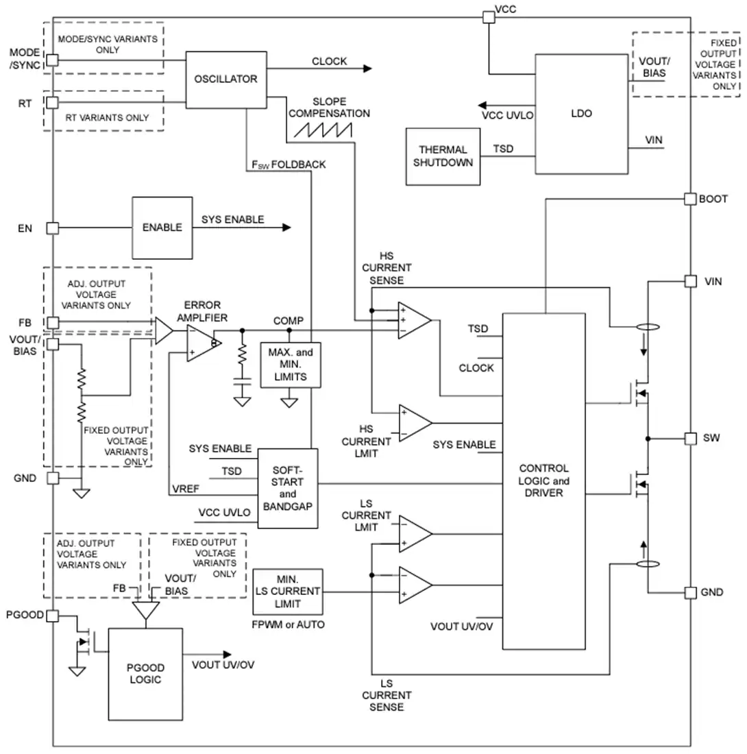
德州仪器LMR43606-Q1同步降压转换器是小型36V, 0.6A,降压DC-DC转换器,采用2mm × 2mm HotRod封装。这些转换器支持3.0V至36V的宽输入电压范围,瞬态电压高达42V。LMR43606-Q1专为满足始终在线汽车应用的低待机功耗要求而设计。自动模式在轻负载下工作时可实现频率折叠,在13.5V(IN)时允许1.5 μ A的空载电流消耗和高轻负载效率。PWM和PFM模式之间的无缝转换以及极低的MOSFET ON电阻在整个负载范围内提供了卓越的效率。
控制架构和功能集是为超小型设计尺寸而设计的。该器件采用峰值电流模式控制,以最小化输出电容。LMR43606-Q1采用双随机扩频、优化引脚和低emi HotRod封装,最大限度地减少了输入滤波器的尺寸。MODE/SYNC和RT引脚变体可用于设置或同步200kHz至2.2MHz之间的频率,以避免噪声敏感频段。LMR43606-Q1的丰富功能集旨在简化各种汽车终端设备的实现。
aec - q100汽车应用合格
温度等级1(-40°C ~ +125°C, T(A))
功能性Safety-Capable
可提供的文件,以帮助功能安全系统的设计
在1mA时效率大于85%
设计尺寸小,元件成本低
2mm × 2mm HotRod 包装,可湿侧翼
内部补偿
专为超低EMI要求而设计
扩频减少峰值排放
引脚可选的FPWM模式恒定频率在轻负载与mode /SYNC引脚
F(SW)与MODE/SYNC引脚同步
专为汽车应用而设计
结温范围-40℃~ +150℃
支持42V汽车负载转储
支持3V(IN)汽车冷曲柄
可调高达95%的V(IN), 3.3V和5V固定V(OUT)选项可用
专为可扩展的电源
Lmr43610-q1 (36v, 1a)
LMR36506-Q1 (65V, 600mA)
LMR36503-Q1 (65V, 300mA)
可调F(SW)在200kHz至2.2MHz (RT引脚)
引脚兼容
高级驾驶辅助系统(雷达ECU)
信息娱乐和集群(eCall的总部)
车身电子和照明

                        社群二维码
                        关注“华强商城“微信公众号
Copyright 2010-2023 hqbuy.com,Inc.All right reserved. 服务热线:400-830-6691 粤ICP备05106676号 经营许可证:粤B2-20210308