一站式电子元器件采购平台

华强商城公众号

一站式电子元器件采购平台

元器件移动商城,随时随地采购

华强商城M站

元器件移动商城,随时随地采购

半导体行业观察第一站!

芯八哥公众号

半导体行业观察第一站!

专注电子产业链,坚持深度原创

华强微电子公众号

专注电子产业链,
坚持深度原创

电子元器件原材料采购信息平台

华强电子网公众号

电子元器件原材料采购
信息平台

Analog Devices公司LT 8625S同步降压稳压器的介绍、特性、及应用

来源:HQBUY 发布时间:2024-07-01

摘要: 采用第三代静音切换技术。

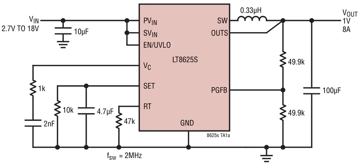
Analog Devices公司LT 8625S同步降压稳压器采用第三代静音开关技术。该技术集成了超低噪声参考和静音切换架构,确保了高效率和出色的宽带噪声性能。adi公司的创新设计。LT8625S稳压器在开关稳压器中提供卓越的低频(0.1Hz至100kHz)输出噪声性能。输出电压是可编程的单电阻,保持几乎恒定的输出噪声,不管输出电压设置。


特性

  • Silent Switcher 3架构

    • 超低RMS噪声(10Hz ~ 100kHz) 4μV(RMS)

    • 在10kHz时超低点噪声4nV/√Hz

    • 超低的电磁干扰排放在任何PCB

    • 内部旁路电容器减少辐射EMI

  • 高频效率高

  • 超快的1μs瞬态响应

  • 快速15ns最小开关接通时间

  • 2.7V至18V输入电压范围

  • 输出电压范围0V至(PVIN - 0.5V)

  • 最大连续输出电流8A

  • 精度参考±0.8%以上的温度与遥感

  • 支持动态输出电压控制

  • 多相操作高达12x相

  • 强制连续模式能力

  • 可调和同步从300kHz到4MHz

  • 可编程电源

  • 小型20引脚4mm × 3mm LQFN封装


应用程序

  • 射频电源供应商pll, vco,混频器,lna, pa

  • 高速、高精度adc、dac

  • 低噪音仪器


组件



典型的应用程序


声明:本文观点仅代表作者本人,不代表华强商城的观点和立场。如有侵权或者其他问题,请联系本站修改或删除。

社群二维码

关注“华强商城“微信公众号

调查问卷

请问您是:

您希望看到什么内容: