摘要: 具有轨对轨二极管,以保护每个I/O引脚对ESD和高浪涌事件。
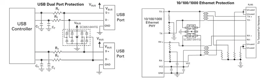
Littelfuse SC3051-04HTG硅保护阵列(SPA )TVS二极管阵列具有轨对轨二极管和额外的集成齐纳二极管,以保护每个I/O引脚免受静电放电(ESD)和高浪涌事件的影响。根据IEC 61000-4-5,二极管阵列吸收高达22A的电流,而不会降低性能。SC3051-04HTG阵列提供每个I/O的低2pF电容额定,这使得它与高速电路兼容。二极管阵列采用小型SOT23-6封装,采用无卤无铅设计。Littelfuse SC3051-04HTG SPA电视二极管阵列符合RoHS标准,适用于各种应用,包括10/100/1000以太网,火线,平板显示器,监视器,便携式医疗设备等。
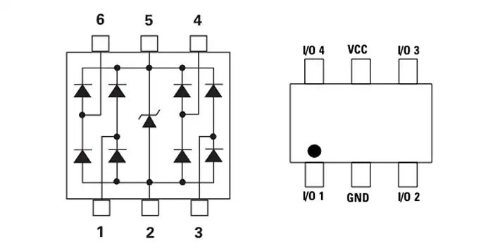
轨到轨二极管
集成的额外齐纳二极管保护每个I/O引脚对抗ESD和高浪涌事件
ESD, IEC 61000-4-2, +-30kV触点/空气
EFT, IEC 61000-4- 4,40 a (5/50ns)
22A最大电涌容限,IEC 61000-4-5第二版
低2pF典型电容额定每I/O
兼容高速电路
低0.5uA额定泄漏电流在6V
小型SOT23-6包装
无卤,无铅,符合RoHS标准
10/100/1000以太网
火线
平板显示器
液晶/ PDP电视
监控
笔记本电脑
便携式医疗设备
机顶盒
22A额定峰值电流
6V反向防区电压
7V至10V击穿电压范围
0.5μA额定反漏电流
0.15欧姆动态电阻
±30kV ESD耐压等级
-40℃~ +125℃工作温度范围
-55℃~ +150℃存储温度范围


社群二维码
关注“华强商城“微信公众号
Copyright 2010-2023 hqbuy.com,Inc.All right reserved. 服务热线:400-830-6691 粤ICP备05106676号 经营许可证:粤B2-20210308