摘要: 本文讨论了电磁干扰(EMI)。它描述了如何设计气体避雷器,压敏电阻,抑制二极管,扼流圈和铁氧体,电容器,或串联电阻保护设备。介绍了电磁干扰的测试方法。
理想的电子电路应该不受有源电磁干扰(EMI,也称为RFI或零频率干扰)源的影响,并且被动地免受外界干扰。
减少有源可能比防止干扰更容易。减少电磁干扰的常用技术有线路滤波、电源设计、合理布局和屏蔽外壳。
电干扰可以通过电力线传导,也可以通过电容式、磁性或电磁旋转在空气中传播。通常,连接到设备的信号线上的干扰是最难管理的。在任何情况下,必须区分防止损坏或故障的需要和防止信号或数据失真的需要,例如从微控制器程序序列的中断。第一个问题用硬件设计来解决,第二个问题用软件算法来解决。
本文论述了保护设备免受有害电压和电流侵入的方法。
认识到电磁干扰的重要性,政府机构很早就承担了通过法规强制执行设备兼容性的任务。例如,IEC 61000-4对测试方法进行了标准化。与本讨论相关的章节包括IEC 61000-4-2静电放电(ESD), IEC 61000-4-4快速瞬态(FTB)和IEC 61000-4-5高能瞬态(浪涌)。所有这些测试方法都依赖于真实的电噪声模型。
在使用任何保护元素之前,请考虑以下基本规则:
电磁干扰保护应在电路设计时就考虑,而不是事后再加。
在干扰进入设备之前,尽可能在干扰源附近阻断干扰;把他们引到地面。
所有可能受到电磁干扰的部分,即使是电气隔离的部分,都应尽可能远离敏感电路。
由于信号电路不能承受千伏级电压,因此必须从输入中排除这种干扰,将其转换为电流,然后再转换为热量。地环电流可以进入接口并在整个电路中运行,通常用电流隔离来阻止。对于工业系统中可能出现的较长线路和高接地回路电流,隔离尤其有用。
峰值30A的ESD电流脉冲在地线上可能只产生几十毫伏的电阻压降。然而,它的上升时间极其陡峭(>30A/ns)可以在同一走线上产生数百伏的电感降(假设导线电感大约为1nH/cm),这足以导致数据错误。趋肤效应适用于这些高频;它通过迫使电流仅在导体表面的几微米范围内流动而大大增加了导线电阻。为了抵消这种影响,接地连接需要一个大的表面积来保持低电阻。
快速上升时间可以使FTB和ESD干扰从噪声部分电容耦合到所谓的安静部分。在这种情况下,当设计人员通过在主电源变压器上增加绕组来提供电隔离电源时,经常会犯错误。这种安排允许“感染线”(外部信号的接地返回)污染整个电路。
作为一种结构紧凑、功能清洁且经济高效的替代方案,您可以使用基于MAX253驱动器的正激变换器在电路外围产生辅助电压。MAX253提供了一个小的电路板空间和一个有效的屏障之间的清洁和噪声电位。所需的微型变压器可以用低于10pF的耦合电容制造,但它在隔离千伏电压的同时传输高达1W(图1)。

图1所示。一个小型变压器和驱动器IC从5V轨道获得一个隔离的5V电源。1CT:1.3CT的详细信息请参见MAX253数据表中的表2。
下面介绍其他常用的emi保护元件。
气体避雷器是一种充满气体的碟形电容器,经常氖气。超过~100V的过电压会产生等离子体,将电压限制在低水平并携带大电流。气体避雷器吸收高电平瞬变,但不适合快速瞬变,因为等离子体的出现需要一些时间。它们不适合用于市电保护,并且难以在低源阻抗的情况下使用。正常工作时漏电流很低。
压敏电阻是一种由金属氧化物(主要是锌)制成的避雷器,通常形状像平板,两边各有一个连接器。行为类似于齐纳二极管,压敏电阻的响应速度比气体避雷器快得多,但表现出高泄漏电流,特别是当信号接近箝位电压时。
抑制器(TransZorb 二极管用于限制低电压水平下的快速瞬变。它们的功耗能力受到其外形因素的限制。至于压敏电阻,它们在击穿电压附近表现出显著的漏电流。结电容也很重要,因此在快速系统中,它们通常与二极管桥解耦。
防静电结构是一些新颖的设计,它们的行为有点像指针。这些设计集成在MAX202E, MAX485E,其他RS-232/RS-485收发器ic中,以及最近的MAX4558等多路复用器中。它们具有低电容和低漏电流,适用于ESD和FTB保护。
扼流圈、铁氧体可以衰减高频和快速电压峰值,但不吸收太多能量。注意谐振效应,并始终使用衰减电容器(通常是t型结构的LC滤波器)。电感制造商通常指定自谐振频率(SRF)。SRF来自电感的寄生电容,当工作在SRF之上时,电感被抵消。为了获得更好的性能,使用电感器作为低于其SRF的RF扼流圈,而不要高于SRF。这些装置经常用于防止共模干扰和市电滤波。
电容器可能是最重要的保护元件。电容器的重要特性是等效串联电阻(ESR)、电感、大电流能力和电压能力。在布局中适当放置电容对于最小化电磁干扰至关重要。如果使用得当,电容器可以从低通滤波器产生高频地,绕过射频信号到地。电容器也有一个自谐振频率,在这个频率点上它就会产生感应。就像电感一样,电容器应低于其SRF使用。理解这一点的另一种方法是确保SRF远高于需要过滤的噪声的频率。
串联电阻也是最重要和成本最低的保护元件之一。根据电阻和功耗适当选择,串联电阻可以取代更昂贵的元件,但效果相当。
良好的布局设计可以将电磁干扰的影响降到最低。快速开关电流产生磁场,快速变化的电压产生电场,可能导致不希望的耦合。使用良好的接地和屏蔽外壳可以最大限度地减少电磁耦合。正确放置过孔总是一个很好的做法。旁路电容器有多个过孔,因为多个过孔可以减少电阻和电感。同时,避免使用接地电压电位不稳定的接地。携带高频信号的走线会产生时变的电磁波,这种电磁波会传播干扰。90度角的两条走线使两个信号之间的干扰最小。良好的接地也有助于防止外部信号进入系统。这反过来又保护了电路。
下面的示例说明了这些组件的使用、一些工作原理和可能的缺陷。
热电偶信号具有准静态处理的优点。为了防止地环路电流引起的信号失真,大多数热电偶应用在信号采集和信号处理电路之间提供电流隔离。如图2a所示,差分信号通过多路复用器馈送到仪表放大器的输入端,再从那里馈送到数字转换器(ADC)。光电或磁耦合传输ADC的数字输出穿过隔离屏障。

图2 a。这些元件处理来自热电偶的差分信号。
热电偶很容易保护与一个简单的,低通RC网络2k欧姆和100nF上的每个电极。一个额外的1nF高额定电压转移电容器连接电路公共和接地框架的设备。该电容器将ESD干扰转移到地,同时保持直流电流的电隔离。它还形成一个电容分压器,限制隔离电源的峰值电压。为了进一步限制峰值电压,可以将高压压敏电阻与转移电容器并联连接(图2b)。

图2 b。高压压敏电阻(左下)限制峰值电压。
2k欧姆电阻必须足够大,以承受高电压(高达±8kV ESD),并在FTB和浪涌测试期间耗散相当大的能量。不幸的是,以下电路输入端的漏电流(即,在隔离屏障之前)可以流过这个保护串联电阻,从而产生大量的静态信号误差。例如,多路复用器可以引入不可接受的错误;用于缓冲多路复用器的放大器在增加系统成本和电路板空间的同时会引入额外的输入偏置和输入电流错误。
MAX4051A多路复用器的引脚和功能与行业标准MAX4051兼容,提供了一个中等成本的替代方案。在扩展温度范围内,其泄漏电流保证为5nA(最大),在+25°C时仅为2pA。因此,在串联电阻的最坏情况下,温度泄漏产生的最大误差仅为2µV。这个误差对大多数热电偶来说是足够的。如果应用需要更小的误差,基于MAX4254四运放的仪表放大器缓冲器可以将漏压降低到100pA(最大),在+25°C时降低到1pA(类型)。此外,低输入偏置电压(V(OS))漂移(仅0.3 μ V/°C)使该缓冲器对高阻抗低电平信号非常有效。
另一种替代方案是单片MAX1402信号采集系统,它包括sigma-delta ADC、缓冲放大器、多路复用器、用于传感器激励的电流源和用于信号验证的所谓耗尽电流源。它具有非常低的输入漏电流,以及实现冷端补偿等应用的灵活性。
工业角编码器确定电机中的转子位置。精密定位系统具有双通道、正交、差分正弦信号(一些制造商称之为“sincos”信号)。总之,这些正弦波形成一个指针,允许转子位置的精细分辨率。除了位置信号线外,此类系统通常还包括用于初始化编码器和设置其参数的RS-422或RS-485线。在某些情况下,这些线路可以长距离运行,传输低千赫兹频率的信号和高达每秒兆比特的数字数据速率(图3)。

图3。该光编码器系统的通信由“sincos”信号和双向数字数据信号组成。
因此,排除了大串联电阻和无源RC组合形式的保护,但需要线端电阻(通常为120欧姆)来防止反射。主要需求是防止ESD和FTB干扰。在采用传统数据收发器的系统中(图4),差分变送器的输出电压受到抑制二极管和去耦二极管的限制。(去耦二极管是反向偏置的,以从抑制二极管的电容中去耦宽带数据信号,否则会严重衰减信号。)

图4。这种二极管/抑制器网络可以防止ESD、FTB和浪涌故障造成的损坏。可选的PTC熔断器可防止危险电压的故障连接。
为接收器提供了类似的保护,但有一个重要区别:为了保证非对称的共模范围(EIA-422A为-7V至+12V),限制网络也必须是非对称的。发射器输出和接收器输入符合相同的共模范围,因此为了方便和经济,两者都受到相同的抑制二极管的保护。然而,整个保护网络可以被MAX490E取代,MAX490E是一个集成了ESD和ftb保护网络的RS-422收发器。
作为一种良好的实践,收发器接地应与外壳/接地连接尽可能短。如果线路是屏蔽的(强烈推荐!),屏蔽也应该用短连接绑在这一点上。如果你期望在分离的地电位之间有大的交换电流,你应该在屏蔽和地之间插入一个100欧姆串联电阻,最好用低esr电容旁路。
当系统需要防雷时,必须采用外部保护网。在这种情况下,最好将线路终端分开,这样它也可以作为限流电阻。这很容易在接收端完成,信号电平损失适中。对于驱动端,您必须验证是否可以接受近似10欧姆的串联电阻,因为MAX490E的差分输出阻抗约为40欧姆。图4也给出了一种可能的电路,包括PTC熔断器与数据线串联。
系统所选择的信号传输方式受到系统可能存在的各种信号源和传输距离的影响。对于更高的带宽和较长的线路,通常需要(特别是在容易受到干扰的系统中)将信号转换到更高的电平:0V到10V;-10V至+10V;4mA至20mA;或者在某些情况下是微分的,比如角编码器。其他系统更喜欢通过电线、光纤或无线链路传输的数字格式。在所有情况下,您都应该通过将换能器尽可能靠近信号源来减小噪声影响。
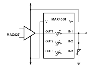
例如,±10V接口通常用于在电机控制应用中设置目标位置。这些环境是嘈杂的,当接线错误发生时,24V工业电源(总是存在于机柜中)可能是一个危险。Maxim的信号线保护器MAX4506 / MAX4507,具有60欧姆通道电阻和最大20nA漏温。它们还为该接口提供了优雅的保护(图5)。电源电压范围内的信号几乎不受影响地通过这些ic。

图5。该信号线保护IC保护±10V接口。
如果干扰导致受保护的终端信号超过正负电源电压,线路保护芯片对故障信号呈现高阻抗。它可以承受36V的故障电压,或在电源关闭时承受±40V的故障电压。图6显示了这些部件的输入到输出传递函数。

图6。此传递函数说明了MAX4506/MAX4507信号线保护器的箝位效果。
使用MAX4506或MAX4507等元件,图5显示了±10V标准信号输出的可能保护方案。输出通常比输入更难保护,尽管输入保护元件引入的泄漏可能导致信号错误。在每个接收器输入或发射器输出的线路终端和地/地之间插入一个提供±30V箝位电压的双向抑制二极管就足够了。
由于抑制二极管的箝位电压远远超出标准信号范围,任何畸变泄漏电流产生的抑制二极管是相当低的。线路信号由反馈调节,而低信号线保护器的串联电阻对驱动器摆幅的要求最低。(它只是100mV的压降电压,假设接收器的最小负载电阻10k欧姆。)这种保护甚至适用于连续故障(到24VDC,如上所述),而不会危及抑制二极管或电路。
同样,可以通过在缓冲放大器前面插入信号线保护器来保护接收端的信号输入。MAX197是一款专用的a /D转换器,内部故障保护为±16V,通过在输入端并联连接双向抑制二极管(提供±15V箝位电压),实现简单有效的保护。每个输入通道的软件可编程输入范围使MAX197能够处理所讨论的标准电压范围。如果需要更高级别的保护,可以将MAX4507八进制信号线保护器放在MAX197前面。
测试发电机由一个高压150pF电容器组成,该电容器通过330欧姆串联电阻放电(图7);一个开关;以及模拟手指形状的电极,其放电到被测设备(EUT)中。

图7。一个简单的测试电路将受控的ESD脉冲应用于测试设备。
试验规范区分了接触放电和空气放电。在关闭开关时,用测试手指触摸设备外壳,施加接触放电。该程序将设备表面暴露在测试电压(±2kV,±4kV,±6kV,±8kV)下,减去流过串联电阻的电流引起的电压降。由此产生的短路电流如图8所示。

图8。来自图1电路的ESD“冲击”在被测设备(DUT)中产生了该电流。
通过将测试尖端尽可能快地推向绝缘表面,将空气放电应用于绝缘表面。测试要求至少10次测量,在每个标准测试电压等级(±2kV,±4kV,±8kV和±15kV)下间隔至少1秒。目的是通过对该类设备规定的极限进行测试,找到设备外壳内的最薄弱环节。使用相同的测试发生器,通过将测试尖端连接到靠近设备外壳(即约10cm)的金属板上,进行了额外的电容耦合测试。此测试仅适用于用户在正常操作和维护过程中接触到的设备部分。
FTB测试将测试信号电容耦合到主干线或信号线上。它采用了一个管状的耦合装置,将被测线围起来约一米。测试信号由大约75个高压脉冲组成,以3Hz的重复频率以脉冲形式传递。每个脉冲的上升时间约为5ns,在50欧姆负载下的下降时间为50ns,在1000欧姆负载下的下降时间为100ns。脉冲间隔时间为10µs或200µs(图9)。

图9。FTB突发中的测试脉冲如下所示。
为了产生低负载电阻所需的高电压,该发生器的输出电阻比ESD发生器的输出电阻低得多。测试脉冲的峰值振幅范围为±0.25kV至±0.5kV以上,50欧姆负载范围为±1kV至±2kV。在1000欧姆负载幅值为±0.5kV,±1kV,±2kV和±4kV。一个体面的电缆屏蔽,正确地连接到设备侧的地/地,可以从这个测试中消除很多麻烦。
考虑到对设备的潜在损坏危险,最严格的测试是高能瞬态,即浪涌测试。在此测试中,市电供电线路、非屏蔽信号线或电缆屏蔽由具有长持续时间高压脉冲的低值串联电阻驱动。脉冲的上升时间约为2µs,下降时间约为50µs(峰值的50%);主干线的振幅范围为±0.5kV至±2kV,信号线的振幅范围为±1kV。
对于供电线路,浪涌测试使用9µF直流去耦电容器并联低至10欧姆的串联电阻(在某些情况下,根本没有电阻)对测试信号进行电偶耦合。非屏蔽信号线的串联电阻低至40欧姆,线对线或线对地。串联添加90V气体避雷器可防止测试之间信号线的电容损耗(图10a、10b)。

图10。测试设置:将测试信号电容耦合到交流或直流线路上。

图10 b。测试设置:耦合到非屏蔽、非对称操作的线路。
社群二维码
关注“华强商城“微信公众号
Copyright 2010-2023 hqbuy.com,Inc.All right reserved. 服务热线:400-830-6691 粤ICP备05106676号 经营许可证:粤B2-20210308