摘要: 本文解释了不同类型的DAC输出,并描述了使用力/感测数字转换器的10个有用的应用电路图
本文讨论了Maxim力/感数字转换器(dac)的应用电路。应用包括:可选固定增益DAC,可编程增益DAC,光电二极管偏置控制,安培传感器控制,数字可编程电流源,开尔文负载感测,温度感测和大电流DAC输出。还简要介绍了各种DAC输出配置。
力/感dac是独一无二的,因为除了常规输出外,它们还为用户提供对输出缓冲放大器反相节点的访问。这些DAC很有趣,因为它们提供了创建定制DAC增益的灵活性,或者通过简单地添加几个简单的组件来创建其他有用的电路。
图1显示了三种常见类型的缓冲电压输出dac。第一种具有由内部电阻比(通常为+1.0,+1.638或+2.0V/V)定义的固定增益,并且没有调整偏移量的规定。第二种类型也使用内部电阻来设置固定增益,但在非反相增益运放拓扑中通常接地的电阻抽头被带到外部引脚,允许偏移调整。最后的输出类型是力/感,它提供一个引脚直接连接到输出运放的反相端,产生最大的灵活性。

图1所示。DAC输出类型:(a)固定增益不带偏置调整,(b)固定增益带偏置调整,(c)力/感测。
前两种DAC类型(图1a和1b)的主要优点是内部电阻经过修整,可提供低于±1%的典型增益误差,并且它们在温度上紧密跟踪,可提供低于10ppm的典型增益温度。缺点是单一的固定增益,只能通过在DAC输出后添加放大器来改变。最后两种DAC类型的一个优点是可以通过外部电路消除偏移误差。力/感测类型还有一个优点,即可以为给定的应用程序在外部设置特定增益。力/感测DAC的增益误差是在单位增益配置中指定的(连接运放输出和反相端子),额外的增益误差是由外部电阻公差引起的。其主要缺点是需要昂贵的分立电阻、电阻阵列或数字电位器来匹配固定增益dac的增益容限和温度漂移特性。
力/感测DAC的最后一个优点是它允许只用几个简单的外部组件创建许多有用的电路。下一节将展示几个电路示例。
使用MAX5123的力/感测输出的自定义固定增益示例如下所示图2。在本例中,使用内部+1.25V基准,增益设置为+2.20V/V,使用外部离散电阻,以提供大约0至2.75V的DAC输出电压范围。

图2。DAC具有+2.20V/V的可选固定增益。
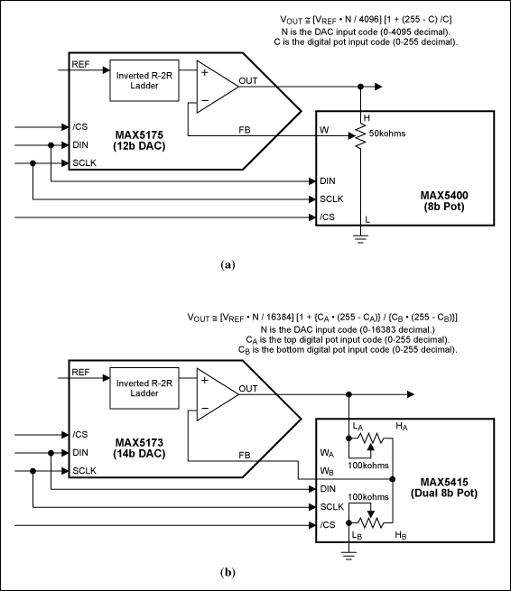
通过结合力/感测DAC和数字电位器,也可以实现数字可编程DAC增益。使用MAX5175/MAX5177 dac和MAX5400/MAX5415数字电位器的两个示例显示在图3。两个部分共享相同的SPI接口,允许用四个数字接口信号(时钟、数据输入和两个芯片选择)实现只写功能。

图3。使用数字电位器的可编程增益DAC:(a)更大的增益范围,更低的增益设置分辨率,(b)更小的增益范围,更高的增益设置分辨率。
在第一个电路(图3a)中,MAX5175的增益由单个MAX5400数字电位器设置,默认上电时增益为+1.992V/V。增益调谐分辨率在此默认值附近为~±0.8%,表明增益+2.00V/V可以在~±0.4%范围内设置。非线性增益范围约为+1V/V至+255V/V,尽管最高可用增益将受到参考电压和电源电压的限制。增益设置分辨率在更高的增益下也会变差。该电路的一大优点是增益温度通常为~5ppm/°C,因为它是由单个电位器内匹配良好的电阻设置的。
第二个电路(图3b)使用双8位MAX5415电位器来设置14位MAX5173 DAC的增益。该电路的上电默认增益恰好为+2.00V,调谐分辨率为该增益值附近的0.02%。由于使用了两个8位罐,因此该电路在1到65的整个非线性增益范围内具有良好的调谐分辨率。虽然电位器之间的电阻温度没有指定,但它应该接近单个电位器的典型5ppm/°C比率规格,因为它们都位于相同的硅上。
图3中的电路提供了两者的最佳效果;力/感测的增益设置灵活性,以及精确的增益(修整后)和可与固定增益dac媲美的低温漂移。
数字4和4 b演示如何将力/感测DAC的输出运放配置为跨阻放大器。在这两个例子中,从光电二极管输出的电流通过跨阻放大器转换成电压。在第一种情况下,使用单个MAX5304 DAC来克服其自身的失调电压,并保证在接地的光电二极管上有轻微的反向偏置。在第二种电路中,双MAX5156/57 dac用于在任何电压水平下反转或甚至零偏置光电二极管,直至参考电压。需要注意的是,现有的Maxim力/感测dac在FB引脚(输出运放反相输入)上的最大输入偏置电流为100nA。对于某些光电二极管应用,该电流可能太高,并且可能需要具有较低输入偏置电流的外部运放,例如MAX4162,直到具有较低输入偏置电流的力/感测dac可用。跨阻放大器拓扑结构的另一个注意事项是确认运放是稳定的,特别是在反相输入端有容性负载时。

图4。光电二极管和跨阻放大器的偏置电压控制:(a)单DAC接地反偏置,(b)双DAC电平移零或反偏置。
另一个跨阻应用见图5。在本例中,DAC为安培传感器提供直流电压偏置,传感器的输出电流通过DAC的跨阻放大器转换为电压。安培(或更普遍的伏安)传感器通常用于医疗应用,力/感测DAC是一个自然的选择。

图5。安培传感器的电压偏置控制。
力/感测DAC也可以配置为数字可编程电流源(实际上是接收器),使用拓扑如图所示图6。假设DAC输出有足够的净空来驱动NPN BJT的~0.7V基极-发射极电压,反馈将在无缓冲的R-2R阶梯输出电压(V(R2R))下保持电阻两端的电压(因此其电流)恒定。由于BJT的有限beta, BJT集电极的输出电流将略低于编程电阻电流。这可能需要在某些应用中校准输出电流。一种补救方法是使用MOSFET代替BJT,因为它的漏极电流在直流或低频时几乎等于其源电流。
该电路的常见用途包括通用电流源,精确的LED驱动电流,以及工业控制应用中的4-20mA电流回路。

图6。数字可编程电流源。
通过使用开尔文感测,即使DAC输出和负载之间的串联阻抗相对较高,力/感测DAC也能够在负载处提供所需的电压。再一次,这假设DAC输出有足够的净空来驱动由串联和负载阻抗形成的分频器。用户应确认输出运放对于反馈回路中所有预期的阻抗值都是稳定的。

图7。驱动信号与开尔文传感在负载。
现在有几种产品使用分立二极管或晶体管P-N结进行远程温度传感。这些装置使用2(或更多)电流的比率以及二极管方程来确定开尔文温度。
图8展示了一个简单的电路拓扑结构,其中MAX5302 DAC用于驱动二极管连接的晶体管。电流(1023个可能值)由DAC输出电压通过接地电阻(V(R)/R)设置,并使用MAX1408 ADC差分测量得到正向偏置P-N结电压(V(D))。这种拓扑结构很方便,因为使用相同的电阻来设置两个电流,并且电流比近似于DAC码字的比率。例如,DAC代码1000(十进制)和500(十进制)产生2:1的电流比,可直接用于二极管方程计算。会有一些DAC误差项,如偏置、INL和增益影响比率,但这些相对较小。如果需要更高的精度,可以通过使用ADC来测量每个DAC代码处的强制电阻电压(V(R))来确定精确的电流比。使用该电路时应小心,以确保运放的稳定性,特别是对于具有长引线和大寄生的远距离pn结。

图8。二极管电流驱动温度传感。
最终应用电路如图所示图9是一款MAX5352/53力/感测DAC,具有发射器-从动器,BJT级,以增加输出电流驱动。这种拓扑结构类似于图6所示的电流源,不同之处在于集电极连接到V(CC)(共集电极),输出是发射极的电压,而不是集电极的电流。与许多以前的电路一样,一个关键的要求是DAC输出有足够的净空空间来驱动BJT的基极-发射极结~高于最大输出电压0.7V。

图9。增加DAC输出电流驱动与发射器跟随器。
表1列出了Maxim目前提供的所有力/感测dac。还显示了一些关键规范。
表1。Maxim Force/Sense dac
参考 | |||||||
例如,0到VDD-1.4V | |||||||
MAX5354 | 单 | 10位 | 4.5V至5.5V | 例如,0到VDD-1.4V | |||
MAX5355 | 单 | 10位 | 3.15V ~ 3.6V | 例如,0到VDD-1.4V | |||
MAX5250 | 四 | 10位 | 4.5V至5.5V | 2 Ext, 0至VDD-1.4V | |||
MAX5251 | 四 | 10位 | 3.0V ~ 3.6V | 2 Ext, 0至VDD-1.4V | |||
MAX5302 | 单 | 12位 | 4.5V至5.5V | 例如,0到VDD-1.4V | |||
MAX5175 | 单 | 12位 | 4.5V至5.5V | 例如,0到VDD-1.4V | |||
MAX5177 | 单 | 12位 | 2.7V ~ 3.6V | 例如,0到VDD-1.4V | |||
MAX5352 | 单 | 12位 | 4.5V至5.5V | 例如,0到VDD-1.4V | |||
MAX5353 | 单 | 12位 | 3.15V ~ 3.6V | 例如,0到VDD-1.4V | |||
MAX5122 | 单 | 12位 | 4.5V至5.5V | Int。, 2.5V, 10ppm | |||
MAX5123 | 单 | 12位 | 2.7V ~ 3.6V | Int。, 1.25V, 10ppm | |||
MAX5156 | 双 | 12位 | 4.5V至5.5V | 2 Ext, 0至VDD-1.4V | |||
MAX5157 | 双 | 12位 | 2.7V ~ 3.6V | 2 Ext, 0至VDD-1.4V | |||
MAX525 | 四 | 12位 | 4.5V至5.5V | 2 Ext, 0至VDD-1.4V | |||
MAX5253 | 四 | 12位 | 3.0V ~ 3.6V | 2 Ext, 0至VDD-1.4V | |||
MAX535 | 单 | 13位 | 4.5V至5.5V | 例如,0到VDD-1.4V | |||
MAX5351 | 单 | 13位 | 3.15V ~ 3.6V | 例如,0到VDD-1.4V | |||
MAX5132 | 单 | 13位 | 4.5V至5.5V | Int。, 2.5V, 10ppm | |||
MAX5133 | 单 | 13位 | 2.7V ~ 3.6V | Int。, 1.25V, 10ppm | |||
MAX5152 | 双 | 13位 | 4.5V至5.5V | 2 Ext, 0至VDD-1.4V | |||
MAX5153 | 双 | 13位 | 2.7V ~ 3.6V | 2 Ext, 0至VDD-1.4V | |||
MAX5171 | 单 | 14位 | 4.5V至5.5V | 例如,0到VDD-1.4V | |||
MAX5173 | 单 | 14位 | 2.7V ~ 3.6V | 例如,0到VDD-1.4V | |||
社群二维码
关注“华强商城“微信公众号
Copyright 2010-2023 hqbuy.com,Inc.All right reserved. 服务热线:400-830-6691 粤ICP备05106676号 经营许可证:粤B2-20210308