摘要: 看看视频功能和需要高速交换与多路复用器(muxes)和交叉点开关。
视频功能,如扫描仪、视频路由器和像素间交换,产生了对多路复用器(muxes)和交叉点开关的高速交换的需求。不断提高的系统紧凑性要求开关ic具有低功耗和增强的功能,例如能够在没有额外缓冲的情况下驱动75-欧姆或150-欧姆负载。它们还需要良好的视频规格,例如,低差分增益和差分相位,良好的增益平坦度,低串扰和快速沉降。
图1显示了AD8174和AD8180的框图,AD8174和AD8180是一个新的缓冲多路复用器(mux)家族的两个成员,其特点是在高速和极低功耗下具有出色的视频规格。AD8180是单2对1复用器;AD8182(未显示)是一个双版本。这两种器件均提供750mhz的- 3db带宽和750v /µs的转换速率。比;80db的串扰抑制和隔离在5mhz,它们在许多高速应用中是有用的。差分增益和差分相位误差分别为0.02%和0.02°,加上超过200 MHz的0.1 db平坦度,使其成为专业视频复用的理想选择。它们的10ns开关时间使其成为像素开关(画中画)的绝佳选择,同时在±5-V电源上消耗小于3.8 mA。

AD8174*是一个高速4对1多路复用器。未显示的是AD8170*,具有类似规格的2对1复用器。这些器件提供200-MHz - 3db信号带宽,转换速率大于1000 V/µs,以及0.1 db增益平坦度至80 MHz。这些器件在5mhz时串扰低75 dB,在许多高速应用中非常有用。
AD8170和AD8174包含一个电流反馈输出放大器,其增益可以使用外部电阻进行编程。该放大器具有50 mA的高输出驱动电流,可将后端75-欧姆负载(RL=150 欧姆)驱动至±3.8 V。±5v电源的功耗低,为8.25 mA (AD8170)和9.7 mA (AD8174)。
* 1996年11月发行。自包含缓冲降低了功耗,节省了电路板空间,并允许将互斥器直接连接到高速adc。这在CMOS adc的情况下尤其重要,它通常具有可变的输入阻抗,与开关电容相关。
一个8 × 2交叉点开关:虽然8 × 8和16 × 16交叉点开关通常可用,但具有任意数量输入和输出的交叉点仍然必须使用多路复用器作为构建块来设计。
图2显示了一个模块化的8 × 2交叉点开关,它使用4个AD8174 4对1缓冲复用器,每个8对1复用器通道有两个。的允许输出每个设备上的功能允许将输出连接在一起。这样,启用引脚,感测倒置到其中一个多路复用器,可以用作8对1多路复用器上的第三个地址线。


将所有8条输入线连接到两个8对1多路复用器产生8 × 2交叉点开关。八个输入中的任何一个都可以切换到两个输出中的任何一个。可并联的多路复用器的数量仅受输入信号源的驱动能力的限制。输入阻抗2 毫欧和输入电容2 pF有助于改善这一限制。在需要更高带宽的应用中,AD8182可用于实现相同的交叉点功能。
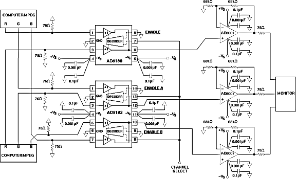
复用两个视频源:一个常见的视频应用程序需要两个RGB信号源被多路复用在一起,然后选择的信号被应用到监视器(例如,PC的正常输出和一个专门的信号源,如MPEG视频)。图3显示了如何使用AD8180和AD8182实现这样的电路。
因为所有三个多路复用器都是永久激活的,所以启用大头针总是绑得很低。三个SELECT引脚绑在一起,该信号用于选择源。为了驱动75-欧姆后端负载(R(L) = 150 欧姆)并提供统一的总体增益,多路复用器输出使用配置为增益2的AD8001电流反馈运放进行缓冲。
图中图或像素切换:许多高端显示系统要求在一个屏幕上同时显示两个视频图像。视频会议就是这样一个例子。远程站点可以显示为主图片,并“插入”本地站点的图片,以便进行监控。图3的电路可以用来实现这个“画中画”的应用程序。
实现图中图算法是困难的。两个源同时显示(即,在同一帧内),并且两个源都是实时的。图4显示了所有监视器通用的光栅扫描。在包括插入的每次水平扫描期间,源必须切换两次(即,从主到插入和从插入到主)。为了避免屏幕伪影,切换必须干净快速。在上述应用中使用的AD8180在10ns内切换并稳定到0.1%。根号平方加上AD8001的10ns的沉降时间,总的沉降时间为14ns。这将在插入图和主图之间产生一个锐利的、无伪影的边框。
图3中的视频源选择器也可以用三个AD8170缓冲多路复用器来实现。由于该器件具有高输出驱动电流,能够为150-欧姆负载提供±3.8 V,因此不需要外部高电流缓冲运放。此外,输出缓冲器的反相输入被钉住,因此可以设置2的闭环增益。
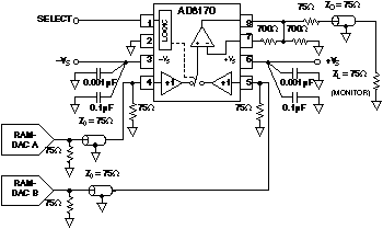
在图5中,来自两个电流输出ram - dac的视频信号使用AD8170进行多路复用。选定的信号驱动监视器。ram - dac通常提供26.67 mA的满量程电流。双端接75-欧姆线对DAC的有效电阻为37.5 欧姆,并在多路复用器的输入端将电流转换为1v (100ire或视频白电平)的满量程电压。由于负载和源阻抗都等于线路的特性阻抗,因此双端接是一种很好的做法,可以最大限度地减少反射。由于RAM-DAC具有相对较高的输出阻抗,源电阻接近75 欧姆。


多路复用器的输出必须驱动后端线。为了不丢失信号电平,有必要在应用到线路之前将信号幅度增加一倍。这可以通过将多路复用器输出运放的增益设置为+2来方便地完成。
彩色图像扫描器:电荷耦合器件(ccd)在扫描仪应用中得到广泛应用。单色CCD提供电压电平的串行流;每一级与照射在CCD单个单元上的光成正比。对于图6所示的彩色图像扫描仪,有三个输出流,分别表示红色、绿色和蓝色。与电压电平流交错的是一个表示复位电平的电压。一个相关双采样器(CDS)将这两个电压相互减去。

数据采集过程的下一步是对三个信号流进行数字化处理。假设所选择的ADC具有足够快的采样率,将三个流复用到单个ADC中比使用三个ADC更经济。在这里,AD8174将红色、绿色和蓝色通道复用到AD876中,AD876是一个8位或10位的20-MSPS ADC。由于其宽带宽,AD8174可以驱动AD876的开关电容输入级而无需额外缓冲。除带宽外,还需要考虑多路复用器的稳定时间。ADC的20 mhz采样率对应于50 ns的采样周期。通常,采样时钟的一个相位用于转换,所有电平保持稳定;另一个相位用于切换和稳定到下一个通道。对于50%占空比,信号链必须在25ns内稳定。18ns的多路复用沉降时间达到0.1%很容易满足这一标准。
AD8174的第四个(备用)通道用于偶尔测量参考电压。复用参考电压的优点是,任何由多路复用器引起的温度漂移效应都会对参考电压和CCD信号产生同样的影响。如果第四个通道未使用,将其永久接地是良好的设计实践。
AD81xx多路复用器系列由马萨诸塞州威尔明顿的Kimo Tam和加利福尼亚州圣克拉拉的JoAnn Close设计。
社群二维码
关注“华强商城“微信公众号
Copyright 2010-2023 hqbuy.com,Inc.All right reserved. 服务热线:400-830-6691 粤ICP备05106676号 经营许可证:粤B2-20210308