摘要: 文章讨论了产生第二输出电压的后稳压器。高度集成的DC-DC升压转换器或PWM降压调节器作为非常可靠,紧凑的后稳压器。
本文讨论用于产生第二个输出电压的后稳压器。高度集成的DC-DC升压转换器或PWM降压调节器作为非常可靠,紧凑的后稳压器。示出了原理图。
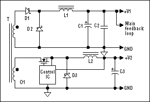
大多数电信和计算应用需要多个输出电压。其中某一电压往往高于或低于主电压,输出电流极低,一般小于500mA。产生第二个电压V2的典型方法是(1)磁放大器后稳压器和(2)用有源开关代替正常整流二极管的额外绕组,分别如图1(a)和1(b)所示。磁放大器后稳压器的问题是,饱和电抗器既昂贵又笨重。不能产生高于铁芯电压的电压。第二种方法的困难在于,对于如此小的输出电流,它不是很划算或节省空间。

(a) 通过使用磁放大器获得第二输出。

(b) 采用额外绕组加主动开关的方法。
图1所示 产生多个输出电压的典型方法。
需要注意的是,控制电路中有许多分立元件和ic,实际电路原理图比图1中所示的要复杂得多。
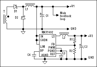
图2展示了一个简单的解决方案,它利用Maxim的节省空间和高效PWM降压调节器MAX1692,从主输出产生低输出电压。该器件封装在一个小的10引脚µMAX 封装中,比8引脚SO占用的空间少约60%。输出电压1.25V ~ V(IN)可调,保证600mA输出电流。该设备与最小的外部组件高度集成。它具有过压和电流保护。此外,MAX1692可以在四种模式下工作:强制PWM(恒定开关频率),通过外部开关频率同步,PWM/PFM模式,用于在轻负载时提高效率,待机时关闭模式。后稳压器所需的所有组件如图2所示。

图2 用作后置稳压器的MAX1692原理图(V2 <V1)。
图3显示了Maxim使用MAX1760从主输出产生高输出电压的解决方案,MAX1760是一种节省空间和高效的升压调节器。该器件采用小型10引脚µMAX封装。在2.5V ~ 5.5V输出电压范围内,保证800mA输出电流。输入电压范围为0.7V ~ 5.5V。MAX1760与最小的外部组件高度集成。它既可以在强制PWM(恒定开关频率)下工作,也可以通过外部开关频率同步。后稳压器所需的所有组件如图3所示。

图3 MAX1760后置稳压器原理图(V2 >V1)。
Maxim解决方案的低外部组件数量大大降低了制造成本和缺陷,从而提高了产品的可靠性。此外,只要在+V1输出处有足够的滤波电容,后置稳压器的动态响应就会得到改善。这与图1中所示的两种典型方法形成对比,其中V2的循环响应应该比主循环慢得多,以避免两个循环之间的冲突。
社群二维码
关注“华强商城“微信公众号
Copyright 2010-2023 hqbuy.com,Inc.All right reserved. 服务热线:400-830-6691 粤ICP备05106676号 经营许可证:粤B2-20210308