一站式电子元器件采购平台

华强商城公众号

一站式电子元器件采购平台

元器件移动商城,随时随地采购

华强商城M站

元器件移动商城,随时随地采购

半导体行业观察第一站!

芯八哥公众号

半导体行业观察第一站!

专注电子产业链,坚持深度原创

华强微电子公众号

专注电子产业链,
坚持深度原创

电子元器件原材料采购信息平台

华强电子网公众号

电子元器件原材料采购
信息平台

视频显示信号与MAX9406 DP-HDMI/DVI电平转换器—第1部分

来源:analog 发布时间:2023-09-01

摘要: 全文包括2部分,本应用笔记为其第1部分。第1部分阐述了当前的一些TV和PC视频显示电缆接口,包括RGBHV、HDMI 以及VGA的一些特点。第2部分( 应用笔记4313 )详细介绍了DVI 的背景,以及如何将MAX9406用作适当的数字视频显示电缆驱动器。

TV和PC视频显示器正在转向具有数字电缆接口的平板视频显示器。利用高清多媒体接口(HDMI)电缆,我们就可以将平板电视连接至PC或者高清电视(HDTV)机顶盒。通过VGA或数字视频接口(DVI)电缆,PC可以连接到外部显示器。DVI可以看作数字VGA接口。注意,HDMI的视频部分与DVI完全相同。

这里提供的是全文的第1部分。该应用笔记阐述了当前的一些TV和PC视频显示电缆接口,包括RGBHV、HDMI以及VGA的一些特点。第2部分(应用笔记4313:“  Video Display Signals and the MAX9406 DP-HDMI/DVI Level Shifter—Part II  ”)详细介绍了DVI的背景,以及如何将  MAX9406  用作适当的数字视频显示电缆驱动器。

RGBHV

RGBHV格式是一种先进的高清显示器的模拟视频显示接口。RGBHV视频信号由五对独立电缆传输,即R、G、B、H和V。每条电缆端均配有一个BNV或者RCA插孔。R、G、B电缆分别传输红、绿、蓝信号;H传输行同步脉冲,V传输场同步脉冲。

这些RGBHV电缆的一端也可以由VGA插头端接。图1显示了RGBHV视频电缆的典型色标。R为红,G为绿,B为蓝,H为灰,V为黑。所有终端阻抗均为75欧姆。


图1. 分量视频电缆的色标

RGBHV是最新的模拟视频信号格式,传输HDTV节目时对图像质量影响很小,甚至不会降低图像质量。图2显示了RGBHV和其它模拟视频信号格式之间的关系。


图2. 不同模拟视频信号格式之间的关系

图2中的箭头显示了这种技术发展的方向。实际上,所有不同类型的模拟信号都是由基本的红、绿、蓝、行、场同步分量组成的。Y/C分离功能电路从复合信号分离出亮度和色度信号。尽管这种组合很简单,但在实际应用中却很难实现整体的分离。从彩色副载波中恢复载波有可行的,色度信号的I、Q分量可以通过解调方式恢复。但在重新组合前,I、Q并不等同于Pr和Pb。另外,复合信号的同步脉冲并不刚好是增加的行、场分量。相反,在场同步脉冲前后都增加了预均衡及后置均衡脉冲,以确保锁相环(PLL)保持连续工作,正确恢复出行同步信号。

随着HDTV的引入,从RF (射频)载波解调后,将在数字域处理视频信息,而平板视频显示器均为数字产品。使用数字视频信号传输电缆可以省去HDTV端的数/模转换(DAC)以及平板视频显示器端的模/数转换(ADC)等额外电路,同时还消除了转换过程可能带来的图像质量下降。

HDMI

HDMI由四个低压差分信号(LVDS)对组成。红、绿、蓝信号分别由通道2至0 (LVDS信号对)传输。专用时钟(与通道0至2的数据位同步) LVDS信号对用于支持HDTV和平板视频显示器之间的可靠信号传输。利用ADC将每个彩色图像像素的幅度数字转换成8位分辨率。该彩色信息被所谓的最小化传输差分信号(TMDS )编码器扩展至10位分辨率,以进行带宽最小化和直流均衡。编码后的彩色数据位经过串行转换发送到LVDS驱动器,请参考图3


图3. RGBHV-HDMI转换

每个LVDS通道可以支持较高的数据速率。对于60Hz刷新速率、分辨率为1920 × 1080的HDTV屏幕,像素率为124.416MHz。对于5%和15%的同步、消隐期,像素率分别为130MHz或143MHz。每像素彩色信号为10位数据时,每个LVDS通道的数据速率为1.3Gbps到1.43Gbps之间,具体取决于所要求的裕量。就平板视频显示器而言,电子束回程的消隐期并不是必不可少的。因此,裕量通常可以与能够恢复的同步定时相当。

数字视频信号格式严格遵循模拟视频信号的时序。在HDMI格式中,从左到右发送像素,每行之间均有行同步码;从上到下发送行数据,每屏之间均有场同步码。对应于每行及每屏之间模拟视频信号的消隐期,行、场同步脉冲在通道0被编码。四个10位字1101010100、0010101011、0101010100和1010101011,分别代表(H = 0, V = 0)、(H = 1, V = 0)、(H = 0, V = 1)和(H = 1, V = 1)。利用这些代码,可以在时域表示行、场同步脉冲,并保持像素时钟的精确度。

由于同步脉冲的起点最重要,不需要像模拟格式定义的那样在任何时间都对这些脉冲进行编码。HDMI格式中,同步脉冲定义的起始部分之后的消隐时间专门用于传输音频信号。相当于模拟信号的消隐期在时间上划分成同步控制和音频信息数据位的传输。

图4给出了行消隐期间的同步和音频数据包的时序,与模拟视频格式定义相同。在视频信息数据位之后,由通道0传输行同步位。在典型的138像素消隐期内,同步信息可持续62个像素时钟周期。之后,64个像素专门用于传输音频数据包。音频数据包的报头与同步信息一起由通道0传输,同时音频数据包的数据位由通道1和2传输。每个通道的数据岛周期内,利用TMDS减少误差编码(TERC4),每组四个信息位均被编码为10比特。相同周期内,两个音频报头位和两个行同步位被组合成通道0的TERC4编码输入。消隐期终止于少数及格行同步像素(12)。


图4. HDMI视频数据、控制和数据岛周期

60Hz屏幕刷新率,每屏1080线,每线64像素,每个HDTV信号均以8位/像素表示,可以利用下式计算得到最大音频比特率:

R(Audio) = 60 × 1080 × 64 × 8 = 33.1776Mbps

该数据速率足以传输任何多通道、高质量音频信号。

HDMI中,每像素的信息也可以由大于8位/色彩的形式表示。对于更高色彩分辨率的格式来说,每像素色彩的比特数被扩展至8位8B10B编码单位以上。例如,要得到10位/色彩,四像素的数据位就要扩展到五个8B10B编码单位,从而导致时钟速率提高20%。同样,12位/色彩将两像素扩展至三个8B10B编码单位,导致时钟速率提高50%。平板显示器的高色彩分辨能力由其扩展显示标识数据(EDID)的内容表示。

图5表1显示了HDMI A型插头的引脚布局。对于采用I²C协议的HDTV设备,通过SCL和SDA获取平板显示信息。平板显示信息(EDID)均存储于EEPROM中,通常为128字节,并带有0×A0 I²C器件地址。热插拔检测引脚帮助HDTV设备检测平板显示信息是否存在。打开平板显示装置,热插拔引脚将被设置在2.4V到5.3V之间。CEC表示消费类电子产品控制,将用户控制指令传递给所有互联电子设备。


图5. HDMI A型插头引脚

表1. HDMI A型插头引脚布局

Pin NumberAssignment
1Data2+
2Data2 shield
3Data2-
4Data1+
5Data1 shield
6Data1-
7Data0+
8Data0 shield
9Data0-
10Clock+
11Clock shield
12Clock-
13CEC
14Not connected
15SCL
16SDA
17Ground
18+5V
19Hot-plug detect


HDMI信号直接兼容于DVI信号(如需了解关于DVI的更多信息,请参考本文的第2部分)。图6显示的是一条HDMI-DVI转换电缆。利用一条这样的转换电缆,可以将一台具有DVI输出的PC连接到一台带HDMI输入的平板显示器。


图6. HDMI-DVI转换电缆

VGA

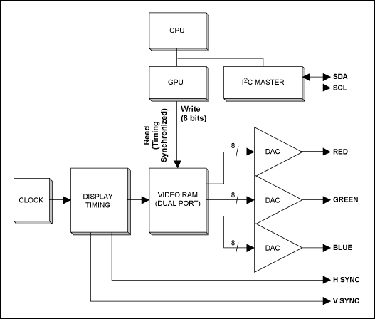
图7所示为VGA插卡的功能框图。为了避免增加CPU执行写像素操作的负担(例如:移动图像),采用了专门的图像处理单元(GPU)。CPU只需发送部分或全屏显示的属性,GPU将正确的像素内容填充到视频RAM。显示时序功能电路是GPU的组成部分。为了实现显示器的自动检测,每个VGA卡提供一种称为显示数据通道(DDC)的I²C通道。显示器的EDID信息(128位,带0×A0地址)通常存储在EEPROM中。


图7. VGA卡功能图

VGA电缆终端配有一个15引脚插头,图8表2给出了VGA信号的引脚排列。红、绿、蓝、行和场同步引脚的信号电平均为0.7V(P-P)。这些视频信号引脚的终端匹配电阻均为75欧姆。相同的15引脚VGA插头被用于增强版,例如:SVGA (800 × 600)、XGA (1024 × 768)、SXGA (1280 × 1024)、UXGA (1600 × 1200)、WXGA (1366 × 768)、WSXGA (1680 × 1050)和WUXGA (1920 × 1200)等分辨率显示屏的信号格式。


图8. VGA插头的引脚排列

表2. VGA插头的引脚排列

Pin NumberAssignment
1Red
2Green
3Blue
4
5Ground
6Ground (red)
7Ground (green)
8Ground (blue)
9+5V
10Ground (shield)
11
12SDA
13H
14V
15SCL


结论

我们回顾了TV显示信号的发展过程,从复合视频、S端子、分量、RGBHV到最终的HDMI。HDMI是一种高清数字RGBHV信号。TV显示信号从模拟发展到数字,每发展一步都会带来更高的清晰度。至今仍然流行的PC VGA显示器的显示信号采用的是模拟格式。VGA从早期的CGA (彩色图像适配器)和EGA (增强型图像适配器)格式发展而来,这两种早期格式实际上都是数字格式,但是没有带宽有效位编码。如果不使用DAC,VGA的分辨率将占用电缆插头的很多引脚。数字版的VGA (将在本文第2部分介绍)实际上就是DVI,用带宽有效位编码代替了DAC。

声明:本文观点仅代表作者本人,不代表华强商城的观点和立场。如有侵权或者其他问题,请联系本站修改或删除。

社群二维码

关注“华强商城“微信公众号

调查问卷

请问您是:

您希望看到什么内容: