电子元器件产业互联网平台
一站式电子元器件采购平台
元器件移动商城,随时随地采购
半导体行业观察第一站!
专注电子产业链,坚持深度原创
电子元器件原材料采购信息平台
安谋(Arm)为全球行动装置时代核心芯片IP技术最主要授权业者,让安谋在行动时代创造可观收入及名声。但随着行动时代趋于成熟饱和,全球半导体及芯片产业逐渐看向物联网(IoT)、自驾车、5G、机器人、连网摄影机、工控等下一个新成长领域。
LSI 公司日前宣布推出面向笔记本电脑、台式机和企业硬盘驱动器 (HDD) 市场的新型高性能、低功耗前置放大器集成电路 (IC) ——TrueStore? PA5100 和 PA5200。PA5100 和 PA52...
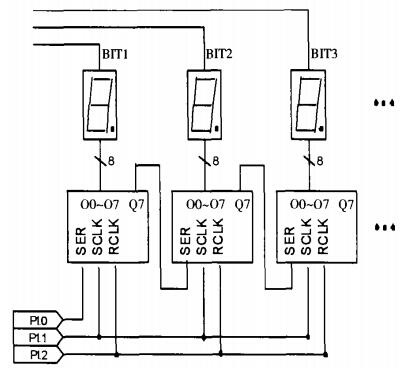
芯片74HC595是一个8位串行输入、并行输出的位移缓存器:并行输出为三态输出。在SCK 的上升沿,串行数据由SDL输入到内部的8位位移缓存器,并由Q7'输出,而并行输出则是在LCK的上升沿将在8位位移缓存器的数据存入到8位并行输出缓存器。
Maxim Integrated Products, Inc.最新推出RFID钥匙、RFID卡系列产品,适用于自动识别、门禁控制和电子钱包(e-cash)应用,这些应用的市场规模每年可达20亿片。新一代非接触式RFID系列产品(MAX6...
据国外媒体报道,惠普周二宣布,该公司将与韩国芯片制造商海力士合作,推出一款新型的计算机内存芯片,并将把此新型芯片的推向市场。海力士已是继三星电子之后的全球第二大内存芯片制造商。根据双方的协议,海力士同意使用由惠普科学家研制的技术来打造这种新型元件忆阻器(memristor,即“内存电阻器”简称)。...
赛普拉斯半导体公司日前宣布推出面向 PSoC? 3 和 PSoC 5 可编程片上系统系列的实现革命性突破的 PSoC Creator? Design Environment 2.0 版。PSoC Creator 2.0 现在可与功能强大且深受欢迎的...
日前,德州仪器 (TI) 宣布推出一款电池管理集成电路,其不但可延长充电锂离子电池组的使用寿命,而且还可最大限度提高混合动力电动车、电源工具以及不间断电源 (UPS) 应用的有效能量。可堆栈 bq76PL536 电池监控器、平衡器与保护器整合模数转换器,支持独立电池电压及温度保护、电量平衡以及隔离...
美国国家半导体公司宣布推出一系列全新的时钟抖动滤除器,该系列产品拥有业界最低的相位噪声和均方根抖动性能:在12kHz与20MHz之间的均方根抖动只有111飞秒(fs);若输出频率为184MHz,锁相环的宽带噪声基底则只有-162dBc/Hz。对于无线和有线通信系统、测试和测量设备、医疗成像系统、软...
Diodes公司推出AL8807降压型开关模式LED驱动器。AL8807 LED驱动器采用占位面积较小的SOT25封装,MSOP-8EP封装也即将推出。其开关频率高达1MHz,具有严格控制的开关上升和下降时间,专为...
台积电宣布,公司董事会已批准了一项约45亿美元的资本预算。未来将会使用该预算来修建新的晶圆厂,而现在中国台湾媒体报道称,台积电计划2020年开始建造3nm制程的晶圆厂,希望能够在2022年实现3nm制程芯片的量产。
东芝公司宣布,即日起开始使用24nm工艺批量生产NAND闪存芯片,这也是该领域内迄今为止最为先进的制造技术。东芝透露,24nm工艺已被用于生产世界上体积最小、存储密度最高的2bpc(每单元两个比特)MLC NAND闪存芯片,单颗容量64Gb(8GB),今后还会使用同样工艺制造32Gb(4GB)容量...
富士通半导体(上海)有限公司近日宣布推出业内首款商用多模收发器芯片——MB86L12A。该芯片是MB86L10A的后续产品,可节省外部LNA以及用于3G和LTE产品的TX与RX通道间的SAW滤波器。这款收发器采用高...
美满电子科技(Marvell) 日前宣布推出支持OpenFlow、全功能的交换解决方案,该解决方案采用了Marvell屡获殊荣的网络控制堆栈和Prestera?系列包处理器。Marvell新推出的OpenFlow交换机支持1GbE(千兆以太网)、10 GbE和40 GbE端口配置。优势:OpenF...
Maxim Integrated Products, Inc. 推出40G发射器芯片组,将数据中心的数据吞吐量提高4倍,且保持极低的设备功耗,所占空间仅略高于传统的单通道方案。这款最新的4通道40GBASE-LR4...
韩国LG显示器展出了号称“全球最大”的19英寸柔性电子纸。厚度为0.601mm(含保护薄膜在内)。使用在不锈钢底板上形成的非晶硅TFT,驱动美国E Ink公司生产的电子纸而成。像素数为2560×1600,精细度为163ppi。支持16灰阶的单色显示。反射率在40%以上,对比度在7:1以上。视角上下...
Copyright 2010-2023 hqbuy.com,Inc.All right reserved. 服务热线:400-830-6691 粤ICP备05106676号 经营许可证:粤B2-20210308
登录
请问您是:
采购商 工程师 在校学生 其他
您希望看到什么内容:
电子资讯 技术文章 PDF资料 电子论文 其他